Отгружено ЖБИ: всего -
000 000
тонн; за 2025 год -
00 000
тонн
Посмотреть
Заключено договоров: всего -
0 000
шт.; за 2025 год -
000
шт.
Единый номер:
8 (800) 500-22-52
Выберите город
Благовещенск
Владивосток
Екатеринбург
Иркутск
Казань
Кемерово
Краснодар
Красноярск
Москва
Нижний Новгород
Новосибирск
Омск
Пермь
Ростов-на-Дону
Самара
Санкт-Петербург
Симферополь
Сургут
Тюмень
Хабаровск
Челябинск
Ваш город «
»?
Да
Нет
Выберите город
Заказ онлайн
Корзина:
0 шт.
Корзина
0
шт.
Расчитать
О нас
О компании
Документация
Судебная практика
Преимущества
Вопросы/ответы
Портфолио
Работа в цифрах
Прямой эфир с производства
Каталог
Каталог по группам
Условия доставки
Контакты
Найти
Каталог по группам
Главная
Каталог по группам
Лотковые элементы
Плиты перекрытия лотков
Плиты перекрытия лотков П Сери...
Крышки бетонные Серия Б3.300.1-5.04
Крышки бетонные лотковые ГОСТ 24587-81
Крышки желобов Серия 3.602.1-1
Крышки междупутных лотков Альбом ГИПРОТРАНСПУТЬ
Плиты 3.006.1-7
Плиты ПО Серия ИС 01-04
Плиты Серия 3.903 КЛ-13
Плиты Серия 3.903 КЛ-14
Плиты днища Серия ИС 01-04
Плиты днища Серия ХТР 1-1
Плиты днища каналов ПД серия 3.006.1-8
Плиты днища каналов угловые ПДУ серия 3.006.1-8
Плиты днища серия ИС 01-05 ( НК 029-23:39 )
Плиты днища тоннелей Серия 3.006.1-3/83
Плиты каналов ПТ серия 3.006.1-8
Плиты лотков Серия 3.820-11
Плиты лотковые Серия 1.165.1-16
Плиты лотковые Серия 1.165.1-17
Плиты перекрытий Серия ХТР 1-1
Плиты перекрытия Альбом ПС 312
Плиты перекрытия П Серия ИС 01-04
Плиты перекрытия ПТ Серия ИС 01-04
Плиты перекрытия каналов с отверстиями ПТО серия 3.006.1-8
Плиты перекрытия каналов угловые ПТУ серия 3.006.1-8
Плиты перекрытия лотков Альбом 819
Плиты перекрытия лотков П Серия 3.006-2
Плиты перекрытия лотков П Серия 3.006.1-2/82
Плиты перекрытия лотков П Серия 3.900.1-12
Плиты перекрытия лотков П серия 3.006.1-2/87
Плиты перекрытия лотков ПО Серия 3.006-2
Плиты перекрытия лотков ПО Серия 3.006.1-2/82
Плиты перекрытия лотков ПО серия 3.006.1-2/87
Плиты перекрытия лотков ПП (плоская подкладка) Серия 3.006-2
Плиты перекрытия лотков ПП (плоская подкладка) Серия 3.006.1-2/82
Плиты перекрытия лотков ПП (плоская подкладка) серия 3.006.1-2/87
Плиты перекрытия лотков кабельных каналов Серия 3.407-40/70
Плиты перекрытия лотков кабельных каналов Серия 4.407-267
Плиты перекрытия лотков кабельных каналов серия 3.407.1-157 ( серия 3.407-102, 3.407-40/70 )
Плиты перекрытия лотков трехслойные ПТ Серия 3.006-2
Плиты перекрытия лотков трехслойные ПТ Серия 3.006.1-2/82
Плиты перекрытия лотков трехслойные ПТ Серия ИС 01-04
Плиты перекрытия лотков трехслойные ПТ серия 3.006.1-2/87
Плиты перекрытия междупутных лотков Альбом 3.501-68
Плиты перекрытия межпутных лотков Серия 3.501-68
Плиты покрытия лотков Серия 3.900-3
Плоские подкладки под стыки сборных элементов канала ПП серия 3.006.1-8
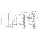
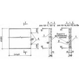
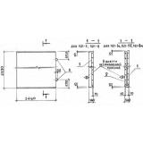
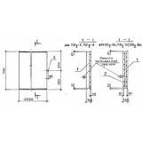
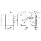
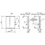
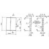
Плиты перекрытия лотков П Серия 3.006.1-2/82 - Страница 4
740х2160x250
П 19д-15 а (3.006.1-2/82)
8 000
₽/шт.
В корзину
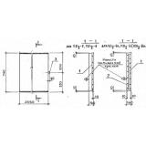
740х420x100
П 2-15 (3.006.1-2/82)
600
₽/шт.
В корзину
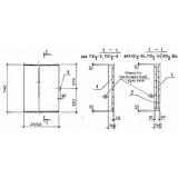
740х420x100
П 2-15 а (3.006.1-2/82)
600
₽/шт.
В корзину
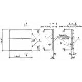
740х420x100
П 2-15 б (3.006.1-2/82)
600
₽/шт.
В корзину
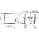
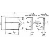
2990х2460x140
П 20-3 (3.006.1-2/82)
20 600
₽/шт.
В корзину
2990х2460x140
П 20-3 а (3.006.1-2/82)
20 600
₽/шт.
В корзину
2990х2460x140
П 20-3 б (3.006.1-2/82)
20 600
₽/шт.
В корзину
740х2460x140
П 20д-3 (3.006.1-2/82)
5 000
₽/шт.
В корзину
740х2460x140
П 20д-3 а (3.006.1-2/82)
5 000
₽/шт.
В корзину
740х2460x140
П 20д-3 б (3.006.1-2/82)
5 000
₽/шт.
В корзину
2990х2460x160
П 21-5 (3.006.1-2/82)
23 600
₽/шт.
В корзину
2990х2460x160
П 21-5 а (3.006.1-2/82)
23 600
₽/шт.
В корзину
2990х2460x160
П 21-5 б (3.006.1-2/82)
23 600
₽/шт.
В корзину
2990х2460x160
П 21-8 (3.006.1-2/82)
23 600
₽/шт.
В корзину
2990х2460x160
П 21-8 а (3.006.1-2/82)
23 600
₽/шт.
В корзину
740х2460x160
П 21д-5 (3.006.1-2/82)
5 800
₽/шт.
В корзину
740х2460x160
П 21д-5 а (3.006.1-2/82)
5 800
₽/шт.
В корзину
740х2460x160
П 21д-5 б (3.006.1-2/82)
5 800
₽/шт.
В корзину
740х2460x160
П 21д-8 (3.006.1-2/82)
5 800
₽/шт.
В корзину
740х2460x160
П 21д-8 а (3.006.1-2/82)
5 800
₽/шт.
В корзину
2990х2460x250
П 22-12 (3.006.1-2/82)
36 800
₽/шт.
В корзину
2990х2460x250
П 22-12 а (3.006.1-2/82)
36 800
₽/шт.
В корзину
2990х2460x250
П 22-15 (3.006.1-2/82)
36 800
₽/шт.
В корзину
2990х2460x250
П 22-15 а (3.006.1-2/82)
36 800
₽/шт.
В корзину
Показать еще
|<
<
1
2
3
4
5
6
7
8
9
>
>|
96 из 194 (страниц 9)
Заказать звонок