Отгружено ЖБИ: всего -
000 000
тонн; за 2025 год -
00 000
тонн
Посмотреть
Заключено договоров: всего -
0 000
шт.; за 2025 год -
000
шт.
Единый номер:
8 (800) 500-22-52
Выберите город
Благовещенск
Владивосток
Екатеринбург
Иркутск
Казань
Кемерово
Краснодар
Красноярск
Москва
Нижний Новгород
Новосибирск
Омск
Пермь
Ростов-на-Дону
Самара
Санкт-Петербург
Симферополь
Сургут
Тюмень
Хабаровск
Челябинск
Ваш город «
»?
Да
Нет
Выберите город
Заказ онлайн
Корзина:
0 шт.
Корзина
0
шт.
Расчитать
О нас
О компании
Документация
Судебная практика
Преимущества
Вопросы/ответы
Портфолио
Работа в цифрах
Прямой эфир с производства
Каталог
Каталог по группам
Условия доставки
Контакты
Найти
Каталог по группам
Главная
Каталог по группам
Лестничные ступени, Марши, Пло...
Лестничные марши
Блоки лестничных маршей Серия 3.501.1-165
Крыльцо (инж.)
Лестничные марш-площадки Серия 1.258 КЛ-2
Лестничные марши Альбом 3РС 19-103
Лестничные марши Альбом ИЖ 4.2-1
Лестничные марши Альбом НК 33-07
Лестничные марши Альбом РС 6161-88
Лестничные марши Альбом РС 6172-95
Лестничные марши ГОСТ 24155-2016
Лестничные марши ГОСТ 24155-80
Лестничные марши Метро
Лестничные марши Серия 1.020-1
Лестничные марши Серия 1.100.1-7
Лестничные марши Серия 1.150 КР-1
Лестничные марши Серия 1.220.1-3м
Лестничные марши Серия 1.335 ОМ
Лестничные марши Серия 3.507-1
Лестничные марши Серия 7018м
Лестничные марши Серия ИИ 01-02
Лестничные марши Серия ИИ 03-02 Альбом 30-64, Альбом 30А
Лестничные марши Серия ИИ 04-7
Лестничные марши Серия ИИ 27-1
Лестничные марши Серия ИИ 41
Лестничные марши Серия ИИ 65
Лестничные марши Серия ИИС 27-1
Лестничные марши Серия ИИС 61
Лестничные марши Серия КУБ 2,5
Лестничные марши ТПР 501-07-014.91
Лестничные марши ТПР 501-07-3.83
Лестничные марши ТПР 501-07-5.84
Лестничные марши Шифр 789-04
Лестничные марши без фризовых ступеней ГОСТ 9818-85
Лестничные марши без фризовых ступеней Серия 1.151-4
Лестничные марши без фризовых ступеней серия 1.151.1-6
Лестничные марши без фризовых ступеней серия 1.151.1-7 и 1.151.1-8 с ( 1.151-4 )
Лестничные марши плоские без фризовых ступеней ГОСТ 9818-2015
Лестничные марши ребристой конструкции с фризовыми ступенями, с гладкой поверхостью серия 1.151.1-7 и 1.151.1-8 с ( 1.151-4 )
Лестничные марши ребристые с полуплощадками ГОСТ 9818-2015
Лестничные марши ребристые с полуплощадками ЛМП ГОСТ 9818-85
Лестничные марши ребристые с полуплощадками ЛМП Серия 1.050.9-4.93
Лестничные марши ребристые с полуплощадками ЛМП серия 1.050.1-2
Лестничные марши ребристые с фризовыми ступенями ГОСТ 9818-2015
Лестничные марши ребристые с фризовыми ступенями ЛМФ Серия 1.251.1 КР-1
Лестничные марши ребристые с фризовыми ступенями ЛМФ серия 1.251.1-4 ( 1.251-3, 1.250-1 )
Лестничные марши ребристые с фризовыми ступенями Серия 1.251-2с
Лестничные марши серия 1.151-1
Лестничные рамы Серия 1.050.1-3
Лестничные рамы серия 1.050.1-2
Элементы лестниц ТП 320-55
Лестничные марши - Страница 26
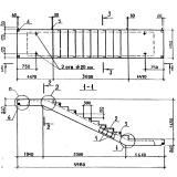
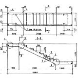
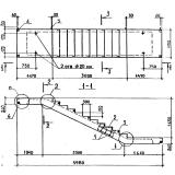
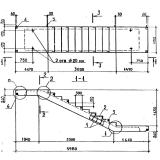
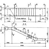
5980х1150x1500
ЛМП 60-11-15-5
22 500
₽/шт.
В корзину
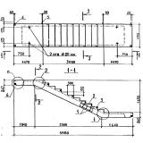
5980х1150x1500
ЛМП 60-11-15-5
22 500
₽/шт.
В корзину
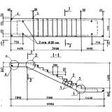
5980х1150x1500
ЛМП 60-11-15-5 (1.050.9-4.93)
21 500
₽/шт.
В корзину
5980х1150x1500
ЛМП 60-11-15-5 (ГОСТ 9818-2015)
22 000
₽/шт.
В корзину
5980х1150x1500
ЛМП 60-11-15-5 (ГОСТ 9818-85)
23 000
₽/шт.
В корзину
5980х1150x1500
ЛМП 60-11-15-5 а
22 500
₽/шт.
В корзину
5980х1150x1500
ЛМП 60-11-15-5 с
22 500
₽/шт.
В корзину
5980х1150x1500
ЛМП 60-11-15-5 с
22 500
₽/шт.
В корзину
5980х1150x1500
ЛМП 60-11-15-5 с (1.050.9-4.93)
21 500
₽/шт.
В корзину
4640х1150x1500
ЛМП 60-11-15-5-3
18 225
₽/шт.
В корзину
4640х1150x1500
ЛМП 60-11-15-5-3
18 225
₽/шт.
В корзину
4640х1150x1500
ЛМП 60-11-15-5-3 (ГОСТ 9818-2015)
17 820
₽/шт.
В корзину
4640х1150x1500
ЛМП 60-11-15-5-3 (ГОСТ 9818-85)
18 630
₽/шт.
В корзину
4640х1150x1500
ЛМП 60-11-15-5-3 с
18 225
₽/шт.
В корзину
4640х1150x1500
ЛМП 60-11-15-5-3 с
18 225
₽/шт.
В корзину
5980х1150x1650
ЛМП 60-11-17
22 500
₽/шт.
В корзину
5980х1150x1650
ЛМП 60-11-17-5
22 500
₽/шт.
В корзину
5980х1150x1650
ЛМП 60-11-17-5
22 500
₽/шт.
В корзину
5980х1150x1650
ЛМП 60-11-17-5 (1.050.9-4.93)
21 500
₽/шт.
В корзину
5980х1150x1650
ЛМП 60-11-17-5 (ГОСТ 9818-2015)
22 880
₽/шт.
В корзину
5980х1150x1650
ЛМП 60-11-17-5 (ГОСТ 9818-85)
23 920
₽/шт.
В корзину
5980х1150x1650
ЛМП 60-11-17-5 с
22 500
₽/шт.
В корзину
5980х1150x1650
ЛМП 60-11-17-5 с
22 500
₽/шт.
В корзину
5980х1150x1650
ЛМП 60-11-17-5 с (1.050.9-4.93)
21 500
₽/шт.
В корзину
Показать еще
|<
<
....
20
21
22
23
24
25
26
27
28
29
30
>
>|
624 из 719 (страниц 30)
Заказать звонок