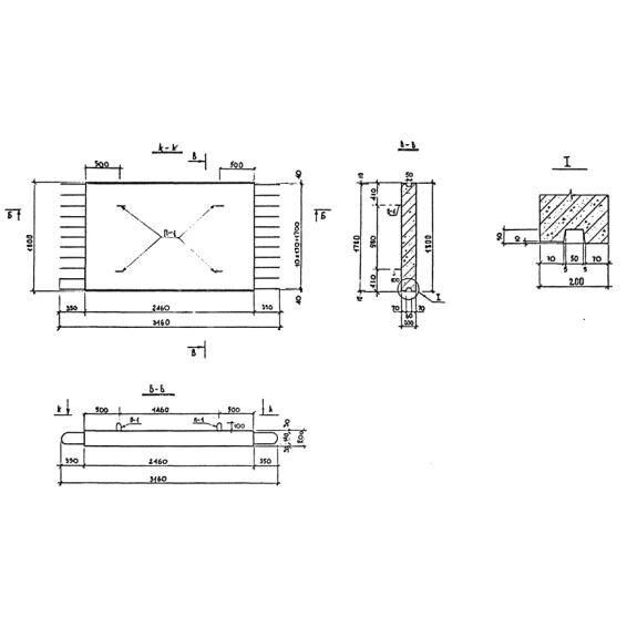
О товаре:
- Длинна: 2460 мм.
- Ширина: 200 мм.
- Высота: 1800 мм.
- Вес: 2170 кг.
- ГОСТ, Серия: Альбом ПС 192 скачать
- Объем бетона: 0,87 м3
- Геометрический объем: 0,8856 м3
Стандарт изготовления изделия: Альбом ПС 192
Плита днища СД представляет собой монолитный блок из тяжелого бетона, с армированием стальной проволокой согласно установленным нормативам. Для облегчения транспортировки и установки плит предусматривается наличие металлических монтажных петель на поверхности изделия. Плита обладает высокой устойчивостью к воздействию различных слабоагрессивных сред, а также к разрушающим нагрузкам по расчетным значениям поперечных сил и изгибающих моментов (испытания проводятся в соответствии с ГОСТ 8829-77).
1. Варианты маркировки
Все железобетонные изделия имеют унифицированную маркировку, которая принята по буквенно-цифровой системе:
1. ДБ 12 у;
2. ДБ 13 у;
3. ДБ 14 у;
4. ДБ 16 у;
5. ДБ 17 у.
6. ДБ 9 у.
2. Область применения
Основным предназначением железобетонных плит днища СД является их использование в качестве элементов заглубленных сооружений, которые могут эксплуатироваться выше или ниже уровня грунтовых вод в средах с небольшим содержанием агрессивных веществ. Как правило, это различные сооружения, относящиеся к канализационным трубопроводам, инженерным и тепловым сетям, системам водоотведения, кабельным коллекторам и тому подобных сооружениях. Плита может использоваться в сухих или насыщенных влагой грунтах, в том числе тех, которые подвержены просадкам.
Поскольку плита днища СД, изготовленная на основании Альбома ПС 192, должна легко выдерживать значительные нагрузки, для ее изготовления применяется тяжелый бетон марки М 300 и выше, а армирование проводится сварным каркасом из стержневой стальной арматуры. Строгое соблюдение технологии позволяет создавать плиты, которые в состоянии выдерживать колоссальные нагрузки, и избежать малейшие сдвиги/смещения плит по окончании их монтажа и ввода в эксплуатацию.
Достаточно жесткие требования к плите днища СД предъявляются в части водонепроницаемости и коррозийной стойкости. Поэтому данная плита имеет достаточно малый коэффициент водопоглащения, который не превышает 8% от собственной проектной массы. Для уменьшения этого показателя, целесообразно обработать ее специальными гидроизолирующими растворами непосредственно перед монтажом. Несмотря на то, что плита практически не испытывает резких колебаний температуры из-за своего расположения на значительной глубине, ее морозостойкость составляет не менее F100.
3. Обозначение и маркировка
Маркировочное обозначение СД можно расшифровать следующим образом:
1. СД - блок бнища;
Дополнительная информация:
Длина = 2460;
Ширина = 200;
Высота = 1800;
Вес = 2170;
Объем бетона = 0,87;
Геометрический объем = 0,8856.
4. Особенности изготовления
Изготовление всех железобетонных плит ведется в заводских условиях, на современном технологичном оборудовании, которое позволяет точно соблюдать все требования установленных нормативов. При производстве допускается небольшой процент отклонений от проектного размера изделия, который также строго регламентирован. Отпускная прочность бетона составляет не менее 70% в летний период, и не менее 100% от проектной в зимнее. Для получения изделий высокой прочности используются современные способы уплотнения бетонной смеси и ее термовлажностной обработки.
Не меньшее внимание уделяется и армированию. Так, предусмотрено использование сетками, которые посредством контактной точечной сварки объединяются в пространственные каркасы. Использование других типов сварки недопустимо, в то же время, технология допускает применение вязальной проволоки для соединения сеток между собой. Сталь, предназначенная для изготовления каркаса должна относиться к классу АI или А III. После того, как изделие готово, обязательно проводятся его контрольные испытания разрушающими нагрузками, величины которых определены ГОСТ 8829-77.
5. Транспортировка и хранение
Готовые плиты днища СД подлежат хранению на специально отведенных площадках/складах. Все плиты перед отправкой на склад отсортировываться по видам и маркам. При этом, те изделия, которые не прошли проверку ОТК и были забракованы, должны складироваться отдельно. Плиты укладываются друг на друга, при этом обязательно использовать прокладочный материал между ними, толщина которого не менее 3-х см. Общая высота штабелей не должна превышать 2-х метров. В том случае, если готовые железобетонные изделия хранятся на открытом воздухе, предусматривается использование навесов или укрывного материала, что исключит негативное влияния окружающей среды на продукцию. Транспортировка до места назначения осуществляется специально предназначенным большегрузным транспортом, как правило комплектно, и только в тщательно зафиксированном положении, исключающем смещение изделий при движении транспорта.

