О товаре:
- Длинна: 3130 мм.
- Ширина: 1200 мм.
- Высота: 260 мм.
- Вес: 2380 кг.
- ГОСТ, Серия: Альбом ПС 312 скачать
- Объем бетона: 0,95 м3
- Геометрический объем: 0,9766 м3
Стандарт изготовления изделия: Альбом ПС 312
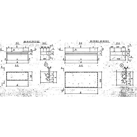
Плиты перекрытия ВП 31-12-2 обладают отличительной особенностью, ею является наличие опорных выступов на нижней части, что позволяет им эффективно воспринимать не только вертикальную, но и горизонтальную нагрузку. Тепловые камеры и коллекторы, для обустройства которых используются плиты ВП 31-12-2, обладают более высокой надёжностью в слабых и подвижных грунтах. Все инженерные коммуникации промышленных предприятий и населённых пунктов прокладываются в бетонных каналах, гарантированно защищающих теплотрассы, газопроводы и трубы водоснабжения и канализации от внешних воздействий. Очень важно обеспечить свободный доступ технического персонала для выполнения контрольных, профилактических и ремонтных работ. С этой целью предусмотрены отверстия для установки люков стандартного размера. При сооружении тепловых камер и пунктов контроля должны использоваться унифицированные плиты перекрытия, изготовленные в соответствии с требованиями Альбома ПС 312. Соответствие плит перекрытия ВП 31-12-2 требованиям, указанным в каталоге, обеспечит их взаимозаменяемость, независимо от того, на каком из заводов они были изготовлены.
1. Варианты маркировки
Заводами ЖБИ используются отличающиеся методы маркировки плит, но это не является препятствием для их однозначной идентификации.
1. ВП 31-12-2;
2. ВП 31.12.2.
2. Основная сфера применения
Плитами ВП 31-12-2 перекрывают тепловые пункты подземных теплотрасс, канализационные коллекторы и другие зоны контроля подземных инженерных коммуникаций. Их применение существенно увеличивает сопротивляемость конструкции защитного бетонного короба к горизонтальным нагрузкам. Мощный арматурный каркас и использование тяжелого бетона позволяет надёжно защитить коллектор от значительных вертикальных нагрузок. Максимально допустимая глубина засыпки плит ВП 31-12-2 не должна превышать 4 метра.
Конструктивные особенности плит с дополнительными упорами, имеющими в обозначении литеру «К», позволяют обеспечить более качественную защиту коммуникаций от проникновения грунтовой влаги. Наличие пазов для шпонки не только способствует их надёжной фиксации, но и повышает герметичность защищаемых объёмов коллектора или теплового пункта. Для повышения гидроизоляционных свойств плиты и короба снаружи может наноситься дополнительное защитное покрытие.
3. Маркировка изделия
Маркировка ВП 31-12-2 полностью характеризует бетонную плиту перекрытия:
1. ВП – верхняя плита (плита перекрытия);
2. 31 - выраженная в дециметрах длина изделия;
3. 12 - выраженная в дециметрах ширина изделия;
4. 2 - отличительная особенность, согласно Альбома ПС 312.
5. Литера «К» - наличие опорных выступов на нижней плоскости плиты перекрытия.
Также при подборе плит стоит учитывать их габаритные размеры:
Длина = 3130;
Ширина = 1200;
Высота = 260;
Вес = 2380;
Объем бетона = 0,95;
Геометрический объем = 0,9766.
4. Основные характеристики и технология изготовления
Изготовление верхних плит ВП 31-12-2 предусмотрено из тяжелого бетона класса прочности В22,5 по ГОСТ 25192-82 при морозостойкости F75 и влагостойкости W-4. Минимальная отпускная прочность бетона в изделиях должна превышать 90% зимой и 70% в тёплое время года. Для изготовления каркаса разрешено использовать арматуру классов А-I и А-III по ГОСТу 5781-82 и Bp-I по ГОСТу 6727-80.
Армирование плит ВП 31-12-2 выполняется каркасами и сетками, изготовленными методом сварки. Их пространственное объединение допускается вязальной проволокой или с использованием сварочных клещей. Соответствие геометрических размеров плит перекрытия требованиям Альбома ПС 312, обеспечивается использованием стальных форм, изготовленных согласно требованиям ГОСТа 18886-73.
Максимальное отклонение длины и ширины верхней плиты ВП 31-12-2 не может превышать 10мм от номинальной величины, а толщина и размеры выступов должны выдерживаться с точностью ±5мм. Диагонали изделия не должны отличаться более чем на 8мм. Недопустимо обнажение арматурного каркаса на любой из поверхностей плиты. Минимальная толщина защитного слоя бетона над рабочей арматурой 20мм, а над распределительной – 15мм. В бетоне плит недопустимо наличие трещин. Исключением являются усадочные трещины шириной менее 0,1мм.
5. Транспортировка и хранение
Каждая партия изготовленных и прошедших приёмку ОТК плит ВП 31-12-2, или её часть поставляемая потребителю, должны сопровождаться паспортом, оформленным согласно требованиям ГОСТ 13015.3-81. Складирование верхних плит производится в штабелях с обязательным их разделением посредством деревянных прокладок, но не более чем по 8 изделий. Запрещается совместное хранение принятых и не прошедших проверку ОТК изделий. Ширина проездов и проходов в местах складирования должна соответствовать требованиям СНиП III-4.
Допускается транспортировка плит ВП 31-12-2 железнодорожным, автомобильным и водным транспортом с обязательным соблюдением действующих на них правил. Укладка перевозимых плит должна исключать возможность их перемещения во время движения. Высота штабеля перевозимых плит не должна превышать количества ярусов, разрешённых для их хранения.

