О товаре:
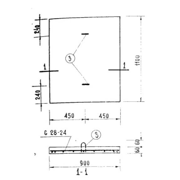
- Длинна: 1100 мм.
- Ширина: 900 мм.
- Высота: 60 мм.
- Вес: 149 кг.
- ГОСТ, Серия: Серия ИИ 03-02 скачать
- Объем бетона: 0,0594 м3
- Геометрический объем: 0,0594 м3
Стандарт изготовления изделия: Серия ИИ 03-02
Плиты плоские ПТП 11-9 представляют собой унифицированные высокопрочные строительные материалы, имеющие прямоугольную форму. Торцевые грани конструкции имеют небольшие скосы, что придают элементы в продольном сечении вид трапеции. Плиты могут не иметь скосов, исходя из требований проекта. Для удобства осуществления погрузочно-разгрузочных работ и монтажа в теле изделия заложены строповочные петли.
Применяются индустриальные плоские плиты в гражданском строительстве при возведении жилых домов и общественных зданий различного назначения. Они используются в качестве перекрытий и могут справляться с различными нагрузками, величина которых зависит от габаритных пропорций элементов. Опирание плит должно производиться на расстоянии минимум 180мм от торцов. При разработке строительных конструкций учитывались требования и рекомендации СНиП II-B.1-62. Изделия отличаются прочностью, надежностью и продолжительным эксплуатационным сроком.
Маркировочные обозначения
На поверхность строительных материалов наносятся масляной краской знаки, задача которых продемонстрировать главные особенности изделий. Они в значительной степени упрощают процедуру поиска. Совокупность символов ПТП 11-9 имеет следующую расшифровку:
1. ПТП - тип конструкции - плита плоская;
2. 11 - длина (дм);
3. 9 - ширина (дм).
На верхней грани с помощью выдавливания или краски необходимо указывать букву «В», обозначающую верх изделия. Не допускается произвольно корректировать маркировочные знаки. Дополнительно следует указывать массу конструкции, дату производства и штамп отдела технического контроля.
Особенности производства
С подробным описанием производственного процесса плоских плит ПТП 11-9 можно ознакомится в нормативном документе Серии ИИ 03-02. Изготовление должно происходить с сохранением пропорций, представленных на рабочих чертежах, поэтому рекомендуется использовать металлические опалубочные формы. Регламентом установлено осуществлять производство из бетона марки М200 по прочности на сжатие. Физико-химические свойства бетонной смеси, такие как водонепроницаемость и морозостойкость подбираются индивидуально исходя из условий климата в регионе строительства.
Для армирования конструкций используются сварные сетки, выполненные с помощью контактной точечной сварки в местах пересечения стержней. Для их производства применяется проволока класса BI, отвечающая требованиям ГОСТ 6727-53 с нормативным сопротивлением 55 кг/см2. Для изготовления строповочных петель применяется круглая сталь класса AI диаметром стержней 8-10 мм по ГОСТ 5781-61 с нормативным сопротивлением 2400 кг/см2. Мероприятия по антикоррозионной защите конструкций следует проводить в соответствии с требованиями СНиП III-B.6-62. Рекомендуется покрывать металлические закладные детали слоем цинка.
Приемосдаточные испытания готовой продукции следует производить по методам, изложенным ГОСТ 8829-58. Результаты проверок необходимо отражать в паспортах, предоставляемых заказчику с партией готовой продукции.
Транспортировка и хранение
Складирование и транспортировка плоских плит ПТП 11-9 должны осуществляться с соблюдением правил по технике безопасности и требований действующих нормативно правовых документов. Укладку следует производить в горизонтальные штабеля с обязательным использованием деревянных инвентарных подкладочных материалов, препятствующих бою конструкций между собой. Важно беречь строительные материалы от возникновения механических повреждений.

