О товаре:
- Длинна: 2700 мм.
- Ширина: 2700 мм.
- Высота: 600 мм.
- Вес: 4750 кг.
- ГОСТ, Серия: Серия 1.420-4 скачать
- Объем бетона: 1,9 м3
- Геометрический объем: 4,374 м3
Стандарт изготовления изделия: Серия 1.420-4
Капители КП 1-1-1 – это высокопрочные железобетонные элементы, прямоугольного сечения, используемые вместе с колоннами этой серии для строительства производственных многоэтажных зданий. Основная задача капителей – восприятие разнообразных нагрузок и передача их несущим элементам строения. В соответствии с назначением, продукция изготавливается из высококлассных материалов, способных обеспечить целостность и безопасную эксплуатацию строительного объекта.
1. Варианты маркировки
Представленные производителем различные марки капителей (расшифровку смотрите ниже) позволяют максимально решить задачи заказчика в реализации разнообразных проектов зданий с колоннами:
1. КП 1-1;
2. КП 1-1-1;
3. КП 1-2;
4. КП 1-2-1;
5. КП 1-3;
6. КП 1-3-1.
2. Основная сфера применения
Капители КП 1-1-1 разработаны и спроектированы для многоэтажных зданий промышленного назначения, в которых в качестве несущих элементов выступают стены и колонны, отсутствуют балки перекрытия. Такие здания востребованы предприятиями агропромышленного комплекса, производителями молочной и мясной продукции и других. Несколько универсальных типов капителей, различных по конструкции и несущей способности позволяют выполнять проекты различной сложности. Предусмотренные закладные изделия, отверстия для монтажа и коммуникаций упрощают сборку всего объекта и ускоряют сдачу в эксплуатирование. В частности, крайние капители имеют отверстия для пропуска отопительных стояков и закладные изделия для крепления со стенами.
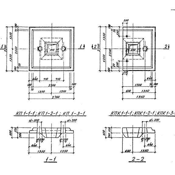
3. Обозначение маркировки
Различия в изделиях Серии 1.420-4 и их характеристиках отображаются в маркировке, которая дает представления о названии и основных показателях продукции. Буквенно-цифровые группы разделяются дефисом и означают (на примере капителей КП 1-1-1):
1. КП – капитель средняя;
2. 1 – типоразмер капители;
3. 1 – несущая способность капители;
4. 1 – номер разновидности в группе изделий, отличающихся наличием отверстий, закладных изделий, в зависимости от назначения.
Капители КП 1-1-1 имеют следующие габаритные размеры:
Длина = 2700;
Ширина = 2700;
Высота = 600;
Вес = 4750;
Объем бетона = 1,9;
Геометрический объем = 4,374.
4. Материалы изготовления и характеристики изделия
Применение высококлассных составляющих обязательно при производстве элементов, предполагающих эксплуатирование в условиях высоких нагрузок. В зависимости от особых условий – температуры, нагрузки и агрессивности среды, материалы для изготовления капителей отличаются. Бетон маркой прочности на сжатие М 300 и М 400, используемый для создания капителей, может отличаться по морозостойкости и другим характеристикам – требуемые параметры отображаются в проекте и предоставляются заказчиком. Прочность капителей КП 1-1-1 обеспечивает каркас, изготавливаемый из горячекатаной гладкой арматурной стали класса А-1 или периодического профиля класса А-111, также используется арматурная проволока. Закладные элементы производятся из стали Ст-3. Точность при изготовлении каркаса обеспечивается технологией производства. Пространственные каркасы собираются из плоских сварных каркасов и сеток, дополняются закладными изделиями на кондукторах – таким способом получают точное соединение и расположение всех элементов конструкции. После достижения бетоном отпускной прочности, капители КП 1-1-1 проходят ряд испытательных процедур, подтверждающих качество и соответствие требуемым характеристикам, маркируются, документируются и только после этого высококачественная железобетонная продукция отгружается заказчику.
5. Складирование, транспортировка и хранение
Для того, чтобы максимально сохранить свойства железобетонной продукции, полученные при изготовлении, необходимо соблюдать правила обращения с ней во время транспортирования, хранения, погрузочных работ. Бережное обращение без сбрасываний, ударов защитит поверхность от деформаций, образования трещин и сколов. Погрузка и выгрузка должна выполняться специализированной техникой. Для хранения и транспортирования, капители КП 1-1-1 укладывают на деревянные подкладки в штабели высотой до 2 метров, сортируя по маркам. Между изделиями устанавливают деревянные прокладки. Долгосрочное хранение выполняется только в складских условиях, без воздействия воды и других, агрессивных к железобетону, веществ. Для перевозок обязательно надежно фиксировать изделия, исключив сдвиги и удары – друг о друга и транспорт. Нарушение правил транспортирования и хранения может привести к порче железобетонной продукции – деформациям, снижению прочностных показателей, появлению трещин, вплоть до невозможности эксплуатирования.

