О товаре:
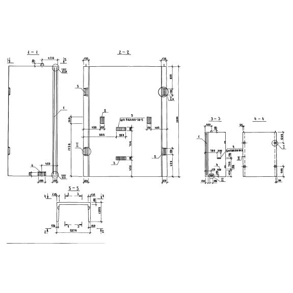
- Длинна: 2270 мм.
 - Ширина: 1300 мм.
 - Высота: 2980 мм.
 - Вес: 4280 кг.
 - ГОСТ, Серия: Серия 1.089.1-1 скачать
 - Объем бетона: 1,71 м3
 - Геометрический объем: 8,794 м3
 
Стандарт изготовления изделия: Серия 1.089.1-1
Блоки шахт лифтов БШЛ 100-30-5– укрепленные железобетонные элементы, имеющие «П» - образную форму. Конструктивная особенность данных изделий позволяет осуществлять быструю сборку лифтовых шахт высокой надежности с различными проемами и техническими отверстиями.
В совокупности с другими элементами из Серии 1.089.1-1 блоки шахт лифтов применяются для устройства шахт пассажирских и грузовых лифтов в жилых и общественных зданиях, производственных и коммерческих предприятиях. Конструкции подходят для зданий до 12 этажей в высоту. Блоки пригодны для использования в неагрессивной среде с температурой помещений от 5 до 40 градусов. Допускается применение на территориях с сейсмичностью не более 7 баллов по шкале Рихтера.
Расшифровка маркировки
На изделия наносятся маркировочные обозначения специальной несмываемой краской. Согласно Серии 1.089.1-1 значения букв и цифр для блоков шахт лифтов БШЛ 100-30-5 будут расшифровываться следующим образом:
1. БШЛ – блок шахты лифта;
2. 100 – грузоподъемность лифта в десятках килограмм;
3. 30 – высота блока;
5. 5 – порядковый номер, зависящий от высоты элемента и типа шахты.
В маркировочном обозначении возможно наличие дополнительного индекса, указывающего на расположение противовеса по отношению к кабине. Расположение справа от кабины обозначается буквой «п». При нахождении противовеса сзади буквенный индекс не ставится. При групповой установке пассажирских лифтов на конце маркировки проставляется индекс «а».
Материалы и производство
Для изготовления блоков шахт лифтов БШЛ 100-30-5 применяется тяжелый цементный бетон класса В25 по прочности на сжатие. Формовка осуществляется в опалубках с жестким сердечником и съемными наружными бортами для контроля над точностью расположения дверных проемов. Качество материалов должно обеспечиваться соблюдением технических требований и соответствовать Серии 1.089.1-1.
Арматурные каркасы свариваются в специальные блоки. В качестве основы выступает горячекатаная гладкая арматурная сталь класса AI по ГОСТ 5781-82. Монтажные петли производятся из стали марок ВСт3СП2. Для изготовления закладных элементов следует использовать полосовую сталь по ГОСТ 103-76. Металлические составляющие арматурных блоков каркаса, закладные и монтажные элементы в обязательном порядке проходят антикоррозийную обработку специальным раствором.
Партия готовых элементов в обязательном порядке проходит контрольные испытания на трещиностойкость и способность выдерживать возложенные нагрузки. Изделия, прошедшие контроль снабжаются специальными сертификатами соответствия и допускаются к отпуску.
Транспортировка и хранение
Блоки шахт лифтов БШЛ 100-30-5 допускается хранить горизонтально и в рабочем вертикальном положении. Прокладка подкладочного материала при горизонтальном хранении осуществляется под грани будущего проема на расстоянии 20 см с узкой стороны конструкции и по центру широкой. При вертикальном складировании отступ с обеих сторон составляет 15см.
Погрузка изделий для транспортировки осуществляется за монтажные петли, расположенные в верхней части конструкции. Блоки шахт лифтов должны быть надежно закреплены в автотранспортном средстве во избежание механических повреждений при транспортировке. Важно соблюдать технику безопасности на всех этапах погрузочно-разгрузочных работ для обеспечения целостности строительных элементов.

