О товаре:
- Длинна: 2990 мм.
- Ширина: 1180 мм.
- Высота: 120 мм.
- Вес: 1050 кг.
- ГОСТ, Серия: Серия 3.006.1-8 скачать
- Объем бетона: 0,42 м3
- Геометрический объем: 0,4234 м3
Стандарт изготовления изделия: Серия 3.006.1-8
Плиты днища каналов ПД 300-120-12-12 широко востребованы в строительстве вспомогательных инженерных сооружений. Эти элементы выступают и в качестве днищ каналов. Это полностью многофункциональный бетонный элемент, который изготавливается с учетом всех требований, утвержденных стандартами и ГОСТами. Чаще всего эти плиты применяют при строительстве теплотрасс, как наиболее подходящие по эксплуатационным характеристикам элементы. Изготовление производится только в заводских условиях и под строгим контролем. Плита днища каналов представляет собой бетонное изделие сплошного прямоугольного сечения. В конструкцию на стадии производства закладываются монтажные петли – тип П9, которые по условиям заказчика либо срезаются, либо загибаются. Изделия прошли жесткий контроль качества и поставляются на объект только со специальной разрешительной документацией.
1.Варианты написания маркировки.
Плиты днищ каналов ПД 300-120-12-12 включают в свое обозначение маркировку из букв и цифр (указывают тип изделия и его размерную группу), согласно действующему Регламенту Серия 3.006.1-8 может иметь несколько вариантов написания обозначения:
1. ПД 300-120-12-1,5;
2. ПД 300-120-12-12;
3. ПД 300-120-12-15;
4. ПД 300-120-12-3;
5. ПД 300-120-12-6;
6. ПД 300-120-12-9.
2. Основная сфера применения.
Плиты днища ПД служит основным элементом, который образует канал, тоннель или иное инженерное сооружение. Данное изделие – очень важная составляющая сооружения, так как предохраняет канал от обвалов грунта, попадания влаги и прочих воздействий внешней среды. Плиты данного типа могут применяться для подземной прокладки на глубину до 6 метров. Плоские изделия предназначены для установки на них лотков и перекрытий одноразмерной группы.
Обустройство канала производится с применением цементного раствора марки по прочности М50, мастики и гидрофобных составов, которые используют для герметизации швов готового сооружения. Между собой элементы свариваются при помощи стальных скоб, которые закладывают в тело плиты на стадии производства. Без каналов сложно представить себе экономичное и легкое обслуживание систем тепловых сетей и различных коммуникаций. В случае построенного канала в месте возможной аварии роется траншея, снимается перекрытие и производится требуемый ремонт. В обстановке подземной прокладки все изделия "работают" под колоссальными нагрузками.
3.Обозначение маркировки изделий.
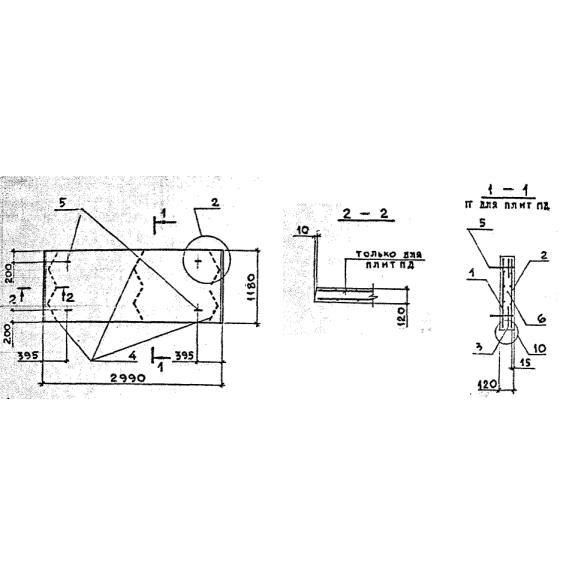
Буквенно-цифровая комбинация плит днища каналов ПД 300-120-12-12 регламентируется согласно Серии 3.006.1-8, где указывают тип бетонного изделия и его размеры. Габаритные размеры ПД 300-120-12-12 составляют 2990х1180х120 , где:
1. ПД- плита днища канала.
2. 300- длина, указывается в дц;
3. 120- ширина, указывается в дц;
4. 12- высота, указывается в дц;
5. 12 - индекс, характеризующий тип элемента по армированию ( нагрузка в тс/м2).
В обозначение плиты днища каналов ПД 300-120-12-12 входит комбинация цифр и букв, где указывают тип изделия и размеры. Данная плита имеет габаритные размеры: 2990х1180х120, где указаны длина, ширина и высота.
Дополнительно может быть указана расчетная вертикальная нагрузка, а также наличие закладных деталей. Геометрический объем изделия составляет 0,4234 , обьем бетона состовляет 0,42 , вес – 1050 . Маркировочные знаки наносят на боковые грани плиты несмываемой черной краской, также наносят дату изготовления и массу.
4. Основные материалы и характеристики.
В качестве исходных материалов применяют тяжелый бетон (класс прочности не менее чем В15-25), армированный стальными сетками и прутками. В состав вводят мелкофракционный гравийный щебень и мелкозернистый песок, а также специальные добавки – пластификаторы. Эти материалы позволяют значительно повысить эксплуатационные характеристики плит днищ каналов ПД 300-120-12-12 . Срок службы максимальный. Прочность бетона достигает высоких значений.
Выделим основные параметры, которые строго регламентированы:
1. Водонепроницаемость – марка W4;
2. Стойкость к действию экстремально низких температур – морозостойкость F300 (не менее 300 циклов полного перемораживания и последующего размораживания);
3. Трещиностойкость.
Плиты днищ ПД 300-120-12-12 "работают" под существенными нагрузками (при подземной прокладке), поэтому они должны быть дополнительно укреплены. Для этого используют стальные сетки С3-23, С3-28 и С4-1, сваренные при помощи контактно-точечной сварки, также используют пространственные каркасы из металла – тип Кр3. Армирование проводят в верхней и нижней части плиты. Сталь должна соответствовать классам А-I и A-III согласно ГОСТ 5781-82. Все металлические элементы должны быть закрыты бетонным слоем на 15 см., чтобы предотвратить развитие коррозионных процессов. Дополнительно стальные элементы обрабатывают специальными составами.
5.Транспортировка и хранение.
Плиты днищ каналов должны перевозиться в положении "на ребро", при этом все элементы прокладывают деревянными досками и надежно фиксируют. Разгрузка навалом или скидыванием не допускается. Подъем на высоту производится при помощи монтажных петель.
Хранят ПД 300-120-12-12 в штабелях, также прокладывая деревянными досками каждый слой изделий деревянными подкладками (дополнительно доски укладывают в местах монтажных петель). Общая высота штабеля не должна превышать 2,5 метра.

