О товаре:
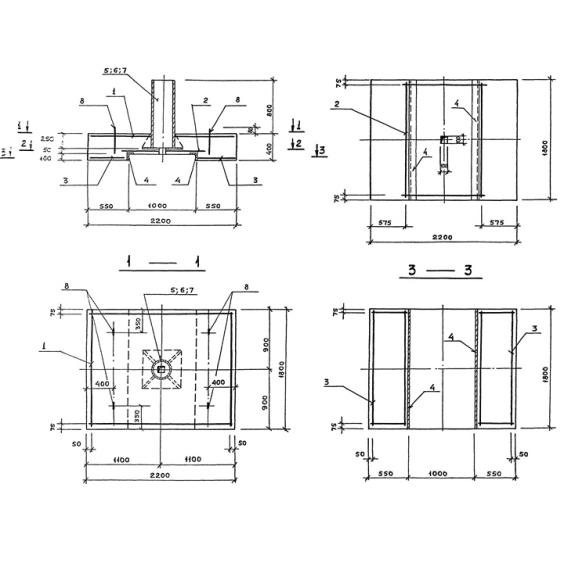
- Длинна: 2200 мм.
- Ширина: 1800 мм.
- Высота: 1200 мм.
- Вес: 3500 кг.
- ГОСТ, Серия: Серия 3.407.9-180 скачать
- Объем бетона: 1,4 м3
- Геометрический объем: 4,752 м3
Стандарт изготовления изделия: Серия 3.407.9-180
Подножник ПЖД 4 г – железобетонный элемент сборного фундамента передвижных опор линий электропередачи 6,10 и 35 кв для карьеров. Внешне подножник представляет собой плиту с металлической трубой для установки опоры. Подножники применяют с опорами следующих типов: деревянные – промежуточные, угловые, анкерные и концевые. Монтирование деревянных опор в подножник осуществляется при помощи металлических соединительных элементов. Металлические опоры крепятся с помощью болтового соединения. Данное изделие может эксплуатироваться в районах с температурой до - 40 градусов и ниже. Рабочие чертежи, особенности изготовления и использования содержит Серия 3.407.9-180.
Расшифровка маркировки
Для обозначения подножника на рабочих чертежах и проектных документах разработано маркировочное обозначение. Маркировка состоит из букв и цифр. Рассмотрим маркировку ПЖД 4 г где:
1. ПЖД – буквенное обозначение изделия;
2. 4 – типоразмер;
3. г- конструктивные особенности.
Маркировку наносят на каждое изделие краской темного цвета. Помимо маркировки прописывают дату выпуска, массу и проставляют знак завода-производителя, штамп ОТК.
Материалы и производство
Изготовление железобетонных подножников производят с соблюдением действующих государственных стандартов по производству сборного железобетона. Подножник формуется из бетона класса тяжелого В15 ГОСТ 25192-82. По морозостойкости берется марка бетона F75, для районов с расчетной температурой ниже минус 40 градусов марка бетона повышается до 100. Армирование выполняет ся сварными сетками. Сварные соединения арматурных стержней, закладных деталей выполняются в соответствии с ГОСТ 14098-91. В качестве рабочей арматуры используется сталь класса AI, AIII ГОСТ 5781-82. Для сопряжения подножника с металлическими опорами, изделие изготавливают со стальными закладными деталями, которые закладывают при бетонировании. Так же в конструкции подножника предусмотрены специальные соединительные элементы, они привариваются к закладным до бетонирования или после, важно чтобы заданное расстояние между ними строго соблюдалось. Металлические части подножника покрывают двумя слоями эмали ПФ 115 ГОСТ 6465-76, это предотвращает растрескивание и ржавление металла под воздействием окружающей среды.
Готовые изделия проверяют на качество. Проверяется соответствие расположения рабочих чертежей закладных деталей, арматуры. Контролируется защитный бетонный слой поверх арматуры. Осматривается бетонная поверхность, на ней не должно быть ржавых и маслянистых пятен, трещин шириной более чем 0,01 мм., обвалов бетона с оголением арматуры. Изделия снабжаются документом о качестве. Паспорт качества должен быть подписан лицом, ответственным за технический контроль завода - производителя.
Транспортировка и хранение
Подножники хранят на складе готовой продукции. Изделия, которые не прошли проверку и отправлены на ремонт, хранятся отдельно. Подножники следует складировать рассортированными по маркам и типоразмерам. Температурный режим хранения не предусмотрен. Изделия укладывают горизонтально в один ряд. Обеспечивается доступ для захвата и подъема каждого изделия специальной техникой. При транспортировании изделия тщательно фиксируют в кузове транспортного средства, чтобы исключить нарушение сохранности продукции. Все работы проводят с соблюдением мер предосторожности.

