О товаре:
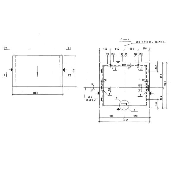
- Длинна: 1780 мм.
 - Ширина: 1980 мм.
 - Высота: 1210 мм.
 - Вес: 2250 кг.
 - ГОСТ, Серия: Серия 1.189.1-8 скачать
 - Объем бетона: 0,9 м3
 - Геометрический объем: 4,2645 м3
 
Стандарт изготовления изделия: Серия 1.189.1-8
Блоки шахт лифтов ШЛН 12-40– уникальные прямоугольные объемные конструкции, напоминающие короб по внешнему виду. Монолитность элемента позволяет в кротчайшие сроки осуществлять монтаж конструкций. Согласно Серии 1.189.1-8 в ряде блоков предусмотрены прямоугольные отверстия для будущих дверных проемов. Всего три типа конструкций: основные средние, верхние и нижние.
Железобетонные объемные блоки шахт лифтов широко применяются при возведении пассажирских лифтовых шахт с теплым верхним машинным помещением в жилых домах высотой до 9 этажей. Грузоподъемность лифтов до 400 кг, размер кабины составляет 1100х950мм, скорость движения 1 м/с. Высота этажа должна составлять 3 м. Предусмотрено использование конструкций в обычных эксплуатационных условиях и на территориях с вечномерзлыми грунтами.
Расшифровка маркировки
Для упрощения распознавания конструкций принято наносить специальные маркировочные обозначения. По Серии 1.189.1-8 приняты следующие расшифровки для блоков шахт лифтов ШЛН 12-40:
1. ШЛ – блок лифтовой шахты;
2. Н – положение в проекте (С – средний (основа); Н – нижний; В – верхний);
3. 12 – высота блока;
4. 40 – грузоподъемность лифта.
На наружных боковых поверхностях несмываемой масляной краской необходимо наносить риски геометрических осей блоков. Элементы, обозначенные стрелочкой, направленной вверх, отличаются гладкой поверхностью, предназначенной под окраску.
Материалы и производство
Изготовление осуществляется в металлических формах в рабочем положении. Используется тяжелый бетон класса В15. Показатель морозостойкости должен быть не меньше F50.
В качестве армирования используются стальные сетки из проволоки класса Bp-I по ГОСТ 6727-80 и AIII по ГОСТ 5781-82. Для производства закладных применяется сталь марок ВСт3ПС6 и ВСт3ПС2. Имеющиеся у элементов монтажные петли выполнены из высокопрочной стали класса AI марок ВСт3ПС2. Не рекомендуется производить установку изделий в зимнее время при температуре менее -40 градусов. Сборка элементов реализуется с применений контактной точечной сварки. Дуговая сварка не разрешается. Разрешается применение вязальной проволоки. Сварочные работы необходимо организовывать в соответствии с СН 393-78.
Согласно с требованиями типовых проектов, допускается отсутствие закладных элементов для конструкций, закрепление которых при монтаже осуществляется на распорные дюбеля.
Предел огнестойкости конструкций не менее 1 часа. На нижние блоки в обязательном порядке требуется наносить специальное гидроизоляционное покрытие, согласно СНиП II-28-73 и конкретным условиям эксплуатации.
В обязательном порядке должен проводиться контроль на всех стадиях технологического процесса. Все контрольные испытания и проверки на соответствие ключевым характеристикам должны удовлетворять ГОСТ 17538-82.
Транспортировка и хранение
Транспортировка возможна в автотранспортных средствах и железнодорожных составах. Подъем должен осуществляться при помощи самобалансирующих траверс, исключающих перекос конструкций. В качестве опоры для элементов следует использовать деревянные подкладки.
Хранение блоков шахт лифтов ШЛН 12-40 осуществляется на заранее подготовленной ровной поверхности. Укладка производится в горизонтальное рабочее положение. Средние лифтовые блоки необходимо хранить строго в одном ряду, нижние и верхние допускается хранить в два ряда с подкладками шириной 30 мм. Важно обеспечить защиту конструкций от любых механических повреждений. Необходимым условием работы с железобетонными блоками является полное соблюдение всех требований по техники безопасности на всех этапах погрузочно-разгрузочных работ.

