О товаре:
- Длинна: 1720 мм.
 - Ширина: 100 мм.
 - Высота: 780 мм.
 - Вес: 333 кг.
 - ГОСТ, Серия: Серия ИИ 03-02 скачать
 - Объем бетона: 0,133 м3
 - Геометрический объем: 0,1342 м3
 
Стандарт изготовления изделия: Серия ИИ 03-02
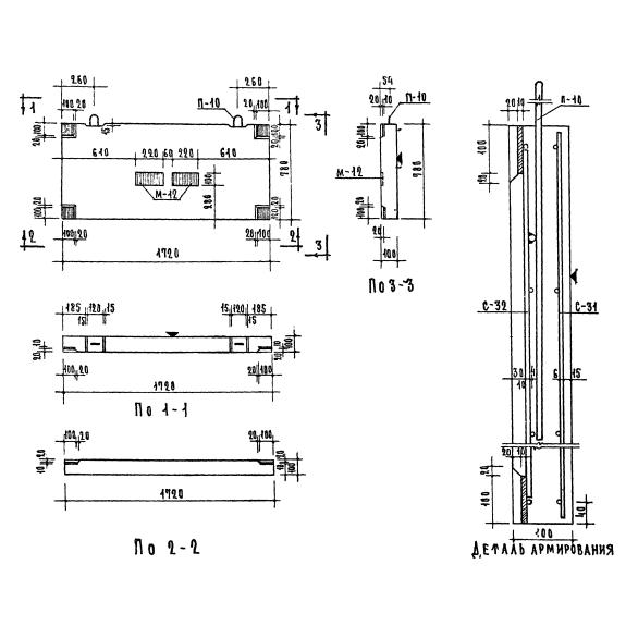
Стенки шахт лифта СЛ 5 а представляют собой прямоугольные высокопрочные строительные материалы. Конструкция имеет на поверхности большое количество закладных деталей, необходимых для крепления смежных элементов и лифтового оборудования. В нормативном документе Серии ИИ 03-02 запроектированы также элементы с проемом.
Применяются стенки шахт лифтов при строительстве жилых зданий и общественных сооружений различного назначения. Они используются в качестве основных стеновых элементов, необходимых для обустройства лифтовой шахты, оборудованной подъёмным механизмом для комфортного перемещения людей между этажами и транспортировке грузов. Конструкции отличаются высокой прочностью, долговечностью и качеством поверхностей.
Маркировочные обозначения
Нанесение маркировочных знаков облегчает поиск нужных строительных материалов. Они отражают ключевые особенности и наносятся масляной водостойкой краской. Совокупность символов СЛ 5 а имеет следующую расшифровку:
1. СЛ - тип конструкции - стенка шихт лифта;
2. 5 - порядковый номер типоразмера изделия.
Не допускается изменять маркировочные знаки. Дополнительно могут отражаться масса, дата производства и штамп отдела технического контроля. Плоскости, помеченные на рабочих чертежах стрелочкой, должны иметь ровную и гладкую поверхность, подготовленную под окраску.
Особенности производства
С подробным описанием производственного процесса стенок шахт лифта СЛ 5 а можно ознакомиться в нормативном документе Серии ИИ 03-02. По условиям регламента изготовление должно осуществляться в стальных опалубочных формах для гарантии сохранения геометрических пропорций, представленных на рабочих чертежах. В качестве главного материала рекомендуется использовать бетон марки М200. Показатели морозостойкости и водонепроницаемости следует подбирать, обговорив с заказчиком под каждый конкретный случай отдельно исходя из условий климата.
Армируются конструкции сварными сетками, собираемыми с помощью контактной точечной электросварки. Для их производства следует использовать сталь класса AI по ГОСТ 5781-61 с нормативным сопротивлением 2400 кг/см2 и проволоку класса BI по ГОСТ 6727-53 с нормативным сопротивлением 4500-5500 кг/см2. Для производства строповочных петель следует использовать сталь класса AI. Монтажные петли после установки конструкции срезаются. Закладные детали должны изготавливаться из полосовой стали по ГОСТ 103-57. Обязательна обработка металлических составляющих противокоррозионными составами, продлевающими эксплуатационный срок и соблюдение величины защитного бетонного слоя, представленного на рабочих чертежах.
После достижения отпускной прочности изделия направляются на приемосдаточные испытания. Результаты проверок отражаются в сертификатах, предоставляемых потребителю вместе с партией готовой продукции. Качество лицевых поверхностей следует сверять с требованиями ГОСТ 13015. Некондиционные изделия должны отбраковываться и складироваться отдельно.
Транспортировка и хранение
Складирование и транспортировка стенок шахт лифтов СЛ 5 а должны осуществляться с безукоризненным соблюдением правил и норм по технике безопасности и рекомендаций действующих нормативно правовых документов. Укладку следует производить по специальным схемам, препятствующим возникновению механических повреждений. Для осуществления погрузочно-разгрузочных работ необходимо использовать специализированную технику, оснащенную захватными механизмами, обеспечивающими равномерное распределение нагрузки в стропах.

