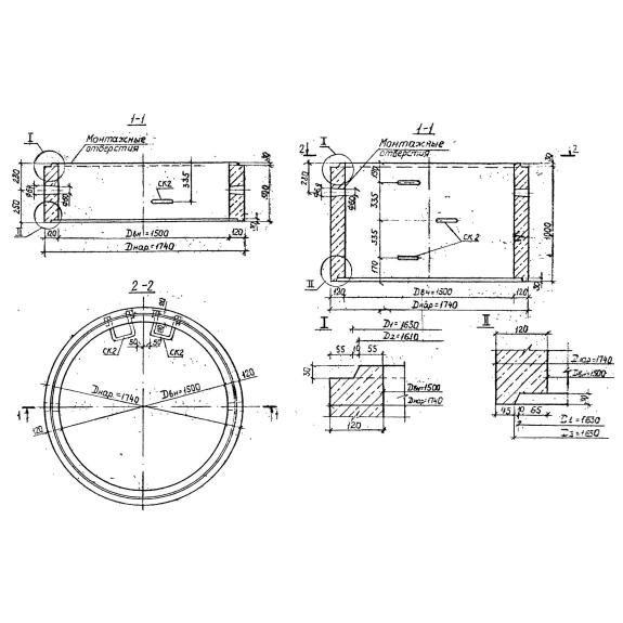
О товаре:
- Длинна: 1740 мм.
- Ширина: 1740 мм.
- Высота: 500 мм.
- Вес: 730 кг.
- ГОСТ, Серия: Альбом ПС 334 скачать
- Объем бетона: 0,304 м3
- Геометрический объем: 1,5138 м3
Стандарт изготовления изделия: Альбом ПС 334
Кольца колодцев К 15-5 и (ПС 334) – это главные составные элементы железобетонных горловин смотровых колодцев. Конструкция горловины предполагает последовательное соединение нескольких колец. Для максимальной герметичности и безопасности инженерного сооружения ЖБ кольца делают прочными и стойкими к любым возможным внешним воздействиям. Технически они представляют собой массивные полые элементы конической формы. Применяются вместе с опорными плитами и плитами перекрытия соответствующего размера. Широко используются для постройки дождеприемных и водосточных колодцев, смотровых камер инженерных коммуникаций и проведения канализации. Кольца К 15-5 и (ПС 334) спроектированы таким образом, чтобы с их помощью можно было сооружать как линейные, так и поворотные колодцы и горловины с присоединениями.
Расшифровка маркировки изделия
Маркирование – обязательный этап выпуска любого типового железобетонного элемента. Кольца колодцев К 15-5 и (ПС 334) маркируют по общепринятой буквенно-цифровой системе. Их марка расшифровывается следующим образом:
1. К – кольцо горловины;
2. 15 – внутренний диаметр в дм;
3. 5 – высота в дм.
Помимо марки на готовом железобетонном изделии должна стоять дата изготовления, штамп завода-производителя и подтверждение об удачном прохождении приемо-сдаточных испытаний. Обозначения наносятся прямо на бетонную поверхность по официально одобренным шаблонам. Они должны хорошо просматриваться при хранении и перевозке.
Основные характеристики и изготовление
Основным нормирующим документом по выпуску колец горловин К 15-5 и (ПС 334) является Альбом ПС-334. Согласно этому регламенту изделия следует изготавливать на специализированных заводах из тяжелого бетона марки В22,5 по прочности. При этом бетон также должен соответствовать высоким стандартам стойкости и долговечности, поэтому его марка по водонепроницаемости – W6, а по морозостойкости – F100. Высокие требования предъявляются и к армирующим элементам. Так, кольца армируют сварными сетками и каркасами из стали классов А-І и А-ІІІ. Соединение между металлическими элементами осуществляется с помощью надежной контактно-точечной сварки. Кроме того все стальные детали проходят тщательную антикоррозийную обработку.
Для максимально точного соответствия проектным размерам, кольца горловин изготавливают в специальных опалубках нужной формы. Сначала там фиксируют металлический каркас, а затем подают бетонную смесь, которая должна покрыть стальную основу равномерным защитным слоем. Готовность к эксплуатации данных изделий определяется уровнем их прочности: в летний период она должна составлять не менее 70% от указанной в проекте, а в зимний период – не менее 90%. Поверхность готового изделия должна быть ровной и гладкой, без трещин, сколов, недопустимых наплывов или раковин. Данные показатели проверяются в ходе заключительных приемочных испытаний. Только после этого партию колец отправляют на склад или на строительный объект заказчика.
Транспортировка и хранение
Кольца колодцев К 15-5 и (ПС 334) хранят в рабочем вертикальном положении. Их устанавливают штабелями в два яруса, прокладывая при этом деревянными досками. Складировать такие строительные материалы предписывается на закрытых площадках с подготовленной основой. Погрузка и разгрузка осуществляется за монтажные петли посредством специализированной подъемной техники. Перевозят изделия комплектно, вместе с другими составляющими, необходимыми для установки смотрового колодца. При этом каждый отдельный элемент тщательно закрепляется в кузове грузового транспорта.

