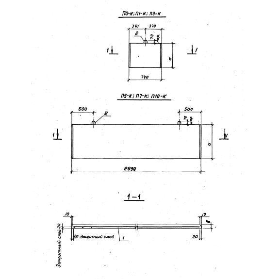
О товаре:
- Длинна: 740 мм.
- Ширина: 330 мм.
- Высота: 50 мм.
- Вес: 30 кг.
- ГОСТ, Серия: Серия 3.900.1-12 скачать
- Объем бетона: 0,012 м3
- Геометрический объем: 0,0122 м3
Стандарт изготовления изделия: Серия 3.900.1-12
Плита перекрытия лотка П 0 к представляет собой прямоугольную железобетонную плиту. Относятся такие плиты к элементам лотков, запроектированных для транспортирования сточных вод, и обеспечения обычного диапазона пропускных способностей лотков канализационных систем. Регламентировано использовать данные строительные конструкции в районах с неагрессивной, слабой, средне и агрессивной средой, с однородными грунтами ненарушенной структуры или со стабилизированными насыпными грунтами. Плиты перекрытия отличаются высокой прочностью, способны выдерживать воздействия движения грунта и воды, гарантируют максимальную сохранность систем канализации, быстрый монтаж и легкость технического обслуживания коммуникаций.
Расшифровка маркировки изделия
Железобетонные конструкции обозначаются марками, которые присваиваются согласно рабочим чертежам. Марки представляют собой коды, состоят из букв и цифр, в которых зашифрованы основные характеристики конструкции и конструктивные особенности. Рассмотрим подробнее маркировку плиты П 0 к, где:
1. П - плита перекрытия лотков,
2. 0 -типоразмер,
3. к - для систем канализации.
Помимо марки на каждом принятом технологическим отделом изделии должны присутствовать: краткое наименование производителя или товарный знак, отпускной вес, дата выпуска, штамп ОТК. Надписи наносятся яркого цвета краской, устойчивой к атмосферным осадкам и ультрафиолетовым лучам.
Материалы и производство
Железобетонные плиты перекрытия лотка П 0 к надлежит изготавливать в заводских условиях с учетом всех требований и стандартов, указанных в Серии 3.900.1-12. Такие плиты выполняются из бетона класса по прочности на сжатие В15, по водонепроницаемости - W4. Марка бетона по морозостойкости принимается проектной организацией с учетом расчетной температуры в зимний период в области строительства и принимается в диапазоне от F100 до F300. В соответствии с ГОСТ 24211-80 при приготовлении бетонной смеси добавляются поверхностно - активные добавки для уменьшения водопотребности, расхода цемента, а так же улучшения основных свойств.
Армируются плиты перекрытия сварными сетками, выполненными при помощи контактной точечной сварки. В качестве арматуры запроектирована проволока класса ВрI, закладные детали из стали класса АI. Проектное положение арматурной сетки и величина защитного слоя бетона (от 15 до 20 миллиметров) достигаются установкой в опалубку прокладок необходимой толщины из цементно-песчаного раствора. Изготовителем должен быть предусмотрен комплекс мероприятий по антикоррозийной защите закладных элементов согласно СНиП 2.03.11-85.
Съем плит перекрытия лотков из опалубки осуществляется за строповочные петли при достижении бетоном 70% от проектной прочности. Готовые конструкции подвергаются контрольным испытаниям по показателям прочности, жесткости, ширины раскрытия технологических трещин, точность геометрических размеров. По итогам проверки, конструкции сопровождаются паспортами качества.
Хранение и транспортировка
Для сохранности железобетонных плит перекрытия лотков П 0 к после изготовления необходимо производить их складирование в рабочем (горизонтальном) положении в штабелях, рассортированные по типоразмеру. При хранении используются деревянные прокладки, которые устанавливаются между слоями изделий на тех же расстояниях от торцов, что и монтажные петли.
Перевозка плит перекрытия необходимо осуществлять с надежным креплением на транспорте, исключающим их опрокидывание, сдвиг, взаимное трение.

