

О товаре:
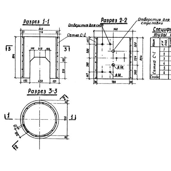
- Длинна: 840 мм.
- Ширина: 840 мм.
- Высота: 894 мм.
- Вес: 350 кг.
- ГОСТ, Серия: Альбом 819 скачать
- Объем бетона: 0,14 м3
- Геометрический объем: 0,6308 м3
Стандарт изготовления изделия: Альбом 819
Кольца колодцев стеновые К 7-9 представляют собой арматурный каркас геометрически правильной круглой формы, залитый слоем бетона. Используются для защиты колодезных ям от загрязнений вместе с железобетонной плитой перекрытия и днищем и являются одним из важнейших условий обеспечения их длительного функционирования.
Расшифровка маркировки
Стеновые кольца колодцев К 7-9 маркируются по нормативу Альбом 819, Буквами зашифровано предназначение элемента. Числами указываются диаметр и высота в дециметрах. Рассмотрим марку К 7-9:
1. К - кольцо колодезное;
2. 7 - внутренний диаметр;
3. 9 - высота.
Маркировочные обозначения указываются с наружной боковой стороны изделия темной несмываемой краской. Рядом наносятся отметки о массе кольца (в килограммах), дата изготовления, штамп производителя.
Основные характеристики и изготовление
Производство К 7-9 регулируется нормативным документом Альбом 819. На первом этапе из предварительно напряженной арматуры и стальной проволоки сечением 6-10 миллиметров изготавливается сварной опоясывающий каркас. Готовая металлическая конструкция размещается в матрице стандартных размеров, заливается раствором тяжелого бетона с классом морозостойкости от F50 и выше и для достижения необходимых параметров прочности подвергается сильной вибрации. Для облегчения монтажа в конструкции предусматриваются монтажные петли. Спустя некоторое время после прессования вибропрессом кольцо застывает и извлекается из матрицы для окончательной сушки. Для защиты от воздействия агрессивной внешней среды каждый элемент колодезного стенового кольца проходит обработку специальным составом.
Технология вибролитья в сочетании с использованием бетона самых высоких марок и прочной металлической арматуры обеспечивает кольцам превосходные эксплуатационные свойства. Стеновые кольца колодцев К 7-9 долговечны, экологически безопасны, устойчивы к воздействию влажной среды, хорошо противостоят весовым, силовым и сейсмическим типам нагрузки. Они не поддаются процессам гниения, не покрываются плесенью, без ущерба для целостности конструкции переносят резкую смену температур. Способность выполнять свои функции в любых условиях климата, на любых типах грунта делают железобетонные кольца чрезвычайно востребованными при сооружении различных подземных коммуникаций. Конструкции применяются в частном и промышленном строительстве для устройства канализационных септиков, систем водоснабжения, обустройства питьевых, газопроводных, смотровых колодезных ям. Использование готовых изделий обеспечивает очень высокую скорость и простоту монтажа. После предварительной подготовки колодца элементы последовательно укладываются друг на друга, скрепляются металлическими скобами и после заполнения цементным раствором надежно герметизируются. Срок службы колодезной ямы, обустроенной с использованием колец данного вида, измеряется десятилетиями.
Транспортировка и хранение
Перевозка колодезных стеновых колец К 7-9 производится посредством автомобильного или спецтранспорта при надлежащем уровне фиксации. Во избежание случайных повреждений во время транспортировки используются деревянные брусья толщиной не менее 100 миллиметров. Погрузка и выгрузка колец происходят методом зацепа за монтажные петли.
Хранение изделий должно выполняться в специально отведенном для этого помещении или на открытом пространстве под навесом, отдельно от железобетонных изделий другого типа. Складировать элементы необходимо строго в рабочем положении.