О товаре:
- Длинна: 4180 мм.
- Ширина: 2380 мм.
- Высота: 250 мм.
- Вес: 3220 кг.
- ГОСТ, Серия: Серия 1.165.1-12 скачать
- Объем бетона: 1,288 м3
- Геометрический объем: 2,4871 м3
Стандарт изготовления изделия: Серия 1.165.1-12
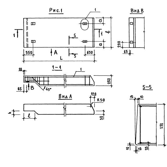
Плиты покрытий плоские ПРТ 42-24-25-15 л – индустриальный элемент прямоугольной формы. Одна из торцевых сторон плиты имеет скос, проходящий по всей величине торца. Противоположная сторона оснащена полкой, имеющей соответствующий скос с внутренней стороны. Такая конструктивная особенность позволяет производить монтаж крышной поверхности в кротчайшие сроки. В углах элемента располагаются небольшие выемки, в которых находятся подъемные петли.
Применяются плоские однослойные плиты при строительстве зданий 5-9 этажей с теплым чердаком в качестве перекрытий верхних этажей. Крупнопанельные дома, возводимые с использованием плит, отличаются долговечностью. Они способны воспринимать и выдерживать колоссальные нагрузки от снежного покрова, обеспечивая безопасность и исключая обвал. Глубина опирания элементов крыши на стены должна быть не менее 90 мм.
Расшифровка маркировки
На торцевой части в обязательном порядке наносятся буквенно-цифровые обозначения. Согласно Серии 1.165.1-12маркировочные знаки для плоской плиты покрытия ПРТ 42-24-25-15 л обозначают:
1. П – плита покрытия;
2. Р – рулонная кровля;
3. Т – применять в зданиях с теплым чердаком;
4. 42 – длина;
5. 24 – ширина;
6. 25 – толщина;
7. 15 – вес снегового покрова (150 кгс/м2);
8. л – в изготовлении применялся легкий бетон или керамзитобетон.
Обозначения должны удовлетворять требованиям ГОСТ 23009-78.
Материалы и производство
В качестве базиса при производстве плоских плит покрытия ПРТ 42-24-25-15 л используется керамзитобетон марки М100. Его плотность должна составлять 1200 кг/м3. Согласно Серии 1.165.1-12 формовка производится в горизонтальном положении. Защитный слой бетона до низа рабочей арматуры принят 20 мм. Любые отклонения недопустимы, соответствие параметров следует проверять по ГОСТ 17077-71.
Арматурная сталь периодического профиля является главным составным элементом плоских каркасов. Для производства используются класс AIII по ГОСТ 5781-82 и проволока Bp-I по ГОСТ 6727-80. Строповочные петли производятся из класса AI. Обязательна обработка металлических составляющих антикоррозийным составом.
Для верхних панелей предусмотрена прокладка кровельного материала, обеспечивающего однослойную гидроизоляцию. Предел огнестойкости плит составляет 1 час, в соответствии с требованиями СНиП II-2-80. Готовые изделия разрешаются к отпуску только при достижении прочности в 95%.
Изделия в обязательном порядке проходят контрольные испытания на трещеностойкость, прочность и жесткость, согласно требованиям ГОСТ 8829-77.
Транспортировка и хранение
Транспортировка изделий осуществляется в горизонтальном положении продольной осью по направлению движения. Между изделиями обязательно требуется укладывать деревянные подкладки, минимизирующие трения и способствующие сохранению целостности конструкции. Погрузка и разгрузка производятся за четыре монтажные петли, расположенные в теле плоской плиты покрытия ПРТ 42-24-25-15 л.
Для хранения конструкций необходимо обеспечить ровную песчаную основу. Укладка допускается в штабеля с высотой не более двух метров. Обязательна прокладка подкладочных брусков из плотного материала с толщиной от 3 см. Панели должны быть рассортированы, согласно маркировочным обозначениям. Подъезд для автотранспортных средств должен быть доступен, обеспечивая быструю погрузку и перевозку изделий на строящийся объект. Правила ГОСТ 13015-2012 и техники безопасности при транспортировке и хранении должны соблюдаться в полной мере.

