О товаре:
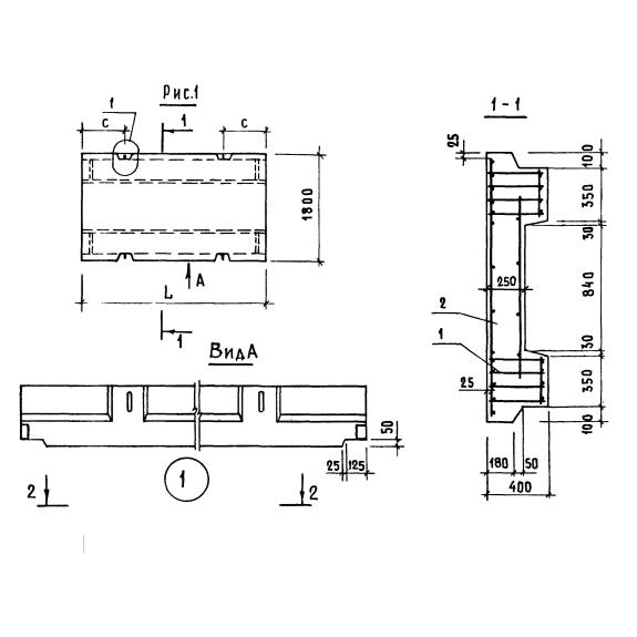
- Длинна: 2980 мм.
- Ширина: 1800 мм.
- Высота: 400 мм.
- Вес: 2260 кг.
- ГОСТ, Серия: Серия 1.165.1-12 скачать
- Объем бетона: 0,916 м3
- Геометрический объем: 2,1456 м3
Стандарт изготовления изделия: Серия 1.165.1-12
Плита лотковая ЛРТ 30-18-40-15 ла – высокопрочное изделие, имеющее «П»-образную форму в поперечном сечении. Основной корпус конструкции имеет вид прямоугольника с небольшими выемками. Характерной особенностью данных изделий является наличие сплошных ребер, проходящих вдоль всей плиты. Благодаря им, изделие обладает двойной функциональностью – перекрытие верхних этажей крыш и осуществление водосброса осадков.
Элементы лотковых плит широко используются при возведении крупнопанельных жилых домов с 5-9 этажами, оборудованных теплым чердаком, в качестве водосбросных конструкций крыши. Они пригодны для применения в районах с обычными геологическими условиями, в климатических зонах с температурой не ниже -40. Благодаря своей конструкции изделия способны выдерживать снеговой покров, вес которого составляет 150 кгс/м2. Лотковые плиты разрешается использовать при возведении зданий с большим и малым шагом поперечных несущих стен.Опирание на стены должно осуществляется на глубину не менее 90 мм.
Расшифровка маркировки
На изделие наносятся специальные обозначения. Их использование упрощает процесс ориентирования и сортировки готовых изделий на складе. Согласно Серии 1.165.1-12 водосбросные лотки ЛРТ 30-18-40-15 ла имеют расшифровку:
1. Л – водосбросный лоток;
2. Р – используется в зданиях с рулонной кровлей;
3. Т – для зданий с теплым чердаком;
4. 30 – длина;
5. 18 – ширина;
6. 40 – толщина;
7. 15 – вес снегового покрова (150 кгс/м2);
8. л – из легкого бетона или керамзитобетона;
9. а – индекс, указывающий на наличие водоприемной воронки.
Маркировочное обозначение обязано разборчиво прописываться несмываемой краской на торцевой поверхности элементов. Должно удовлетворять требованиям, изложенным в ГОСТ 23009-78.
Материалы и изготовление
Производство лотковых плит ЛРТ 30-18-40-15 ла осуществляется из керамзитобетона плотной структуры М100 по рабочим чертежам Серии 1.165.1-12. Формовка происходит в горизонтальном положении. Точность геометрических размеров и полный перечень материалов должны соответствовать требованиям ГОСТ 17077-71. Марка по морозостойкости подбирается из условий конкретного проекта, но с полным соответствием СНиП II-21-75.
В качестве армирования используются сварные пространственные каркасы. Допускается применение вязаных каркасов. Класс арматуры AIII по ГОСТ 5781-82. Проволока класса Bp-I по ГОСТ 6727-80. Выемки в теле изделия необходимы для установки строповочных петель из стали класса AI. Все элементы свариваются между собой электросваркой.
Верхняя поверхность каждой плиты в обязательном порядке подлежит гидроизоляционной обработке. Осуществляется накладка кровельного материала на специальной мастике. Элементы, используемые для покрытия крыш, относятся к третьей категории трещиностоойкости. Допускается эксплуатация конструкций с трещинами, если ширина их раскрытия не превышает 0,3 мм.
Хранение и транспортировка
Все готовые к отпуску водосбросные лотковые плиты ЛРТ 30-18-40-15 ла должны быть правильно рассортированы. Основное условие хранения – закрепление панелей в рабочем положении. Укладка штабелей не должна превышать в высоту двух метров и осуществляется на заранее выровненную поверхность. Между конструкциями необходимо прокладывать деревянные подкладки с толщиной сечения не менее 3 см. Располагать подкладки необходимо вертикально друг над другом.
Комплекс погрузочно-разгрузочных работ осуществляется за монтажные петли. Изделия для транспортировки должны быть тщательно закреплены в кузове. Обязательно наличие деревянных подкладок.

