О товаре:
- Длинна: 900 мм.
- Ширина: 1000 мм.
- Высота: 3590 мм.
- Вес: 6320 кг.
- ГОСТ, Серия: Серия 0-221-84 скачать
- Объем бетона: 2,53 м3
- Геометрический объем: 3,231 м3
Стандарт изготовления изделия: Серия 0-221-84
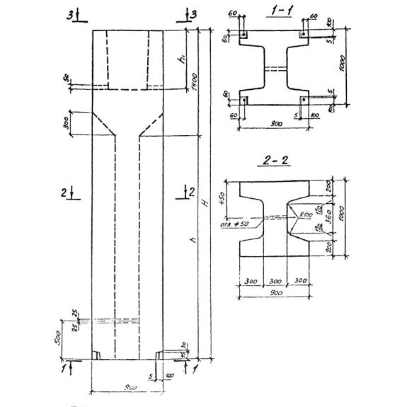
Блоки-стаканы верхние ВБ 9-10-36-1–прямоугольные изделия с двутавровым поперечным сечением. В верхней части конструкций располагается отверстие, предназначенное для последующей установки колонны.
Унифицированные блоки стаканы верхние широко применяются в современном строительстве при возведении промышленных зданий и общественных сооружений. Изделия используются в качестве фундаментов под колонны совместно с другими железобетонными конструкциями, запроектированными в Серии 0-221-84, и отличаются устойчивостью к агрессивным средам, надежностью и продолжительным эксплуатационным сроком. Высокая прочность элементов дает возможность применять конструкции в качестве опоры для ригелей и сборно-монолитных перекрытий. Изделия предназначены для использования в грунтах с расчетным давлением 0,7 МПа (7кгс/см2). Элементы запроектированы на эксплуатацию в обычных инженерно-геологических условиях. Засыпку следует выполнять с соблюдением требований СНиП III-8-76.
Расшифровка маркировки
Для упрощения поиска необходимых элементов применяются специальные маркировочные обозначения из цифр и букв. Они упрощают сортировку и ориентирование в номенклатурном ряду. Совокупность символов ВБ 9-10-36-1 имеет следующую расшифровку:
1. ВБ – тип конструкции – блок - стакан верхний;
2. 9 – длина;
3. 10 – ширина;
4. 36 – высота;
5. 1 – типоразмер сечения колонны, заделываемой в стакан.
В конце маркировочного обозначения могут прописываться буквенные индексы. При наличии «с» подразумевается, что изделие применяется для опирания стальных колонн. При присутствии «к» имеется в виду наличие консолей, предназначенных для опирания ригелей и фундаментных балок.
Материалы и производство
Подробное описание всех этапов производства верхних блоков-стаканов ВБ 9-10-36-1 содержится в Серии 0-221-84. Изделия изготавливаются по стендовой технологии. В качестве основного материала выступает тяжелый бетон марки М300 по прочности на сжатие. Производство бетона следует осуществлять на естественных заполнителях из твердых горных пород. Марки бетона по водонепроницаемости и морозостойкости подбираются индивидуально под каждый типовой проект.
Высокая прочность конструкций обеспечивается входящим в состав армированием. Оно выполняется из горячекатаной стали классов AI и AIII по ГОСТ 5781-82. Армирование производится пространственными каркасами, состоящими из сеток и отдельных стержней. При эксплуатации конструкций в агрессивных средах с наличием грунтовых вод рекомендуется обеспечить надежную защиту от коррозионных образований по рекомендациям, прописанным в СНиП II-28-73.
После достижения отпускной прочности элементы отправляются на контрольные испытания. Осуществляется оценка прочности и проверка качества бетонных поверхностей. Наличие дефектов не допускается. Прошедшие приемо-сдаточные испытания конструкции снабжаются необходимой документацией.
Транспортировка и хранение
Складирование и транспортировка железобетонных верхних блоков-стаканов должны осуществляться в горизонтальном положении плашмя высотой в один ряд. Обязательно наличие деревянных подкладок. Их необходимо размещать на расстоянии 500 мм от торцов. Если укладка блока производится на боковую сторону, то подкладочный материал необходимо размещать на расстоянии 1000 мм от торцов. Важно беречь изделия от возникновения любых механических повреждений. Подъем конструкций необходимо производить с помощью траверс и захватов за два отверстия, размещенных на боковых гранях.

