

О товаре:
- Длинна: 2400 мм.
- Ширина: 3900 мм.
- Высота: 800 мм.
- Вес: 10000 кг.
- ГОСТ, Серия: Серия 0-221-84 скачать
- Объем бетона: 4 м3
- Геометрический объем: 7,488 м3
Стандарт изготовления изделия: Серия 0-221-84
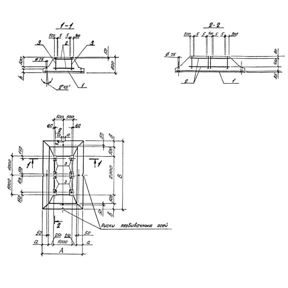
Плиты фундаментные Ф 4-11-24 – высокопрочные железобетонные изделия прямоугольной формы с трапециевидным поперечным сечением.
Уникальные фундаментные плиты применяются при строительстве производственных зданий и общественных сооружений. Конструкция является частью сборного фундамента под колонны и используется совместно с другими элементами, запроектированными по Серии 0-221-84. Главной отличительной чертой изделий выступает способ формования – в горизонтальных формах с раскрывающимися бортами. Это способствует максимальному укрупнению элементов с исключением стыков по высоте, а также упрощает уплотнение бетона, его укладку и саму конструкцию. Плиты необходимо устанавливать на песчано-гравийную подготовку с ориентацией большего размера в направлении действия наибольшего изгибающего момента. Далее монтируются верхние блоки (при необходимости промежуточные блоки), имеющие стаканы для колонн. Изделия отличаются высокой прочностью и долговечностью, что делает их эффективными строительными материалами для основания производственных предприятий. Конструкции рассчитывались с учетом требование СНиП II-6-74 и подходят для обычных инженерно-геологических условий.
Расшифровка маркировки
Условные маркировочные обозначения были специально разработаны для упрощения поиска и сортировки конструкций на территориях складских помещений. Знаки наносятся несмываемой масляной краской и состоят из цифр и букв, отражающих ключевую информацию. Совокупность символов Ф 4-11-24 имеет следующую расшифровку:
1. Ф – тип конструкции – плита фундамента;
2. 4 – типоразмер по верху;
3. 11 – типоразмер по подошве;
4. 2 – типоразмер по высоте;
5. 4 – порядковый номер несущей способности.
Допускается наличие перед буквами цифровых индексов, отражающих используемые закладные детали: 1 – МН 1, 2 – МН 2.
Материалы и производство
Процесс производства подробно расписан в Серии 0-221-84. Главный материал – тяжелый бетон марок М200 и М300 по прочности на сжатие. Водонепроницаемость и морозостойкость зависят от условий конкретного типового проекта. Важно обеспечить нормируемую величину защитного бетонного слоя для продления эксплуатационного срока конструкций.
Изделия армируются плоскими сетками, выполненными в соответствии с требованиями ГОСТ 23279-78 из горячекатаной стержневой стали класса AIII по ГОСТ 8157-82. При наличии агрессивных по отношению к бетону грунтовых вод следует обеспечить дополнительную антикоррозионную и гидроизоляционную защиту конструкций в соответствии с требованиями СНиП II-28-73.
Геометрические пропорции элементов должны соответствовать заявленным величинам, представленным на рабочих чертежах Серии 0-221-84. На поверхности конструкций не должно быть дефектов и оголенного армирования. После прохождения приемо-сдаточных испытаний изделия снабжаются специальными паспортами качества с результатами проверок.
Транспортировка и хранение
Перевозка и складирование фундаментных плит Ф 4-11-24 должны осуществляться в горизонтальном положении в один ряд. Деревянные подкладки, размещаемые под конструкциями, должны укладываться на расстоянии 200-400 мм от края изделия.
Для осуществления подъёма в теле элемента предусмотрены четыре конических отверстия. При осуществлении погрузки и разгрузки следует применять специализированную технику, траверсы и захватные устройства. Важно соблюдать меры предосторожности.