О товаре:
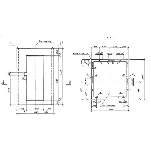
- Длинна: 1780 мм.
- Ширина: 1930 мм.
- Высота: 2780 мм.
- Вес: 4550 кг.
- ГОСТ, Серия: Серия 1.189.1-9 скачать
- Объем бетона: 1,82 м3
- Геометрический объем: 9,5504 м3
Стандарт изготовления изделия: Серия 1.189.1-9
Блок шахты лифтов ШЛС 28-32 (1.189.1-9) представляет собой объемную прямоугольную полую железобетонную конструкцию, которая является важной частью сборных унифицированных пассажирских шахт лифтов жилых домов. Номенклатурный список блоков включает в себя изделия для строительства лифтовых шахт с грузоподъемностью от 320 до 630 килограмм, со скоростью движения кабины 0,71 и 1,0 м/с, с различным расположением противовеса относительно кабины, для зданий 10-17 этажей. Более подробная информация по условиям эксплуатации прописана в нормативном документе изготовления. В зависимости от положения по высоте шахты, блоки подразделяются на нижние, средние и верхние, которые имеют конструкционные различия в виде проемов, закладных деталей для соединения конструкций друг с другом и крепления оборудования.
Блоки ШЛС 28-32 (1.189.1-9) отличаются своей прочностью и надежностью, тем самым обеспечивают безопасность и долговечность при эксплуатации всему сооружению лифтовых шахт. Регламентировано их применять в районах с обычными условиями для строительства. Предел огнестойкости блоков составляет один час.
Расшифровка маркировки
Марка железобетонных блоков состоит из буквенных и числовых индексов, образующих несколько групп обозначения, в которых кратко записана основная информация об изделии. При рассмотрении ШЛС 28-32 (1.189.1-9) можно узнать, что:
1. ШЛС - средний блок лифтовой шахты;
2. 28 - высота (дм);
3. 32 - грузоподъемность лифта (десятки кг).
При помощи штампования на внутренней поверхности блока, расположенной сзади кабины лифта указываются: марка блока и производителя, дата выпуска, печать ОТК.
Материалы и производство
Документом, в котором прописаны требования и рекомендации к выпуску блоков лифтовых шахт ШЛС 28-32 (1.189.1-9), является Серия 1.189.1-9. Основной материал для производства блоков - это тяжелый бетон с классами по прочности на сжатие В12,5, В15. Состав бетонной смеси, способы уплотнения, режимы термовлажностной обработки, должны обеспечивать получение бетона предусмотренных марок.
Армирование представляет собой внедрение в толщу бетона металлических элементов и, за счет восприятия растягивающих напряжений, значительно увеличивает несущую способность конструкций. Армируются ШЛС 28-32 (1.189.1-9) пространственными блоками, которые собираются на специальных кондукторах из плоских сеток и каркасов. Сетки выполняются из проволоки ВрI, каркасы - из слали класса АIII и проволоки ВрI, закладные детали - из полосовой стали и прокатных уголков ВСт3пс6. С особой точностью должна проводиться фиксация в опалубке закладных деталей, предназначенных для установки направляющих кабины, противовеса, дверей шахты.
Готовые блоки проходят приемочный контроль. Методы контроля должны соответствовать ГОСТ 17538-82.
Транспортировка и хранение
Для того чтобы сохранить в пригодном состоянии для монтажа блоки лифтовых шахт ШЛС 28-32 (1.189.1-9) следует их складировать и перевозить в рабочем положении с опорой на инвентарные прокладки. Размеры прокладок должны гарантировать прочность и устойчивость конструкций.
Подъем конструкций требуется выполнять специальным транспортом за предназначенные для этого петли с соблюдением техники безопасности.
Транспорт для перевозки блоков должен быть оборудован опорными и крепежными приспособлениями, надежно фиксирующими конструкции для предотвращения их смещения, трения, опрокидывания.

