О товаре:
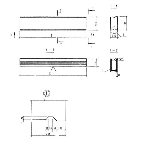
- Длинна: 2370 мм.
 - Ширина: 590 мм.
 - Высота: 350 мм.
 - Вес: 340 кг.
 - ГОСТ, Серия: Серия 1.165.1-10 скачать
 - Объем бетона: 0,46 м3
 - Геометрический объем: 0,4894 м3
 
Стандарт изготовления изделия: Серия 1.165.1-10
Панель покрытия П 24-6-35-3 я представляет собой однослойную сплошную прямоугольную конструкцию, нижняя поверхность которой ровная, гладкая, подготовленная к дальнейшей декоративной отделке. Нормативным документом изготовления предусмотрены панели из ячеистого бетона толщиной 300 и 350 мм. Такие конструкции рассчитаны на нагрузки (не считая собственного веса) 200 и 300 кгс/м2. Основное их предназначение - формирования межэтажного пространства в жилых зданиях и сооружениях общественного назначения с шагом несущих стен 2,3-6,3 метра.
Согласно СНиП II—80 панели П 24-6-35-3 я относятся к группе несгораемых конструкций, предел их огнестойкости составляет 2,57 часа.
Расшифровка маркировки
Условно обозначаются панели покрытия марками, в которых в виде цифровых и буквенных кодов кратко указана основная информация об изделии. Маркировка П 24-6-35-3 я означает, что:
1. П - панель покрытия;
2. 24 - длина;
3. 6 - ширина;
4. 35 - высота;
5. 3 - несущая способность;
6. я - автоклавный ячеистый бетон.
Габаритные размеры указываются округленные до целого числа в дециметрах.
На всех принятых отделом технического контроля железобетонных изделиях наносятся маркировочные обозначения, содержащие в себе: марку изделия, товарный знак завода-производителя, дату изготовления, печать ОТК. Надписи штампуются на видимой поверхности панели при складировании специальной краской, стойкой к истиранию, атмосферным осадкам и ультрафиолетовым лучам.
Материалы и производство
Документом, в котором закреплены требования и стандарты к изготовлению панелей покрытия П 24-6-35-3 я, является Серия 1.165.1-10. За основу данных конструкций берется автоклавный ячеистый бетон с маркой по прочности на сжатие В25, с маркой по морозостойкости - не менее Мрз35. Ячеистый бетон обладает высокими теплоизоляционными показателями, но недостаточно прочный из-за большой пористости, именно поэтому его подвергают автоклавной обработке, которая позволяет ускорить процесс затвердевания, и получить изделия с более высокими физико-химическими показателями.
Панели покрытия армируются пространственными каркасами, собранными воедино при помощи контактно-точечной сварки из плоских каркасов и сеток. В качестве арматуры используется сталь классов АI, АIII и проволока ВрI. Сборку каркасов необходимо проводить на стеллажах с использованием шаблонов, обеспечивающих точное расположение элементов. Антикоррозийная защита стальных деталей должна выполняться согласно рекомендациям СН 279-80.
Готовые панели покрытия принимаются по результатам входного, операционного и приемочного контроля, включающие в себя испытания на прочность, жесткость, раскрытие трещин, по показателям точности линейных параметров, положения арматурных элементов.
Транспортировка и хранение
Панели покрытия П 24-6-35-3 я следует хранить на оборудованных складах. Изделия укладываются в рабочем (горизонтальном) положении в штабеля. Между рядами в штабеле устанавливаются прокладки с одинаковыми размерами по толщине, обеспечивающие изделиям устойчивость. Не допускается совместное хранение конструкций с материалами, могущими вызвать их переувлажнение, коррозию или порчу, например, с цементом, известью и прочими.
Подъем панелей покрытия надлежит осуществлять транспортом, оборудованным специальными захватами.
При перевозке автомобильным или железнодорожным транспортом должна гарантироваться конструкциям полная неподвижность, исключающая их продольный и поперечный сдвиг, смещение, опрокидывание.

