Стандарт изготовления изделия: Шифр 1481
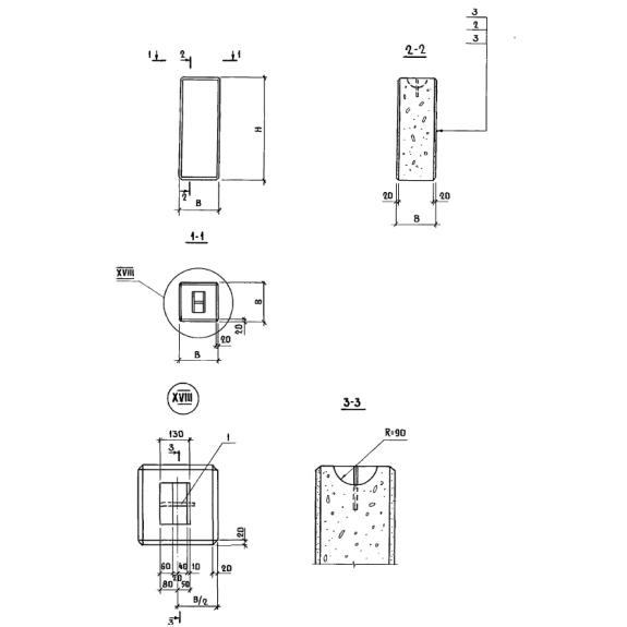
Блок угловой УБ 6-54 (Шифр 1481) представляет собой универсальное строительное изделие прямоугольной формы, которое необходимо для качественной, прочной связки каркаса. Применяется блок при строительстве зданий хранилищ плодоовощной продукции и служит в первую очередь для обустройства углов, при возведении зданий посредством стеновых панелей. Элементы запроектированы согласно Шифр 1481. Строительные изделия обладают значительной прочностью, они не только надежны, но и долговечны в эксплуатации, их допускается применять практически во всех климатических зонах.
Расшифровка маркировки
Маркировочная надпись - это специальный индекс, который состоит из букв и цифр, каждая из которых носит конкретную информацию о данном железобетонном изделии. Маркировка наносится на боковую грань строительного элемента яркой влагоустойчивой краской и обязательно указывается на рабочих чертежах. На основании Шифр 1481 рассмотрим значение маркировки УБ 6-54 (Шифр 1481):
1. УБ - тип конструкции – угловой блок;
2. 6 - высота;
3. 54 - типоразмер.
Помимо данных индексов, на индустриальном изделии прописывается номер партии, дата выпуска, наименование производителя, вес конструкции и ставят печать отдела технического контроля.
Основные характеристики и изготовление
Выпуск блоков угловых УБ 6-54 (Шифр 1481) происходит на специализированном предприятии сборного железобетона. Железобетонные изделия изготавливаются в стальной форме с соблюдением всех норм Шифр 1481. В основу строительных конструкций закладывается бетон марки М300. Марка морозостойкости и водонепроницаемости определяется индивидуально по каждому новому объекту, исходя из того в каком районе планируется строительство. Чтобы придать индустриальным элементам дополнительную прочность, они должны армироваться плоскими и пространственными каркасами из арматурной стали класса A-III. Согласно действующему нормативу, изделия снабжаются строповочными петлями и закладными деталями из стали класса A-I. Металлические детали должны пройти обработку от коррозии. Перед тем, как строительные изделия отправятся к заказчику, они должны пройти ряд очень важных и необходимых итоговых проверок на прочность, жесткость и трещиностойкость согласно СНиП II-12-77. Поверхность конструкций должна быть гладкой, без трещин и других изъянов. Отдел технического контроля особое внимание уделяют геометрическим показателям и сравнивают их с рабочими чертежами. Если заявленная партия железобетонных изделий соответсвует всем образцам, то выписывается технический паспорт, который заверяется подписью, лица, кто отвечает за все проверки. В данном документе указывают основные характеристики о сырье и ставится печать отдела технического контроля.
Транспортировка и хранение
Блоки угловые УБ 6-54 (Шифр 1481) хранят и транспортируют по тем же правилам, как и все остальные железобетонные изделия. Элементы укладывают в штабеля высотой не более двух метров, а между рядами подкладывают инвертарные прокладки. Транспортировка осуществляется грузовым транспортом, а так же на железнодорожных платформах с соблюдением правил техники безопасности. Во время перевозки весь строительный материал необходимо надежно закрепить фиксирующими механизмами. Погрузочно-разгрузочные работы проводятся при помощи специализированной техники, на заранее подготовленной территории. Качество поставляемой продукции зависит во многом от условий хранения и транспортировки. Поставщик обязан осуществлять поставку железобетонного товара вместе со всей технической документацией, касающейся конкретных изделий.

