О товаре:
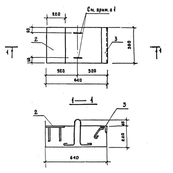
- Длинна: 640 мм.
 - Ширина: 380 мм.
 - Высота: 220 мм.
 - Вес: 95 кг.
 - ГОСТ, Серия: ТП 244-9-38.86 скачать
 - Объем бетона: 0,038 м3
 - Геометрический объем: 0,0535 м3
 
Стандарт изготовления изделия: ТП 244-9-38.86
Опорные плиты ОП 6-4 а (ТП 244-9-38.86) представляют собой прямоугольные конструкции, отличающиеся высоким качеством лицевых поверхностей.
Применяются унифицированные опорные плиты при обустройстве и благоустройстве площадок, предназначенных для навесов для игры в настольный теннис в центрах по обслуживанию летних баз отдыха на 250 мест. Конструкции служат в качестве опорных элементов для установки размещаемых над ними изделий, к которым относятся несущие балки, предназначенные для монтажа навеса. При разработке и проектировании учитывались требования действующих строительных регламентов, таких как СНиП III-19-76.
Маркировочное обозначение
Быстро найти требуемые строительные материалы под нужды того или иного типового проекта, позволяет наличие маркировочных знаков. Их ключевая задача отражение главных характеристик конструкций. Совокупность символов ОП 6-4 а (ТП 244-9-38.86) имеет следующую расшифровку:
1. ОП - тип конструкции - опорная плита;
2. 6 - длина (дм);
3. 4 - ширина (дм).
Дополнительно в конце маркировочного обозначения могут прописываться буквенные индексы, характеризующие наличие дополнительных закладных деталей в теле конструкций. Запрещено произвольно изменять маркировочные знаки ввиду того, что это может привести к возникновению ошибок при подборе строительных материалов. Дополнительно следует отражать массу, дату производства и штамп отдела технического контроля.
Особенности производства
С подробным перечнем требований к производственному процессу, а также условиями паспортизации и приемки опорных плит ОП 6-4 а (ТП 244-9-38.86) можно ознакомиться в типовом проекте ТП 244-9-38.86. Для обеспечения высокого качества готовой продукции, и сохранения точных геометрических пропорций, представленных на рабочих чертежах, производство следует осуществлять в стальных опалубочных формах. Перед заливкой бетонной смеси важно убедиться в чистоте опалубочной формы, а также нанести смазывающие вещества в виде битума, обеспечивающего легкую распалубку элемента. Главным материалом выступает тяжёлый бетон, марка которого подбирается исходя из конкретных условий типового проекта. Морозостойкость и водонепроницаемость бетонной смеси также подбираются с учетом климатических особенностей региона строительства.
Конструкции являются монолитными бетонными блоками, не имеющими в своём составе арматурных сеток и каркасов. Единственными металлическими компонентами, присутствующими в теле конструкций являются закладные детали. Для производства закладных деталей используются стальные уголки, отвечающие требованиям ГОСТ 8509-72, марки прокатный полосовой стали ВСт3кп2 отвечают требованиям ГОСТ 103-76. В качестве анкеров используется сталь классов AI и AIII по ГОСТ 5781-82. Для производства строповочных петель применяется сталь класса AI диаметром 8 мм. Сборка закладных деталей с анкерными креплениями должна осуществляться при помощи электросварки электродами типа Э42 по ГОСТ 3264-82 под слоем флюса. Электроды должны отвечать требованиям ГОСТ 9467-75. Обязательна обработка всех металлических составляющих противокоррозионными составами, продлевающими эксплуатационный срок конструкций.
Перед поставкой конечному потребителю элементы проходит ряд приемо-сдаточных испытаний, результаты фиксируются в специальных сертификатах.
Транспортировка и хранение
Складирование и транспортировка опорных плит ОП 6-4 а (ТП 244-9-38.86) должны осуществляться с соблюдением правил и норм по технике безопасности. Укладку нужно производить по специальным схемам, исключающим вероятность механических повреждений конструкций. Под нижний ряд штабеля важно обеспечить надежную опору из деревянных инвентарных подкладочных материалов. Используемые прокладки между конструкциями должны превышать величину строповочных петель минимум на 2 см. Важно надежно фиксировать конструкций в кузове транспортного средства до начала движения.

