 
                                                 
                                                                                            О товаре:
- Длинна: 5000 мм.
- Ширина: 950 мм.
- Высота: 500 мм.
- Вес: 1900 кг.
- ГОСТ, Серия: Серия 1.811.1-6с скачать
- Объем бетона: 0,74 м3
- Геометрический объем: 2,375 м3
Стандарт изготовления изделия: Серия 1.811.1-6с
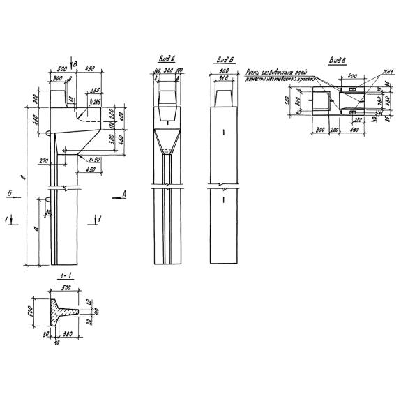
Сваи таврового сечения СТ 50-5-1 с (1.811.1-6с) относятся к группе строительных материалов обладающих высокой прочностью. Конструкция имеет форму вытянутой балки, с рядом характерных особенностей, выраженных в тавровом поперечном сечении, а также наличие консоли на верхнем торцевом конце. Консоль имеет выступы и углубления, необходимые для крепления рамы. В верхней консоли присутствует отверстие - шпонка предназначенная для применения в конструкции с монолитной железобетонной шайбой. Применяются унифицированные сваи таврового сечения при строительстве различных сельскохозяйственных зданий, возведение которых осуществляется в сейсмически активных районах с толчками до 7,8,9 баллов. Изделия могут использоваться под трехшарнирные железобетонные рамы. При проектировании свайных фундаментов следует проводить расчеты и учитывать все требования типового проекта, так же необходимо учитывать специфику грунта в районе строительства. Расчет и проектирование конструкций происходит с учетом требования СНиП 2.02.03-85 а также 2.03.01-84.
Маркировочное обозначение.
На поверхность конструкции наносятся знаки, позволяющие упростить поиск необходимых строительных материалов. Маркировка отражает ключевые характеристики конструкции. Совокупность символов СТ 50-5-1 с (1.811.1-6с) имеет следующую расшифровку:
1. СТ - тип конструкции - свая таврового сечения рядовая;
2. 50 - длина сваи;
3. 5 – индекс, характеризующий ширину полки;
4. 1 - порядковый номер величины несущей способности.
Дополнительно могут быть прописаны буквенные индексы характеризующие специальные условия. Н - слабо агрессивная среда, а - средне агрессивная среда, А - наличие шпонки в полке, Б - наличие закладных деталей для крепления связей, С - сейсмически устойчивые. Запрещено произвольно изменять маркировочные знаки.
Особенности производства.
С подробным порядком процесса производства свай таврового сечения можно ознакомиться в Серии 1.811.1-6с. Производство должно осуществляться в стальных опалубочных формах, что гарантирует точные геометрические пропорции конструкций. Формовку необходимо производить консолью вниз. В качестве главного материала рекомендуется применение тяжелого бетона имеющего по прочности на сжатие класс в22, отвечающего требованиям ГОСТ 26633-85. Морозостойкость бетонной смеси должна быть не ниже F50. Водонепроницаемость подбирается в зависимости от эксплуатационных условий, минимальный показатель должен составляться в2.
Для армирования сваи используются пространственные каркасы. В качестве рабочей арматуры используется горячекатаная сталь соответствующая требованиям ГОСТ 5781-82. Для изготовления сварных сеток применяется проволока класса вр-1 отвечающая ГОСТ 6727-80. Сбор плоских каркасов и сеток должен осуществляться с помощью контактной точечной сварки в соответствии с требованиями ГОСТ 140-9885. Прямые петли необходимо производить из горячекатаной стали класса AI марка ст3сп 2 и 3пс2. Допускается производство подъемных петель из стали класса AII. Обязательно антикоррозионное покрытие специальным составом всех металлических конструкций. Подбор состава должен производиться в соответствии с требованиями СНиП 2.03.11-85. Фактические отклонения готовых изделий не должны превышать величин представленных в нормативно-правовой документации. Перед поставкой потребителю конструкций, они проходят ряд приемо-сдаточных испытаний по методам, которые прописаны в ГОСТ 8829-85. Некондиционные сваи складируются отдельно.
Транспортировка и хранение.
Складирование и транспортировка свай СТ 50-5-1 с (1.811.1-6с) должно осуществляться с безукоризненным соблюдением правил и норм техники безопасности. Укладку следует производить горизонтальными штабелями с ориентацией консолей в одном направлении. Штабель должен состоять максимум из двух рядов. Подкладки под нижние ряды следует размещать по одному выровненному основанию. Погрузку и выгрузку необходимо производить путем захвата петлей специализированным оборудованием, оснащенным захватными механизмами. Важно защитить конструкцию от возникновения механических повреждений.

