О товаре:
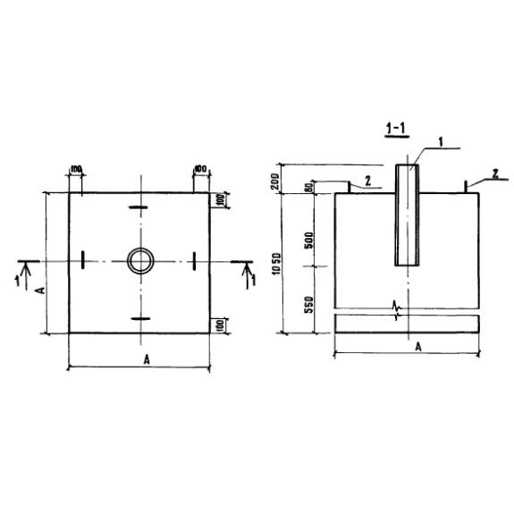
- Длинна: 700 мм.
- Ширина: 700 мм.
- Высота: 1050 мм.
- Вес: 1250 кг.
- ГОСТ, Серия: Серия 3.503.9-59 скачать
- Объем бетона: 0,51 м3
- Геометрический объем: 0,5145 м3
Стандарт изготовления изделия: Серия 3.503.9-59
Фундаменты 6Ф 7-7-10,5 т (3.503.9-59) относится к ряду высокопрочных строительных материалов, имеющих прямоугольную форму с трапециевидным не сквозным отверстием, размещенным в центре конструкции. Для удобства транспортировки и монтажа на теле элемента располагаются четыре строповочные петли.
Применяются унифицированные фундаменты при возведении дорожных знаков. Конструкция выступает в качестве опоры для стоек, погружается в грунт и служит основанием для установки знаков, размещаемых с первой по пятую категорию автомобильных дорог общественного пользования. Изделия подходят для эксплуатации на территориях с температурой до -40 с первого по третий район по скоростному напору ветра. Можно применять элементы на пучинистых не просадочных грунтах. При разработке конструкций учитывались требования таких нормативных документов, как СНиП II - Д.5-72, ГОСТ 10807-78 и ТУ 400-12-282-82.
Маркировочное обозначение
На поверхности строительных конструкций следует наносить масляной краской, устойчивой к вредоносным воздействиям влажности и перепадам температур, специальные знаки, отражающие ключевые характеристики конструкций. Совокупность символов 6Ф 7-7-10,5 т (3.503.9-59) имеет следующую расшифровку:
1. 6 - порядковый номер типоразмера изделия;
2. Ф - тип конструкции - фундамент;
3. 7-7 - габаритные размеры в плане;
4. 10,5 - габаритные размеры по высоте;
5. т - тяжелый бетон.
Не допускается вносить произвольные корректировки в маркировочные знаки, так как это может негативно отразиться при выборе строительных материалов. Дополнительно следует отражать массу, дату производства и штамп отдела технического контроля.
Особенности производства
Для изготовления фундаментов 6Ф 7-7-10,5 т (3.503.9-59) следует руководствоваться рекомендациями, прописанными Серии 3.503.9-59. По условиям регламента конструкции необходимо формовать в стальных опалубках для обеспечения высокого качества готовой продукции, а также сохранения представленных на рабочих чертежах параметров. Главным материалом выступает тяжёлый бетон, имеющий марку по прочности на сжатие не ниже М200. Морозостойкость конструкций должна составлять минимум F100. Подбор водонепроницаемости осуществляется исходя из конкретных условий типового проекта.
Для армирования элементов используются каркасы и сетки, собираемые с помощью контактной точечной сварки из стали класса AI диаметром 8 мм. Для производства строповочных петель применяется сталь класса AI диаметром 16 мм, отвечающая требованиям ГОСТ 5781-81. Ряд фундаментов изготавливается без армирования. Вместо этого в теле конструкции по местам строповочных петель предусмотрено наличие стальных труб различного диаметра, отвечающих требованиям ГОСТ 8732-78. Обязательна обработка всех металлических составляющих противокоррозионными составами, обеспечивающими продолжительный срок службы. Также для этих целей следует выдерживать проектную величину защитного бетонного слоя. Важно щепетильно контролировать процесс производства строительных материалов для обеспечения высокого качества готовой продукции.
Транспортировка и хранение
Складирование и транспортировка фундаментов 6Ф 7-7-10,5 т (3.503.9-59) должны осуществляться в рабочем положении. Следует гарантировать сохранность выступающих частей от возникновения любых механических повреждений. Важно использовать деревянные подкладочные материалы в качестве опоры, препятствующие соприкосновению конструкций с грунтом. Для осуществления погрузочно-разгрузочных работ необходимо применение специализированной техники.

