О товаре:
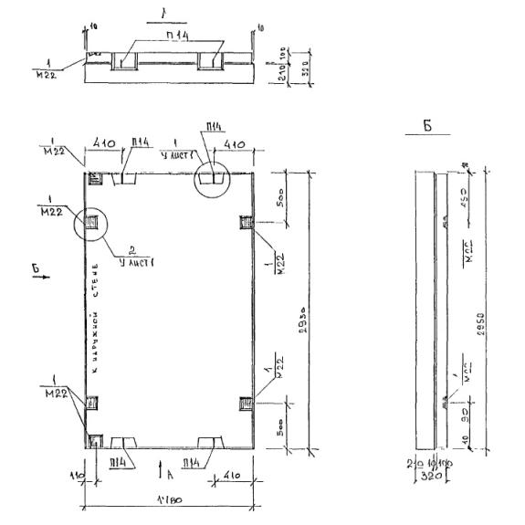
- Длинна: 1780 мм.
- Ширина: 2950 мм.
- Высота: 320 мм.
- Вес: 2060 кг.
- ГОСТ, Серия: Альбом 3РС 74-09 скачать
- Объем бетона: 1,65 м3
- Геометрический объем: 1,6803 м3
Стандарт изготовления изделия: Альбом 3РС 74-09
Плиты покрытия трехслойные 6ПЧ 2-1 (Альбом 3РС 74-09) представляют собой высокопрочные прямоугольные конструкции, отличающиеся гладкостью и ровностью поверхностей. Для упрощения процесса монтажа в теле изделий дополнительно предусмотрены различные закладные детали с гарантией свариваемости.
Унифицированные плиты покрытий обладают высокими теплотехническими характеристиками, за что получили столь широкое распространение в домостроительной сфере. Они применяются при строительстве жилых зданий с теплым чердаком для чердачной крыши с наплавляемыми кровельными материалами. Конструкция полностью удовлетворяет требованиям энергосберегающих Московских норм МГСН 2.01.99 и прекрасно подходит для перекрытий в жилых домах. При разработке также учитывались рекомендации СНиП 2.03.01-84. Предел огнестойкости изделий составляет 0,5 часа.
Маркировочные обозначения
Быстро обнаружить требуемой строительные материалы на складской территории и в номенклатурном ряду позволяют специальные маркировочные обозначения, отражающие ключевые характеристики конструкций. Совокупность символов 6ПЧ 2-1 (Альбом 3РС 74-09) имеет следующие значения:
1. 6ПЧ - плита покрытия трехслойная;
2. 2 - порядковый номер типоразмера элемента;
3. 1 - конструктивные особенности.
Кроме маркировочных обозначений допускается отражение даты производства, информации о производителе, штампа отдела технического контроля и массы конструкции.
Особенности производства
По условиям нормативного документа Альбома 3РС 74-09, конструкции запроектированы под изготовление в стальных горизонтальных формах. В составе трехслойных плит предусмотрено наличие двух железобетонных слоев и одного теплоизолирующего. Связь слоев между собой производится с помощью специальных ребер. Для производства плит 6ПЧ 2-1 (Альбом 3РС 74-09) предусмотрено применение тяжелого бетона со средней плотностью 2300 кг/м3, класса по прочности на сжатие В22,5, марки морозостойкости F100. Водонепроницаемость берется на уровне W2, осадка конуса бетонной смеси не менее 6 см. Теплоизоляционный слой применяется из полистирольного пенопласта марки 25 толщиной 200 мм в соответствии ГОСТ 15588-86. Укладка утеплителя производится по всей плоскости плиты с обязательным контролем над соблюдением толщины захватных рёбер, необходимых для сцепления слоев.
Армирование конструкций осуществляется из сварных сеток и каркасов, производимых из горячекатаной арматурной стали класса AIII по ГОСТ 5781-82 и холоднотянутой проволоки класса Вр-1 по ГОСТ 6727-80. Качество арматурных каркасов и сеток необходимо сверять с требованиями ГОСТ 10922-92. Для армирования конструкций разрешается применять класс стали А400 и А500 вместо класса AIII при сохранении диаметров стержней. Приварка подъемных петель к каркасам должна соответствовать ГОСТ 14098-91. Сварные закладные детали следует изготавливать из стали марки ст3кп 2 по ГОСТ 380-88. Для производства монтажных петель рекомендуется применять сталь класса AI марки Ст3сп 2 или AcII марки 10ГТ.
Поверхности элементов, подвергаемые постоянным воздействием атмосферных осадков, должны отвечать требованиям категории А4, потолочные A6, другие A7.
Транспортировка и хранение
Погрузочно-разгрузочные работы следует осуществлять с применением самобалансирующих траверс, обеспечивающих необходимый уклон и равномерное распределение нагрузки в стропах. Важно надежно закрепить конструкцию в кузове транспортного средства для предотвращения смещения, следует применять специальные панелевозы. При хранении рекомендовано укладка в кассетах, установленных в вертикальное положение на деревянных подкладках под внутренними и наружными слоями. Важно обеспечить плитам надежное опирание, препятствующее опрокидыванию.

