О товаре:
- Длинна: 2410 мм.
- Ширина: 120 мм.
- Высота: 1080 мм.
- Вес: 480 кг.
- ГОСТ, Серия: Альбом 5РС 43-24 скачать
- Объем бетона: 0,19 м3
- Геометрический объем: 0,3123 м3
Стандарт изготовления изделия: Альбом 5РС 43-24
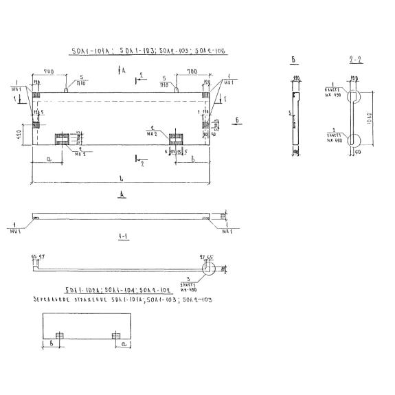
Ограждения лоджий 5ОЛ 2-106 (Альбом 5РС 43-24) представляют собой прямоугольную конструкцию. Характерной отличительной особенностью изделий является наличие на верхней грани выступа, размещенного вдоль всего строительного элемента. Дополнительно в теле конструкции предусмотрены две строповочные петли, упрощающие процесс погрузочно-разгрузочных работ и монтажа.
Используются индустриальные ограждения лоджий при строительстве жилых блок-секций, популярных среди серии домов П46м и П55м. Изделия используется для ограждения пространства балконов и лоджий, препятствую падению жильцов с высоты и формируя фасад здания. Они обладают высокой эстетической привлекательностью благодаря наличию гладких и ровных лицевых поверхностей. Рабочие чертежи с точными габаритными пропорциями представлены на страницах Альбома 5РС 43-24. Минимальный предел огнестойкости конструкций полчаса.
Маркировочное обозначение
Для быстрого обнаружения необходимых конструкций на их поверхности используют специальные символы, отражающие ключевые характеристики. Совокупность букв и цифр 5ОЛ 2-106 (Альбом 5РС 43-24) имеет следующие значения:
1. 5 - индекс, характеризующий отношение изделий к типовому Альбому 5РС 43-24;
2. ОЛ - тип конструкции - ограждение лоджий;
3. 2 - порядковый номер типоразмера;
4. 106 - дополнительные конструктивные особенности, связанные с зеркальным расположением конструкции, а также наличием закладных деталей.
Особенности производства
Изготовление конструкций должно осуществляться в горизонтальном положении, фасадной поверхностью к поддону, для обеспечения наивысшего качества лицевых сторон. Для производства конструкций применяется тяжёлый бетон класса В22,5 по прочности на сжатие. Физико-химические свойства бетонной смеси, а именно морозостойкость и водонепроницаемость, должны соответствовать показателям F150 и W4. До отпуска допускается изделия, достигшие 70% проектной прочности бетона от марки на сжатие.
Для достижения колоссальной прочности конструкций в их тело до подачи бетонной смеси устанавливается на специальные фиксаторы арматурный блок. Он предусмотрен из сварных каркасов и сеток, собранных в пространственный каркас с помощью контактной точечной сварки. Сварку следует выполнять в соответствии с требованиями ГОСТ 14098-91. Основной сталью является горячекатаная арматура класса А1 по ГОСТ 5781-82. Дополнительно применяется холоднотянутая проволока класса Вр-1 по ГОСТ 6727-80. Изготовление арматурных составляющих необходимо производить с соблюдением требований ГОСТ 10922-90.
Для производства подъемных петель необходимо применять горячекатаную сталь класса А1 марки ст3сп и ст3пс. Для сопряжения со смежными элементами в каркасе здания в теле конструкции присутствуют стальные сварные закладные детали, чертежи которых представлены в альбоме ИЖ 490. Они производятся из стали ст3кп 2, соответствующий ГОСТ 535-88 и арматурной стали класса AII для анкеров.
Параметры допустимых отклонений от габаритных пропорций прописаны на рабочих чертежах Альбома 5РС 43-24. Качество отделки лицевой поверхности должно соответствовать категории А3 по ГОСТ 13015.0-83.
Транспортировка и хранение
Складирование и перевозка конструкций должны осуществляться по специальным схемам, прописанным в ГОСТ 13015.1-81. Важно использовать подкладочные материалы, препятствующие смещению конструкций и возникновению механических повреждений. Также следует безукоризненно соблюдать технику безопасности на всех этапах работы с железобетонными конструкциями.

