О товаре:
- Длинна: 2680 мм.
- Ширина: 500 мм.
- Высота: 160 мм.
- Вес: 280 кг.
- ГОСТ, Серия: Серия 1.138-2 скачать
- Объем бетона: 0,11 м3
- Геометрический объем: 0,2144 м3
Стандарт изготовления изделия: Серия 1.138-2
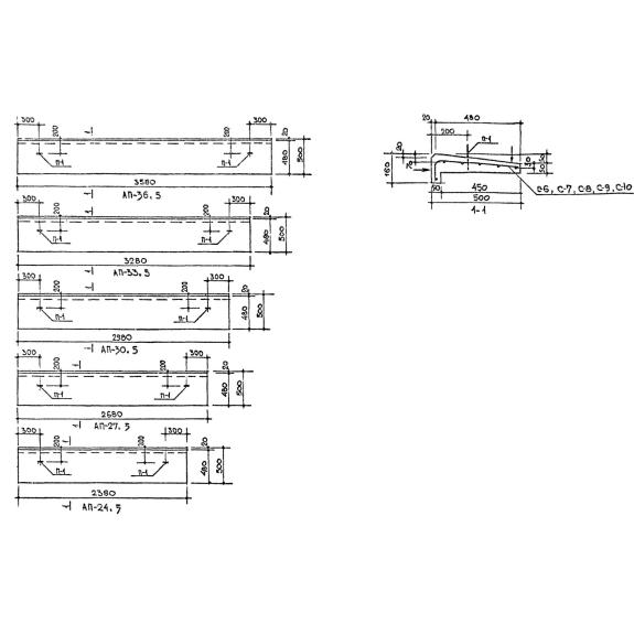
Железобетонные плиты парапетные АП 27-5 предназначены для возведения защитных ограждений на крышах жилых зданий без ограничения этажности.
1. Варианты маркировки
Плиты парапетные АП 27-5 по Серии 1.138-2 маркируются производителем в соответствии с внутренними руководящими документами, но с обязательным нанесением обязательных цифро-буквенных групп, предусмотренных в данной Серии.
1. АП 27-4;
2. АП 27-5;
3. АП 27-6.
2. Основная сфера применения
Применяемость плит парапетных АП 27-5 предусмотрена для зданий II класса ответственности при температурном минимуме, определяемом по СНиП 2.01.01.82, до -40°С. Указанный элемент не является несущим, поэтому других ограничений не предусмотрено. Для использования при температуре ниже указанного предела в документации должны быть указаны дополнительные требования к бетону по морозоустойчивости.
3. Обозначение маркировка изделия
Используемая маркировка плит парапетных АП 27-5 по Серии 1.138-2, состоящая из нескольких цифро-буквенных групп, позволяет однозначно охарактеризовать изделие:
Первая группа содержит информацию о конструктивном исполнении и геометрических размерах:
1. АП – тип изделия - плита парапетная;
2. 27 – длина, выраженная в дециметрах;
3. 5 – ширина, выраженная в дециметрах. Этот же параметр определяет принадлежность плиты к изделиям для крупноблочных зданий с определенной толщиной стены.
Маркируют плиты по требованиям Серии 1.138-2. Надписи наносятся на верхней плоскости парапетной плиты. Основные характеристики изделия:
Длина = 2680;
Ширина = 500;
Высота = 160;
Вес = 280;
Объем бетона = 0,11;
Геометрический объем = 0,2144.
4. Изготовление и основные характеристики
Изготавливаются плиты парапетные АП 27-5 из тяжелых бетонов марки М200, имеющих показатели водонепроницаемости не ниже W2, а морозостойкости не хуже F75. Армирование плит выполняют плоскими монтажными сетками, продольная арматура которых рассчитана на монтажные нагрузки и собственного веса. При изготовлении строповочные петли должны быть привязаны к сеткам. Для изготовления сеток допускается применение обыкновенной арматурной проволоки с периодическим профилем, имеющей гарантию свариваемости. Арматурные стержни сеток объединяются контактной точечной электросваркой. Качество сварных сеток контролируется по нормам ГОСТа 10922-75. Рекомендуется с целью максимального сокращения отходов и повышения производительности труда изготавливать угловые сетки безотходным способом. Для чего использовать спаренные сетки, разрезаемые под 45° или непрерывную рулонную сетку, разделяемую на мерные отрезки под углами 45° и 90°. Строповочные петли выполняют из гладкой горячекатаной арматуры, подбор класса которой определяется минимальной температурой эксплуатации. Заливка бетоном форм с размещёнными сеточными каркасами должна выполняться в проектном положении. Точность геометрических размеров, требования к качеству изготовления и внешнему виду изделия приняты по ГОСТу13015.0-83. Минимальный показатель прочности бетона на сжатие до отправки потребителю должен достигнуть 70%, при условии набора в возрасте 28 суток полной прочности. При проведении приёмки следует руководствоваться требованиями, изложенными в ГОСТе 13015.1-83.
Величины бетонных сечений принимались при разработке плит парапетных АП 27-5 Серии 1.138-2 по конструктивным, а не прочностным соображениям. Этим обусловлена возможность проведения контроля прочности, опираясь на данные систематических проверок контрольных образцов бетонной смеси и других используемых материалов.
5. Транспортировка и хранение
Плиты парапетные АП 27-5 должны транспортироваться и храниться в проектном положении. Обязательно использование деревянных прокладок, под первым рядом штабеля и между последующими рядами, размещаемых строго вертикально около строповочных петель со стороны центра плиты. Размещение продольной оси изделия при транспортировке должно совпадать с направлением движения. Для хранения должны использоваться площадки, имеющие ровное твёрдое покрытие. При хранении и транспортировке недопустимо искривление строповочных петель, служащих в дальнейшем для крепления металлического ограждения на крыше здания.

