О товаре:
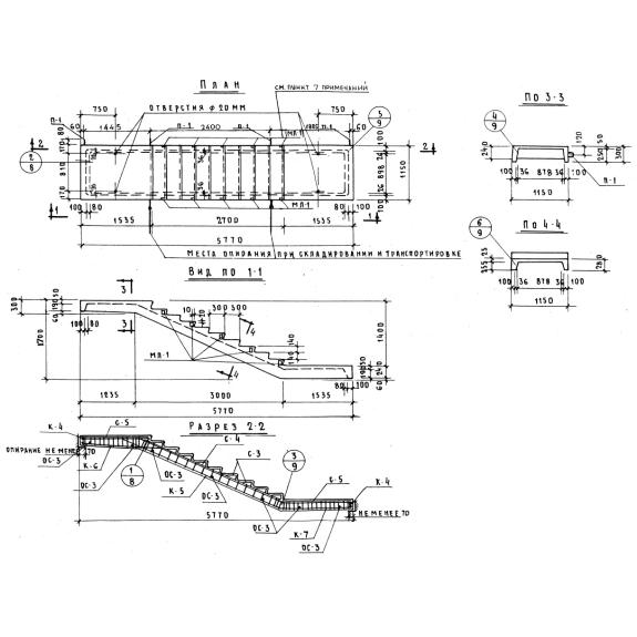
- Длинна: 5770 мм.
- Ширина: 1050 мм.
- Высота: 1500 мм.
- Вес: 4375 кг.
- Объем бетона: 1,75 м3
- Геометрический объем: 9,0877 м3
Лестничные марши ЛМ 10 – это сложные бетонные армированные изделия, имеющие конструкцию Z-образной формы с двумя несущими продольными ребрами. Двенадцать ступенек определенной высоты и ширины расположены на пологой железобетонной наклонной их части, соединяющей две горизонтальные разновысокие поверхности, которые традиционно используются в качестве лестничных площадок. Лестничные конструкции устанавливаются на межэтажные несущие перекрытия. Для простоты стыковки с ними на железобетонных маршевых элементах предусмотрены специальные полуплощадки. Надежность этого соединения осуществляется за счет сварки выпусков арматуры и закладных элементов. Ступеньки расположены под определенным углом наклона, обеспечивающим комфортные условия подъема либо опускания по лестнице между этажами. Для простоты монтажа и выполнения погрузочных работ на маршевых элементах предусмотрены четыре строповочные стальные петли. В проектном альбоме Серии ИИ 04-7 приведены различные типовые конструкции лестничных маршей с основными монтажными размерами.
1. Варианты маркировки
Согласно типовой Серии ИИ 04-7 железобетонные маршевые изделия условно обозначаются в буквенно-цифровой системе следующим образом: к какой группе они относятся, их длину и высоту в дециметрах, допустимую несущую способность, выраженную в кгс/м2, вариант исполнения конструкции. В этом нормативном документе можно найти различные варианты маркировки.
1. ЛМ 58-14-17;
2. ЛМ 58-14-17 з;
3. ЛМ 58-14-17 к.
2. Основная сфера применения
Сегодня большинство железобетонных предприятий выпускает маршевые изделия в огромном ассортименте. С каждым годом все большей востребовательностью при строительстве высотных зданий каркасной конструкции с высотой этажей 33 и 42 м пользуются лестничные марши ЛМ 10. Так как их размер соответствует половине высоты межэтажного пролета. Они применяются для быстрого обустройства перемещения между этажами. Этому способствует также то, что у них предусмотрена стандартная ширина марша – 1150 мм. Современные межэтажные лестничные сооружения отличаются безукоризненной геометрической точностью и повышенной устойчивостью к износу. Их отличная морозостойкость и водопроницаемость гарантирует длительную эксплуатацию. В проектном строительном документе – Серия ИИ 04-7 можно найти условия грамотного подбора лестничных маршей, порядок и тонкости их монтажа.
3. Обозначение маркировка изделия
Различная произведенная из армированного бетона продукция в соответствии с рекомендациями, приведенными в Серии ИИ 04-7 условно маркируются с помощью буквенно-цифровой кодировки. Такое обозначение дает в краткой форме полную информацию об изделиях: в какую группу они входят, их длину и высоту, выраженные в дециметрах, размер предельной несущей нагрузки, вариацию исполнения. На торцевой грани со стороны лестничной клетки обязательно указывается дата изготовления и масса каждого изделия.
Попробуем рассмотреть условное обозначение лестничного марша ЛМ 10. Маркировка сообщит нам следующее:
1. ЛМ – лестничный марш;
2. 58 – длина;
3. 14 – ширина облицовочных проступей;
4. 17 – высота;
5. З – специальный индекс конструкции.
Подбирая маршевый строительный элемент при возведении многоэтажного здания, специалисты рекомендуют внимательно изучить все основные параметры лестничных маршей ЛМ 10:
Длина = 5770;
Ширина = 1050;
Высота = 1500;
Вес = 4375;
Объем бетона = 1,75;
Геометрический объем = 9,0877.
4. Изготовление и основные характеристики
Современные заводы, специализирующиеся на производстве железобетонной продукции, при изготовлении лестничных маршей ЛМ 10 применяют передовые технологические процессы. Поэтому при заливке таких изделий в специальных кассетах используются смеси на основе бетонов тяжелых марок М200 с добавлением особых присадок. Межэтажные подъемные сооружения должны отличаться повышенными эксплуатационными характеристиками, поэтому в их конструкцию непременно закладываются усиливающие арматурные сетки с ячейками средних размеров, собранные в пространственный каркас. Для их производства используется стальная горячекатаная арматурная проволока класса АI. Собирать сетки и каркасы рекомендуется применять вязальный метод и установки точечной контактной сварки. С тонкостями технологии изготовления лестничных маршей ЛМ 10 можно дополнительно ознакомиться в Серии ИИ 04-7. Там же представлены условия испытаний и приемки произведенной продукции.
5. Транспортировка и хранение
Перевозку и складирование лестничных маршей ЛМ 10, имеющих Z-образную форму, рекомендуется проводить с максимальной корректностью. Во время их перемещения требует исключить возможные бросания и механические удары, так это может нарушить целостность конструкции. Складировать межэтажные марши желательно на боковые грани с прокладкой под ними деревянных реек толщиной не менее 5 см. В Серии ИИ 04-7 можно подробнее ознакомиться с различными возможными вариантами их транспортировки и хранения.

