О товаре:
- Длинна: 860 мм.
- Ширина: 700 мм.
- Высота: 60 мм.
- Вес: 81 кг.
- Объем бетона: 0,035 м3
- Геометрический объем: 0,0361 м3
Плита железобетонная плоская ПТ 8-8-7* используется для покрытия разнообразных коммуникаций подпольных каналов. Коммуникационные каналы имеют техническое назначение и располагаются практически под любым зданием или под помещениями общественного использования и им необходима надежная и долговременная защита. При помощи плиты перекрытия ПТ 8-8-7* имеется возможность организовать удобную прокладку трубопроводов, каналов и трасс разного назначения.
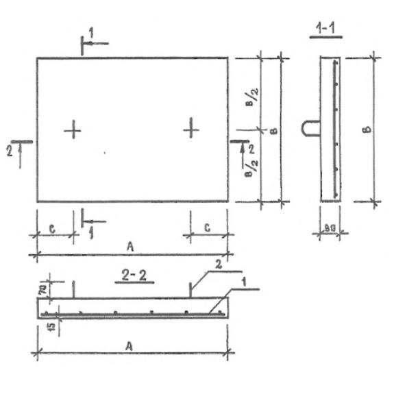
Плита ПТ 8-8-7*, выполненная по Серии 1.243.1-4, имеет правильную прямоугольную форму с четырьмя специальными петлями для подъема. На сегодняшний день выпускаются плиты данной серии различных размеров. Толщина плиты составляет 80 мм. Плита имеет расчетные нагрузки, которые выражаются в кгс/квадратный метр не учитывая свой вес.
1. Варианты маркировки
Предусмотрено несколько разновидностей маркировочных отображений данных плит:
1. ПТ 12,5-8-7;
2. ПТ 8-7;
3. ПТ 8-8-7.
2. Основная сфера применеия
Относительно небольшой вес плоской плиты, вызван тем, что она используется для прикрытия канала или трубопровода, поэтому вес такой плиты - требуется, чтобы бы был небольшим, чтобы максимально защитить конструкцию от возможного обрушения. Армирование плоской плиты выполняется проволокой Bp-1, которая сваривается в виде сетки, имеющей квадратную или прямоугольную форму. Данный вид армирования плоской плиты, дает возможность получить необходимую прочность и высокое сопротивление нагрузкам.
3. Маркировка
Плита содержит специальную маркировку, через обозначенные типы, установленного значения расчетной нагрузки и общего размера в единице измерения - дециметрах. К примеру можно рассмотреть стандартную маркировку плоской плитыПТ 8-8-7*, где:
1. ПТ - обозначает плита для выполнения подпольных каналов.
2. 8 - обозначает значение расчетного значения нагрузки.
3. 8 - это длина.
4. 7 - это ширина.
Маркировка расположена сбоку плиты на боковой стороне.
4. Конструкция и материалы изготовления
Основным материалов из которого изготавливают плиту является качественный бетон М-200, имеющий класс установленной прочности B15-20. Применение бетона этой марки, дает высокую прочность и износоустойчивость, а так же повышенную стойкость к образованию трещин. Плита рассчитана для подъема при помощи специально установленных лап, за которые она поднимается и затем уже монтируется при помощи специальных устройств и механизмов.
Плоские плиты марки ПТ 8-8-7*, как правило, не подвержены очень резким изменениям температур, потому как, находятся внутри помещений или сооружений для общественного назначения, а не снаружи, поэтому их расчетная морозостойкость установлена на уровне F50.
Иногда, для выполнения определенных проектировочных решений, необходимы именно плоские плиты, которые имеют внутренние пустоты и относительно небольшой собственный вес, поэтому плита ПТ 8-8-7* здесь самый подходящий вариант. Такие плиты имеется возможность использовать в подвальных помещениях ниже гидроизоляционных слоев. При использовании плиты перекрытия ПТ 8-8-7* имеется возможность выполнить надежную прокладку трубопроводов, различных каналов и трасс.
При изготовлении, плиты марки ПТ 8-8-7*не должны содержать трещин и сколов. Дефектными могут не считаться - незначительные трещинки, которые имеют ширину не более 0,2 мм, появившиеся в результате усадки плиты после выполнения работ по монтажу. Любая плита, должно абсолютно точно соответствовать заявленным размерам. Допускается, что длина такой плоской плиты может составлять, по сравнению с расчетной длиной, значение на 15-20 миллиметров больше и шириной больше на 10 миллиметров. При выполнении осмотра плиты ПТ 8-8-7* необходимо обратить особое внимание, на полное отсутствие, каких-либо пятен ржавчины на поверхности. Сварные специальные сетки плиты, используемые для армирования, не должны сильно выступать за пределы изделия.
5. Транспортировка и хранение
Плоские плиты необходимо перевозить в строго горизонтальном расположении на устойчивой поверхности. Возведенный для хранения плит специальный штабель - нельзя, чтобы возвышался больше чем на два с половиной метра. Транспортировку плоских плит, имеется возможность производить разнообразным видом транспорта, при строгом соблюдении условий правильного и надежного их закрепления. Использование специальных прокладок, на участках закладных деталей и специальных подъемных петель обязателен.

