О товаре:
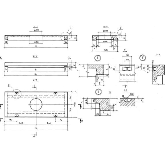
- Длинна: 1490 мм.
- Ширина: 5280 мм.
- Высота: 400 мм.
- Вес: 4430 кг.
- ГОСТ, Серия: Серия 3.006.1-3/83 скачать
- Объем бетона: 1,77 м3
- Геометрический объем: 3,1469 м3
Стандарт изготовления изделия: Серия 3.006.1-3/83
Плита перекрытия тоннелей ПТО 48-12 представляет собой высокопрочную железобетонную конструкцию прямоугольной формы со сквозным круглым отверстием по центру для устройства выхода из тоннеля. Отличительной чертой плиты является присутствие на опорах поперечных ребер, проходящих вдоль всей длины конструкции, или выступов по торцевым сторонам, служащих для укладки в распор. Данные изделия являются частью подземных одно- и двухсекционных тоннелей с применением уголковых стеновых элементов. Такие тоннели широко используются как пешеходные переходы транспортных предприятий и для прокладки всевозможных коммуникаций, в том числе и транспортеров, но недопустимо по ним переправлять жидкость. Разработаны ПТО 48-12 для областей с обычными условиями строительства с грунтовыми водами ниже верха плиты на один метр. Допускается их использование в районах с особыми условиями, такими как сейсмическая активность от 7 до 9 баллов, просадочные грунты, при соблюдении указаний, закрепленных в серии изготовления.
Расшифровка маркировки
Марка железобетонных конструкций имеет вид объединённых буквенных и цифровых шифров и содержит в себе основные характеристики изделия и его конструкционные особенности. Из маркировки плиты ПТО 48-12 видно следующее:
1. ПТО - плита перекрытия тоннеля с отверстием;
2. 48 - пролет тоннеля (дм);
3. 12 - расчетная нагрузка тс/м2.
Марки изделия, краткое наименование производителя, даты выпуска – важные сведения, которые должны быть указаны на наружных поверхностях плит, поставляемых потребителю.
Материалы и производство
Плита перекрытия тоннелей ПТО 48-12 надлежит изготавливать в заводских условиях с соблюдением всех стандартов, указанных в Серии 3.006.1-3/83. В основе их лежит тяжелый бетон с маркой по прочности на сжатие М300, такой материал обладает высокими показателями влагостойкости и жесткости, тем самым обеспечивает плитам высокую прочность. Марка бетона по морозостойкости принимается в каждом конкретном проекте согласно СНиП II-21-75 исходя из климатических условий и эксплуатационного режима в зоне строительства.
Армируются плиты сварными сетками, плоскими каркасами, которые объединяются в пространственный каркас. Арматура запроектирована из стали класса АI, АIII, ВрI. В теле конструкций так же могут быть предусмотрены дополнительные закладные детали для закрепления трубопроводов, кабелей и прочих коммуникаций. С учетом агрессивности среды в районе возведения тоннеля, заводом-изготовителем должна быть проведена работа по антикоррозийной обработке стальных элементов согласно СНиП II-28-73.
Готовые плиты проходят приемочный контроль партиями не менее пяти штук. Изделия подвергаются испытаниям на прочность, раскрытие трещин, жесткость, оценивается их прямолинейность, толщина защитного слоя бетона до арматуры, внешний вид и качество поверхностей. Допустимые параметры отклонений от проектных размеров, разности длин диагоналей плит перекрытия прописаны в нормативном документе изготовления и фактические параметры не должны их превышать.
Транспортировка и хранение
Плиты перекрытия тоннелей ПТО 48-12 следует складировать рассортированные по маркам на спланированных площадках. Они укладываются в горизонтальном положении в штабеля не более 6-8 штук по высоте с обязательной установкой прокладок между их рядами.
Перевозка плит к месту монтажа должна осуществляться транспортом, оборудованным опорными и крепежными приспособлениями, для надежного крепления изделий в кузове транспорта, исключающего их сдвиг, опрокидывание, трение.

