О товаре:
- Длинна: 2700 мм.
- Ширина: 300 мм.
- Высота: 3030 мм.
- Вес: 4400 кг.
- Объем бетона: 1,75 м3
- Геометрический объем: 2,4543 м3
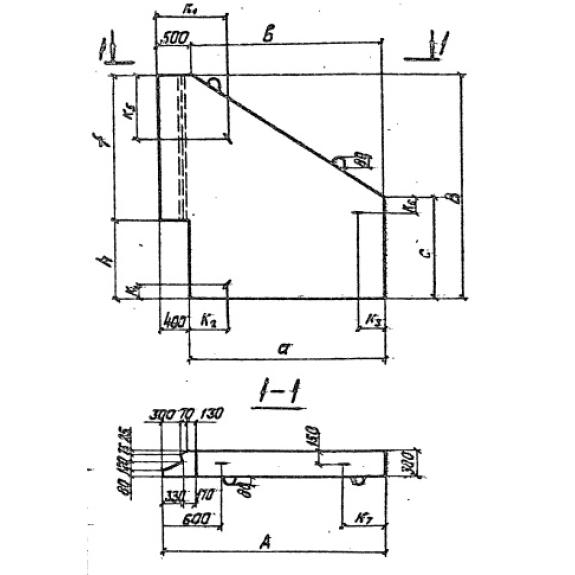
Откосные стенки (крылья) используют для укрепления откосов насыпей. Водопропускные сооружения – это обязательный атрибут любой насыпи. Водоток позволяет с высокой безопасностью преодолеть водную преграду при строительстве автодорожных и железнодорожных насыпей. Строят водовод из железобетонных звеньев труб, оголовков, блоков фундаментов и подпорных элементов. Конструктивно эти изделия представляют собой L-образные плоские стенки сложной формы (верхний край скошен), которые имеют крепежные выступы. Монтируется открылок в области оголовка трубы на выходе канала. Обратите внимание, что стенок ставится 2 штуки, то есть слева и справа, так как железобетонный открылок имеет левое и правое исполнение. Толщина стенки рассчитывается на эксплуатацию под колоссальными вертикальными нагрузками различной интенсивности, при этом элемент должен обладать достаточным запасом прочности.
1. Варианта написания маркировки.
Серия 3.501-104 допускает выполнение записи маркировочных знаков откосов разными вариантами (ошибкой не является):
1. 108 ПF.
2. Основная сфера применения.
Откосные стенки (крылья) 108П F применяют для укрепления обочины дорожного полотна и портальных стенок водосборных труб авто- и железнодорожных насыпей. Крылья – массивные плиты, так как высота земляного вала может достигать 20 метров, поэтому изделия эксплуатируются под значительными вертикальными, статическими и динамическими нагрузками (возникают от проезжающего тоннажного транспорта, плюс масса большого объема грунта). Устанавливаются откосы по сторонам водовода (с торцов), формируя воронку, что позволяет отлично удерживать грунтовые массы – канал защищен от попадания внутрь земли и грязи. Подходят для установки водотоков диаметром до 4 метров.
3. Обозначение маркировки.
Откосы 108П F маркируется согласно требованиям Серии 3.501-104. Указывается тип изделия и его основной типоразмер (характеризует несущую способность и ключевые размеры), тип исполнения (л/п – левое-правое направление). Указывают также данные о компании, дате выпуска и массе изделия. Маркировка позволяет удобно и быстро найти нужные элементы для водосборной системы. Код пишется черной краской, которая не смывается на протяжении всего срока эксплуатации железобетонного откоса.
Основные размерные характеристики:
Длина = 2700;
Ширина = 300;
Высота = 3030;
Вес = 4400;
Объем бетона = 1,75;
Геометрический объем = 2,4543.
4. Основные материалы для изготовления.
Откосные стенки (крылья) 108П F изготавливаются методом вибропрессования. Технология осуществляется в заводских условиях согласно жестким требованиям действующих стандартов. Основные материалы – тяжелые бетоны, плотность которых составляет не менее 2200 кг/м3, марки прочности на сжатие М300.
Бетоны также должны отвечать всем требованиям по морозостойкости, водонепроницаемости и трещиностойкости. В состав вводят специальные добавки, которые позволяют повысить биостойкость и стойкость к перепадам отрицательных температур. Откос должен выдерживать не менее 300 циклов замораживания-размораживания без видимых разрушений. Водонепроницаемость принимается марки W6, однако для особо суровых условий параметр многократно повышают. При эксплуатации стенок 108П F в грунтах с высокой химической агрессивностью для их изготовления берут сульфатостойкий бетон с повышенном уровнем антикоррозионной защиты.
Значительные вертикальные нагрузки откосной стенке позволяет переносить высокая трещиностойкость бетона и качественное армирование изделия. Для усиления конструкции используют стальные плоские каркасы. Их изготавливают из углеродистой стали класса А-100 и А-300. Изготавливают сетки. В тело плиты закладывают такелажные петли и фиксаторы. Все металлические компоненты проходят комплекс защиты против коррозии, обязательно покрытие стальных усиливающих конструкций слоем бетона 20 мм.
5. Хранение и транспортировка.
Массивные железобетонные откосы 108П F транспортируют автомобильным, железнодорожным и водным спецтранспортом. При перевозке каждый откос должен быть надежно зафиксирован, чтобы исключить падение и порчу продукции. Складирование осуществляется в штабелях в горизонтальном положении. Укладывают до 5 рядов. Каждый ярус прокладывается деревянными досками толщиной 3 см, чтобы исключить трение между изделиями. Пачки формируют из расчета удобного подъезда спецтехники для отгрузки ЖБИ. Строповка с крюками подъемного автокрана должна быть надежной, не допускается применение стальных канатов. Все операции выполняют корректно, с соблюдением правил техники безопасности. Погрузка производится бережно, не допускается навал или перемещение волоком.

