О товаре:
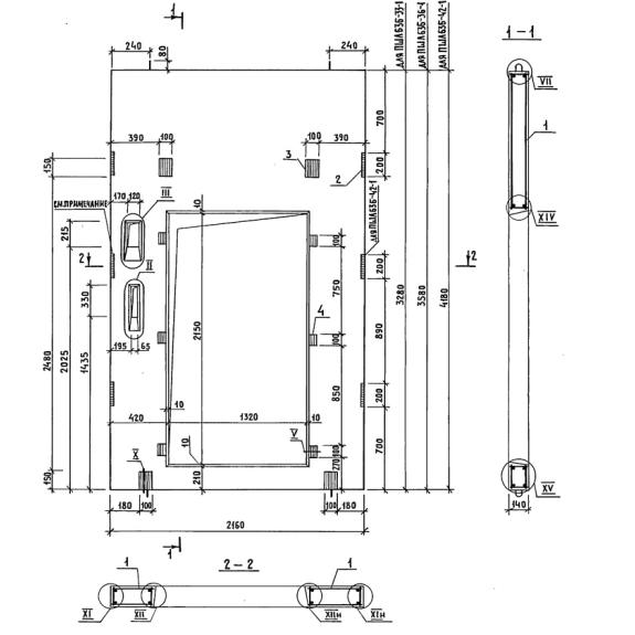
- Длинна: 2160 мм.
- Ширина: 140 мм.
- Высота: 4180 мм.
- Вес: 2100 кг.
- ГОСТ, Серия: Серия 1.289.1-2 скачать
- Объем бетона: 0,84 м3
- Геометрический объем: 1,264 м3
Стандарт изготовления изделия: Серия 1.289.1-2
Панели шахт лифтов ПШЛ 63б-42-1 широко востребованы при обустройстве грузоподъемного устройства в многоэтажном доме. Визуально они представляют собой бетонные армированные плоские изделия прямоугольной формы толщиной в 14 см. Для удобства транспортировки на стадии производства в конструкцию закладывают 4 монтажные петли. Благодаря грамотно подобранной комбинации бетонного раствора и армирующего пространственного каркаса, составляющей структуру панелей, они демонстрируют поразительную жесткость и прочность. Эти железобетонные изделия являются обязательным элементом сборки лифтовой шахты. Используя панели различной конструкции, можно смонтировать вертикальные тоннели для системы перемещения лифтов практически любой высоты. Подробнее с их технологическими особенностями можно ознакомиться в проектном нормативном документе – Серия 1.289.1-2.
1. Варианты маркировки
На каждую панель шахт лифтов ПШЛ 63б-42-1 в обязательном порядке специальной краской наносится условное обозначение в буквенно-цифровой системе. Со всеми вариантами маркировки можно ознакомиться в техническом документе - Серия 1.289.1-2.
1. ПШЛ 63б-42-2 б;
2. ПШЛ 63-42-1;
3. ПШЛ 63-42-2;
4. ПШЛ 63-42-3;
5. ПШЛ 63-42-4;
6. ПШЛ 63б-42-1 б;
7. ПШЛ 63б-42-3 б;
8. ПШЛ 63б-42-4 б.
2. Основная сфера применения
Железобетонные панели шахт лифтов ПШЛ 63б-42-1 являются обязательным элементов при обустройстве сборных вертикальных тоннелей, в которых устанавливаются подъемные механизмы перемещения, в зданиях общественного и промышленного назначения с неагрессивной газовой средой. Их рекомендуется применять в районах с сейсмичностью не более 7 баллов с колебанием температуры в диапазоне от +50С до +40С. С такими армированными бетонными изделиями можно монтировать лифты с высотой этажей 3,3, 3,6, 4,2 м. При этом общая высота конструкции не должна превышать 50 метров. Схемы сборки многозвеньевой пространственной тонкостенной конструкции, монтируемых из плоских бетонных армированных панелей шахт лифтов ПШЛ 63б-42-1, тонкости их установки приведены в проектном нормативном документе - Серия 1.289.1-2. Для их монтажа с учетом особенностей здания в конструкции изделий предусматриваются закладные металлические элементы либо отверстия под болтовые соединения. Конфигурация железобетонных панелей может немного отличатся в зависимости от способа установки противовеса.
3. Обозначение маркировка изделия
Каждое изготовленное армированное бетонное изделие с помощью специальной краски в обязательном порядке наносится условная буквенно-цифровая кодировка. Такое обозначение предоставляет краткую информацию о: типе конструкции, для лифтов какой грузоподъемностью и функционального назначения их можно использовать, высоте изделия, положении противовеса, схеме установки, варианте крепления оборудования.
Если вы захотите узнать, для чего можно использовать панели шахт лифтов ПШЛ 63б-42-1, то ознакомившись с маркировкой, прочитаете следующее:
1. ПШЛ - панель шахты лифта;
2. 63 – в десятках кг указано для сборки лифтов, какой грузоподъемности их можно использовать;
3. б - пассажирский для лечебно-профиллактических учреждений (грузоподъемность до 630 кг)
4. 42 – железобетонное изделие имеет высоту, выраженную в дециметрах;
5. 1 – порядковый номер, указывающий для какого типа шахт, их рекомендуется применять;
6. б – предусмотрено болтовое крепление оборудования лифта.
Планируя монтаж лифта в строящемся здании, желательно ознакомиться с основными характеристиками панелей шахт лифтов ПШЛ 63б-42-1. Они имеют:
Длина = 2160;
Ширина = 140;
Высота = 4180;
Вес = 2100;
Объем бетона = 0,84;
Геометрический объем = 1,264.
4. Изготовление и основные характеристики
Любое предприятие, организующее выпуск панелей шахт лифтов ПШЛ 63б-42-1, в своей работе обязано придерживаться требований проектной документации – Серия 1.289.1-2. В этой техдокументации можно найти рабочие чертежи этих железобетонных изделий, варианты схем сборки пространственных армирующих каркасов, технологические тонкости производственного процесса. В нем специалисты рекомендуют при изготовлении панелей для сборных лифтовых шахт использовать бетонные смеси тяжелых марок класса В25. Повышенные эксплуатационные параметры достигаются за счет закладывания в конструкцию пространственных каркасов из плоских сеток. Для их изготовления применяют стержневую горячекатаную стальную арматуру гладкого сечения марки A-I и периодического профиля класса A-III. Соединение сеток и каркасов выполняется на сварочных контактных точечных машинах. Закладные элементы делаются из листовой стали.
5. Транспортировка и хранение
Железобетонные панели шахт лифтов ПШЛ 63б-42-1 традиционно укладывают в горизонтальном положении на деревянные подкладки в несколько ярусов. При этом высота штабеля не должна превышать 1,5 метров. Иногда допускается хранить эти изделия в вертикальном состоянии в специальных кассетах. Подробнее с особенностями транспортировки и хранения можно посмотреть в проектном документе – Серия 1.289.1-2.

