О товаре:
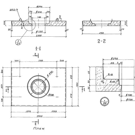
- Длинна: 2500 мм.
- Ширина: 1750 мм.
- Высота: 220 мм.
- Вес: 2260 кг.
- ГОСТ, Серия: ГОСТ 8020-90 скачать
- Объем бетона: 0,963 м3
- Геометрический объем: 0,9625 м3
Стандарт изготовления изделия: ГОСТ 8020-90
Плиты дорожные с отверстием под люк ПД 6 это железобетонные изделия, получилившие самое широкое распространение. Практически вся сфера дорожного строительства не обходятся без таких элементов. Обустройство технических сооружений плитами из железобетона позволяет получить долговечные и прочные конструкции, которые отличаются надежностью и стойкостью к различным воздействиям. Колодцы должны быть перекрыты специальными плитами с отверстием под люк – опорные плиты ПД 6 . Особая форма и отверстие нужного диаметра позволяют использовать их для многих видов колодцев и иных технических сооружений.
1.Варианты написания маркировки.
Плиты с отверстием под люк ПД 6 изготавливают согласно действующему ГОСТу 8020-90 и в маркировке указывают тип плитного изделия и его размерный ряд. Написание обозначения может быть выполнено следующими вариантами:
1. ПД 6;
2. ПД-6.
2.Основная сфера применения изделий.
Для существующих колодцев часто используют плиты с отверстием под люк тип ПД 6 . Данные элементы позволяют надежно перекрыть сооружение, обеспечив функциональную защиту от попадания внешнего мусора, падения людей или технических средств в люк, защита от обвала грунта и прочие функции. Так как ПД 6 изготавливают из высокопрочных материалов, то готовая конструкция люка, перекрытая такой плитой, способна выдерживать высокие нагрузки – большой вес от проезжающего транспорта и техники.
В ходе эксплуатации плиты ПД 6 проявляют себя как прочные железобетонные изделия, так как обладают стойкостью к действию низких температур, действию воды или других агрессивных сред. Эти изделия подвергают обязательной обработке, так как в дорожном хозяйстве (применяют для организации ливневых колодцев на автомагистралях и автомобильных дорогах) используют хлористые соли для борьбы с обледенением дорог. Без химической и гидрофобной защиты плиты дорожные с отверстием для люка ПД 6 к эксплуатации не допускаются, в условиях жесткой агрессивной среды элементы быстро разрушаются и теряют свои прочностные характеристики. Соблюдение технологии изготовления и обработки данных ЖБИ-плит позволяют проявить высокие технические параметры даже при длительном использовании и в условиях переменчивого климата.
Плиты с отверстием ПД 6 могут применять для устройства водоотводных, канализационных и прочих круглых подземных колодцев. Сфера использования плит этим не ограничивается. Так, железобетонные плиты ПД 6 могут быть проложены в городских коммуникациях при обустройстве дренажа, а также сетевых, и газопроводных колодцев, и в различных линиях связи. Реже используют данные железобетонные изделия для обустройства аэродромных сооружений и военных полигонов.
3.Обозначение маркировки изделий.
Железобетонные дорожные плиты с отверстием под люк ПД 6 маркируют согласно ГОСТ 8020-90, согласно которому указывают в обозначении: тип изделия П – плита, 10 – размерная группа. Габаритные размеры плиты составляют 2500х1750х220 , где соответственно написаны длина, ширина и высота изделия.
Дополнительно может быть указана проницаемость бетона: "Н" – нормальная. "П" – пониженная, "О" – особо низкая. Для маркировки изделия используют также такие параметры, как геометрический объем – 0,9625 , объем бетона – 0,963 , масса изделия – 2260 . Условное обозначение, масса и дата изготовления ЖБИ-изделия должны быть нанесены несмываемой краской черного цвета на наружную боковую поверхность.
4.Основные материалы для изготовления и характеристики.
Плиты ПД 6 для люков должны быть изготовлены по технологии вибропрессования. В качестве материалов используют тяжелые и особо тяжелые бетоны. Для повышения прочности и эксплуатационных характеристик применяют гравийный щебень, песок мелких фракций и очищенную воду. Бетон должен соответствовать марке по прочности на сжатие – не менее чем М200, что соответствует классу прочности – не менее В15. Эксплуатация в зимний период данных плит обуславливается маркой по морозостойкости – не менее F50 и F100, то есть минимум 50 циклов замораживания-размораживания. Водонепроницаемость должна соответствовать марке W2, допускается влагопоглощение до 8%.
Все железобетонные изделия подвергают обязательному армированию, что позволяет применять плиты в условиях повышенных сдавливающих и сжимающих деформаций. Используют стальные каркасы с прутками для армирования классов Ат-IIIС и Ат-IVС – по ГОСТ 10884 и А-I, А-II и А-III по ГОСТ 5781. Дополнительно в тело плитного элемента должны быть заложены специальные монтажные петли – по ГОСТ 10922. Все стальные изделия подвергают антикоррозионной и химической обработке, что позволяет продлить срок службы.
5.Транспортировка и хранение.
Транспортировка осуществляется с использованием спецтранспорта, погрузка плит ПД 6 производится путем сцепки крюков и монтажных петель, после чего элемент поднимают на высоту. Укладка изделий производится в "шашечном" порядке, при этом каждый слой подкладывают изоляционным материалом. Хранение производится в штабелях высотой до 2,5 м.

