О товаре:
- Длинна: 160 мм.
- Ширина: 272 мм.
- Высота: 272 мм.
- Вес: 5,1 кг.
- ГОСТ, Серия: ГОСТ 31416-2009 скачать
- Объем бетона: 0,002 м3
- Геометрический объем: 0,0118 м3
Стандарт изготовления изделия: ГОСТ 31416-2009
Муфты для безнапорных труб БНМ 200 используются в сфере проведения систем трубопроводных коммуникаций. Все трубы разделяются на виды, классифицируются по материалам и многое другое. Для их надежного соединения между собой используются специальные муфты. Эти элементы также имеют множество классификаций. Для безнапорных трубопроводов, например, для систем канализации, применяют муфты соответствующего класса – БНМ 200 . Это изделия особой цилиндрической формы, изготавливается из асбоцемента. Для обеспечения должной плотности соединения внутри муфты имеется резиновое уплотнение. Под действием давления транспортируемой среды или иной жидкости резинки расширяются и уплотняются, создается эффект самоуплотнения.
1.Варианты написания маркировки.
Обозначение муфт для безнапорных трубопроводов БНМ 200 производится согласно действующим Стандартам – ГОСТ 31416-2009, и включает в маркировку несколько цифробуквенных обозначений. Написание данной комбинации производится различными способами. Ошибки в любом варианте не будет. Итак, примеры следующие:
1. БНМ 200 ;
2. БНМ-200.
2.Основная сфера применения.
Асбоцементные муфты БНМ 200 используются в качестве основного соединительного элемента в системе трубопроводов. Совместно с резиновыми уплотнениями эти изделия обеспечивают достаточно высокую плотность в местах стыков. Под действием воды резиновые кольца самоуплотняются.
Основная сфера применения асбоцементных муфт для безнапорных труб БНМ 200 – системы канализации, водоотводы и прочие трубопроводные безнапорные коммуникации. Стоит отметить, что асбоцемент, из которого изготовлены муфтовые соединения труб, материал диэлектрический. Это обеспечивает высокую закаленность к действию электрохимической коррозии.
Асбоцемент на сегодня – незаменимый материал для обустройства инженерных систем в больших городах, а также при строительстве коммуникаций в промышленных зонах. Для работы электротранспорта используется ток, как результат – это возникновение явления блуждающих токов. Под их действием стальные и металлические трубы быстро приходят в негодность. Именно поэтому использование асбоцементных изделий, в том числе муфт БНМ 200 – оптимальное решение для данного направления.
3.Обозначение маркировки изделия.
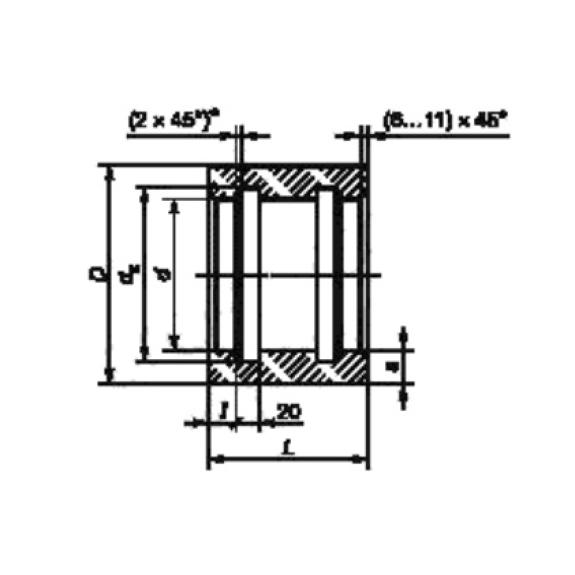
Маркирование муфт БНМ 200 производится согласно ГОСТ 31416-2009 с обозначением группы изделий и их размерного ряда. В основные размеры ходит условный диаметр и длина. В основное обозначение может быть добавлен стандарт, по которому был произведен соединительный элемент.
Маркировка БНМ 200 включает в себя следующие параметры:
1. БНМ – муфта для безнапорных трубопроводов;
2. 200 – условный диаметр, указано в мм.
Габаритные размеры данного изделия составляют 160х272х272 , где соответственно указано длина, внешний и внутренний диаметры. Дополнительно могут быть указаны следующие параметры:
1. Геометрический объем – 0,0118 ;
2. Объем бетона на изготовление одного изделия – 0,002 ;
3. Масса – 5,1 .
Маркировка наносится на внешней стороне муфты, указывают товарный знак компании-производителя, номер партии и условный диаметр. Для обозначения используется специальная краска.
4.Основные материалы и характеристики.
Асбоцементная муфта для безнапорных трубопроводов БНМ 200 изготавливается из специальных материалов – фибробетон. Это бетонная смесь, армированная специальным волокном. Этот материал обеспечивает высокую коррозионную стойкость готового изделия, а также стойкость к действию агрессивной среды, не происходит обрастание биологическими массами, проявляется стойкость к длительному действию водной среды и прочие характеристики.
Согласно технологии изготовления муфты БНМ 200 должны иметь прямую цилиндрическую форму, при этом на поверхности не должно быть стыков, наслоений или сколов. При соединении трубопровода с муфтой все образованные стыки должны быть дополнительно заделаны смоляной прядью или асбоцементной смесью. Масса застывает и образует надежное и прочное соединение. Однако соединение гибкое за счет вставленных уплотнительных манжет, поэтому при эксплуатации не происходит перекосов.
5.Транспортировка и хранение.
Муфты для безнапорных трубопроводов БНМ 200 транспортируют на деревянных подкладках в специальных контейнерах. Каждое изделие плотно закрепляется, для того чтобы исключить порчу продукцию при перевозке. В качестве основного транспорта используют специальные автомобили. Допускается транспортирование крупных партий железнодорожным способом.
В качестве основной сопроводительной документации прилагается к партии муфт технический паспорт, где указывают:
1. Номер партии;
2. Номер и выдачу документа;
3. Общее число муфт;
4. Результаты основных испытаний;
5. ГОСТ (в данном случае – ГОСТ 31416-2009).
Хранение осуществляется в штабелях. Каждый слой прокладывается специальными деревянными подкладками. Не допускается разгрузка навалом или сбрасыванием, так как это приведет к растрескиванию изделий.

