Отгружено ЖБИ: всего -
000 000
тонн; за 2025 год -
00 000
тонн
Посмотреть
Заключено договоров: всего -
0 000
шт.; за 2025 год -
000
шт.
Единый номер:
8 (800) 500-22-52
Выберите город
Благовещенск
Владивосток
Екатеринбург
Иркутск
Казань
Кемерово
Краснодар
Красноярск
Москва
Нижний Новгород
Новосибирск
Омск
Пермь
Ростов-на-Дону
Самара
Санкт-Петербург
Симферополь
Сургут
Тюмень
Хабаровск
Челябинск
Ваш город «
»?
Да
Нет
Выберите город
Заказ онлайн
Корзина:
0 шт.
Корзина
0
шт.
Расчитать
О нас
О компании
Документация
Судебная практика
Преимущества
Вопросы/ответы
Портфолио
Работа в цифрах
Прямой эфир с производства
Каталог
Каталог по группам
Условия доставки
Контакты
Найти
Каталог по группам
Главная
Каталог по группам
Плиты, Блоки, Столбы, Стойки р...
Плиты железобетонные
Анкерные плиты Серия 3.407-115
Анкерные плиты Серия 3.407-40/70
Анкерные плиты серия 3.407-102 (3.407-40/70)
Балконные плиты Серия 86 и 85
Бетонные вкладыши Серия 1.100.1-7
Бетонные ограждения лоджий Серия 86 и 85
Вкладыши балконные Серия ИИ 03-02
Вкладыши железобетонные Серия 1.141.1 КР-3
Камни фризовые Серия 1.020-1
Камни фризовые Серия 1.269-1
Карнизные плиты Серия 1.137.1 КЛ-3
Карнизные плиты Серия 1.138-3
Карнизные плиты Серия ИИ 04-4
Карнизы Альбом РК 7101-01
Крайние межколонные плиты при привязке наружных стен 610 мм (МПК) Серия 1.420.1-25
Межколонные плиты (МП) Серия 1.420.1-25
Настил коробчатый Серия В 86
Нащельники Альбом 3РС 43-15
Нащельники Серия 1.100.1-7
Нащельники Серия 1.165.1-16
Объемные элементы балконов Альбом 3РС 43-11
Ограждения лоджий Альбом 5РС 43-24
Опорные плиты Альбом ПС 192
Опорные плиты Альбом РК 2201-82
Опорные плиты ГОСТ 8020-2016
Опорные плиты ГОСТ 8020-80
Опорные плиты ГОСТ 8020-90
Опорные плиты Серия 3.407-115
Опорные плиты Серия 3.407.9-158
Опорные плиты Серия 3.900-3
Опорные плиты Серия 3.900-3 и ГОСТ 8020-90
Опорные плиты Серия ИИ 03-02 Альбом 16
Опорные подушки Серия 2.800-2
Панели для сборно-монолитных перекрытий Серия ИИ 01-02
Панели карнизные Серия 1.020-1
Панели карнизные Серия 1.030.1-1/88
Панели карнизные Серия 1.432-10
Панели карнизные Серия 1.432-14
Панели карнизные Серия 1.432-14/80
Панели карнизные Серия 1.432-5
Панели карнизные Серия 1.432.1-22
Панели карнизные Серия 1.433-2
Панели карнизные Серия 1.490.1-1
Панели карнизные Серия 7075м
Панели карнизные Серия СТ 02-12/61
Панели кровельные Серия 1.100.1-7
Панели кровли Серия 1-335 ТулМ
Панели ограждения лоджий Серия 1.137.1 КЛ-3
Панели перекрытий Альбом РМ 2283
Панели перекрытий беспустотные Серия 1.243.1-5
Панели перекрытий беспустотные Серия ИИ 03-02
Панели перекрытий и покрытий Серия Б1.043.1-2.08
Панели перекрытий сплошные Серия 1.100.1-7
Панели перекрытий сплошные Серия 1.143-4
Панели перекрытий сплошные Серия 1.143-5 пв
Панели перекрытия лоджий Серия 1.137.1-6
Панели покрытий Серия 1.165-9
Панели покрытий сплошные Серия 1.165.1-10
Парапетные плиты Серия 1.169.1-1
Парапеты Серия 3.505.1-16
Плиты (панели) перекрытий Альбом ИЖ 218-80
Плиты (площадки) ТПР 503-0-17
Плиты Альбом РК 7101-01
Плиты Арх. Л57-97
Плиты ИНВ 25442м
Плиты ИНВ 28900м
Плиты НСП и ПФ и ФП серия 3.407.1-157 ( серия 3.407-102, 3.407-40/70 )
Плиты ПН Серия 3.407-40/70
Плиты ПН серия 3.407.1-157 ( серия 3.407-102, 3.407-40/70 )
Плиты Серия 1.149 КР-1
Плиты Серия 1.220.1-3м
Плиты Серия 1.266.1-3
Плиты Серия 2.419-1
Плиты Серия 3.012-3
Плиты Серия 3.012.1-4
Плиты Серия 3.016-3
Плиты Серия 3.016.1-11
Плиты Серия 3.407-22
Плиты Серия 3.407.1-148
Плиты Серия 3.501-180.95
Плиты Серия 3.503.1-108
Плиты Серия 3.503.9-43/89
Плиты Серия 3.820.1-70 (3.820.1-32, 3.820-11)
Плиты Серия Б 1.134-7
Плиты Серия ИИ 03-02
Плиты Серия ИС 01-09
Плиты Серия У 01-01
Плиты Серия У 01-02/89
Плиты ТМП 410108
Плиты ТП 407-3-444.87
Плиты ТП 501-166
Плиты ТП 811-29
Плиты ТП 901-1-5/73
Плиты ТП 901-1-60.86
Плиты ТП 901-6-43
Плиты ТП 901-6-61
Плиты ТПР 13362тм
Плиты ТПР 320-069.86
Плиты ТПР 501-01-6.89
Плиты ТПР 501-07-3.83
Плиты ТПР 57-007-85
Плиты УП Серия 3.407-40/70
Плиты УП серия 3.407.1-157 ( серия 3.407-102, 3.407-40/70 )
Плиты Шифр В 019
Плиты анкерно-опорные Серия 3.501.1-145
Плиты анкерные Серия 3.501.1-149
Плиты анкерные Серия 3.505-11
Плиты анкерные Серия 3.505.1-15
Плиты армоцементные ТП 310-4-1
Плиты асфальтобетонные Альбом 750
Плиты асфальтобетонные Альбом 819
Плиты балконные Серия 1.100.1-7
Плиты балконные Серия ИИ 03-02 Альбом 18-64
Плиты балконов Альбом РМ 2283
Плиты балконов Серия 1.137.1 КЛ-1
Плиты балконов Серия 1.137.1-9 и 1.137-3
Плиты бетонные Альбом 750
Плиты бетонные защитные гибкие универсальные ТУ 5859-002-59565714-2012
Плиты водостока ТПР 320-069.86
Плиты входа Альбом 3РС 19-08
Плиты входа Альбом 3РС 19-103
Плиты входа Серия 1.100.1-7
Плиты входов Серия ИИ 03-02 Альбом 15-64
Плиты гидранта Серия 3.820-9
Плиты для крепления опкосов разделеных открытыми швами Серия 3.505.1-16
Плиты для оттяжки Серия 3.407-96
Плиты днища Серия 1.189.1-10
Плиты днища Серия 3.507-1
Плиты днища Серия 3.702-1/79
Плиты днища Серия 3.702.1-4
Плиты днища распределительные Серия 3.900-3
Плиты днища распределительные Серия 3.900.1-10
Плиты канала Серия 3.505-9
Плиты караульных сооружений Серия 3.501-96
Плиты карнизные Серия 1.100.1-7
Плиты карнизные Серия 1.432.1-33.93
Плиты карнизные Серия ИИ 03-02 Альбом 18-64
Плиты крепления Серия 3.820-15
Плиты лестничных клеток Серия 1.100.1-7
Плиты лицевые ГОСТ 26815-86
Плиты лицевые Серия 3.002.1-1 (3.400-3)
Плиты лицевые Серия 3.400-3
Плиты лицевые Серия 3.501.1-135
Плиты лоджий Альбом РМ 2283
Плиты лоджий Серия 1.100.1-7
Плиты лоджий Серия 1.137.1 КЛ-3
Плиты лоджий Серия 1.137.1-8
Плиты лоджий Серия 1.439 АР ч.10
Плиты лоджий Серия 86 и 85
Плиты лоджий Серия ИИ 03-02 Альбом 65
Плиты межколонные МП ГОСТ 27108-86
Плиты межколонные МП Серия 1.420.1-14
Плиты межколонные Серия 1.420.1-24с
Плиты межколонные Серия 1.420.1-25
Плиты навесные Серия 3.407-115
Плиты надколонные Серия 1.420-4
Плиты надсилосные Серия 3.702-1/79
Плиты надсилосные Серия 3.702.1-4
Плиты надстройки Серия 3.504.1-23
Плиты настила ТПР 501-0-118
Плиты настила переездов ТП 509-032.90
Плиты нижние Серия 3.501.2-123
Плиты ниш Серия 3.505.1-15
Плиты облицовки оросительных каналов ГОСТ 22930-87
Плиты омоноличенные Серия 3.505.1-16
Плиты опорно-анкерные Арх 19.0022.1
Плиты опорно-анкерные Арх 20.0096
Плиты опорно-анкерные Арх ЛЭП 98.10
Плиты опорно-анкерные Арх ЛЭП 98.16
Плиты опорно-анкерные Серия 3.407-101
Плиты опорно-анкерные Серия 3.407.1-143 и 3.407.1-136
Плиты опорно-анкерные Шифр 26.0008
Плиты опорные Альбом СК 6114-92
Плиты опорные Серия 3.407.9-180
Плиты опорные Серия 3.820-3
Плиты опорные Серия 3.820.1-34с
Плиты опорные Серия ИИ 01-02
Плиты опорные ТП 244-9-38.86
Плиты основания Серия ТС 01-01
Плиты отмостки Серия 3.820-23
Плиты оформления откосов ТПР 320-069.86
Плиты парапетные ГОСТ 6786-80 и Серия 1.438-1
Плиты парапетные Серия 1.138-2
Плиты парапетные Серия 1.138.1-20 ( 1.138-2 )
Плиты парапетные Серия 1.238-1
Плиты парапетные Серия 1.238.1-2
Плиты парапетные Серия АЭ 01-02
Плиты парапетные Серия Б1.138-2
Плиты парапетные Серия Б3.300.1-5.04
Плиты парапетные Серия ИИ 03-02 Альбом 15-64
Плиты парапетные Серия СТ 02-11/61
Плиты парапетные Серия СТ 02-18
Плиты переездов Серия 3.820.1-67
Плиты перекрытий Альбом ТДК 4-1
Плиты перекрытий Серия 1.143.1-7
Плиты перекрытий Серия 3.702-1/79
Плиты перекрытий беспустотные Серия 1.243-3
Плиты перекрытия Альбом ИЖ 173-91
Плиты перекрытия Альбом ПС 103
Плиты перекрытия Альбом ПС 143
Плиты перекрытия Альбом ПС 192
Плиты перекрытия Альбом РК 1101-87
Плиты перекрытия Альбом РК 2303-86
Плиты перекрытия Серия 1-335 ТулМ
Плиты перекрытия Серия 1.020-1
Плиты перекрытия Серия 1.143.1-9с
Плиты перекрытия Серия 1.189.1-10
Плиты перекрытия Серия 1.335 ОМ
Плиты перекрытия Серия 111, Серия 71151с, Альбом РС 5157-92, р.ч. РК-23031
Плиты перекрытия Серия 3.501-107
Плиты перекрытия Серия 3.501.1-135
Плиты перекрытия Серия 3.503-21
Плиты перекрытия Серия 3.507-1
Плиты перекрытия Серия 3.902-8
Плиты перекрытия Серия 7018м
Плиты перекрытия Серия ВТИ-КЖ 01-83
Плиты перекрытия Серия НК 029
Плиты перекрытия Серия ТС 01-01
Плиты перекрытия Серия У 01-01/80
Плиты перекрытия ТП 213-2-183
Плиты перекрытия ТП 310-4-1
Плиты перекрытия ТП 905-7
Плиты перекрытия блоков мусороудаления АльбомРМ 2283
Плиты перекрытия и днища Серия 1.174.1-1
Плиты перекрытия из ячеистого бетона (ГОСТ 31359-2007)
Плиты перекрытия камер Альбом СК
Плиты перекрытия ливневой канализации ТП 902-9-1
Плиты перекрытия прямоугольных водопропускных труб Серия 3.503.1-61
Плиты перекрытия решетчатые Серия 3.006 КР-1
Плиты перекрытия серия ИС 01-05 ( НК 029-23:39 )
Плиты перекрытия тоннелей Серия 0.55.18.236
Плиты перекрытия тоннелей Серия 3.006.1-3/83
Плиты перекрытия тоннелей доборные Серия 3.006.1-3/83
Плиты перекрытия тоннелей с отверстиями Серия 3.006.1-3/83
Плиты переходные Серия 3.503-29
Плиты переходные Серия 3.503.1-49
Плиты плоские Альбом ВИ 37-76
Плиты плоские П Серия 02.019 КЖИ, ТУ 5842-003-51478045-2001, ВТ1.243-2.1, Шифр 088.007.026
Плиты плоские ППУ (ТУ 5842-001-05343710-93)
Плиты плоские ПТП (Серия 02.019 КЖИ, 1.243)
Плиты плоские Серия 1.243-2
Плиты плоские Серия 1.243.1-4
Плиты плоские Серия 86 и 85
Плиты плоские Серия ИИ 03-02 Альбом 15, Альбом 15-64, Альбом 65
Плиты плоские прямоугольные Серия 3.820-6
Плиты плоские треугольные Серия 3.820-6
Плиты площадочные Серия 1.450-1
Плиты подкладные Альбом СК 6115-92
Плиты подкладные Серия 3.407.1-115
Плиты подкладные Серия 3.407.9-158
Плиты подоконные ГОСТ 26919-86
Плиты подоконные ГОСТ 6785-80
Плиты подоконные ГОСТ 8484-82
Плиты подоконные Серия 1.136-1
Плиты подоконные Серия 1.136.1-13 и ГОСТ 6785-80 (ГОСТ 8484-82, 1.136-1)
Плиты подоконные Серия ИИ 03-02
Плиты покрытий лестничных клеток Шифр 789-04
Плиты покрытия Серия 1.165.1-12
Плиты покрытия Серия 1.490.1-1
Плиты покрытия Серия 3.019.1-1
Плиты покрытия Серия 3.504.1-20
Плиты покрытия Серия 3.505-14
Плиты покрытия Серия 3.900-3
Плиты покрытия Серия 3.900.1-10
Плиты покрытия Серия 7075м
Плиты покрытия Серия ВТИ КЖ 01-82
Плиты покрытия дымовентиляционных труб Серия ИИ 03-02 Альбом 15-64
Плиты покрытия трехслойные Альбом 3РС 74-09
Плиты пола туалета Серия 3.503.1-70
Плиты поясные (Серия 7365 КЖИ, ИИ 03-02)
Плиты предварительно-напряженные для междуэтажных перекрытий (раб.ч.№33894_а - с АТЭПа ) ребристые
Плиты пригрузочные Серия 3.407-96
Плиты пристенного дренажа Серия 8.005-1
Плиты приямка Серия ИИ 03-02 Альбом 15-64
Плиты пролетные ГОСТ 27108-86
Плиты пролетные Серия 1.420-4
Плиты пролетные Серия 1.420.1-14
Плиты пролетные Серия 1.420.1-24с
Плиты пролетные Серия 1.420.1-25
Плиты разгрузочные Серия 3.006.1-3/83
Плиты рампы Серия 3.019.1-1
Плиты распределительные Серия 3.505-14
Плиты решетчатые Альбом РК 7101-01
Плиты решетчатые Серия 3.820-11
Плиты решетчатые Серия 3.820.1-69
Плиты с подъемными воротами Серия 3.820-11
Плиты сводчатые (блоки) Тема 315к-ИС-81 ( Инв. 29100-м )
Плиты соединительные Альбом 55 НТ
Плиты сплошные однослойные ГОСТ 26434-2015
Плиты сплошные однослойные ГОСТ 26434-85
Плиты стеновые Серия ИС 01-04
Плиты стеновые Серия ИС 01-05 ( НК 029-23:39 )
Плиты стеновые Серия ХТР 1-1
Плиты съемные Серия 3.006 КР-1
Плиты упорные Серия 3.820-9
Плиты фильтрующие Альбом 74081с
Плиты цветочниц Серия ИИ 03-02
Поддоны Серия 1.100.1-7
Подколонники 3.016.1-11
Полки кабельные Серия 3.016.1-9
Разделительные перегородки балконные Серия 1.137.1 КЛ-3
Упорные фундаментные плиты Серия 1.020-1/87
Плиты железобетонные - Страница 225
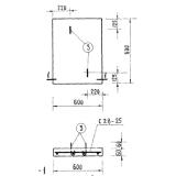
800х600x80
ПТП 8-6
456
₽/шт.
В корзину
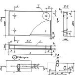
800х600x80
ПТП 8-6
570
₽/шт.
В корзину
800х600x60
ПТП 8-6
435
₽/шт.
В корзину
800х800x80
ПТП 8-8
612
₽/шт.
В корзину
400х400x100
ПУ 1-40
448
₽/шт.
В корзину
500х500x100
ПУ 1-50
560
₽/шт.
В корзину
600х600x100
ПУ 1-60
672
₽/шт.
В корзину
1000х420x300
ПУ 10-4-3
1 650
₽/шт.
В корзину
1000х420x350
ПУ 10-4-3,5
1 725
₽/шт.
В корзину
1000х520x500
ПУ 10-5-3
1 875
₽/шт.
В корзину
1000х520x350
ПУ 10-5-3,5
1 950
₽/шт.
В корзину
1000х620x300
ПУ 10-6-3
2 100
₽/шт.
В корзину
1000х620x350
ПУ 10-6-3,5
2 175
₽/шт.
В корзину
400х400x100
ПУ 2-40
448
₽/шт.
В корзину
500х500x100
ПУ 2-50
560
₽/шт.
В корзину
600х600x100
ПУ 2-60
672
₽/шт.
В корзину
2100х1000x100
ПУ 2,5-6,0
3 400
₽/шт.
В корзину
2000х2000x160
ПУ 20-20-1,6
7 680
₽/шт.
В корзину
2000х2000x200
ПУ 20-20-2
9 600
₽/шт.
В корзину
2400х1100x120
ПУ 3,0-6,0
5 100
₽/шт.
В корзину
2700х1100x140
ПУ 3,5-6,0
6 800
₽/шт.
В корзину
3500х2000x160
ПУ 35-20-1,6
13 440
₽/шт.
В корзину
3500х2000x200
ПУ 35-20-2
16 800
₽/шт.
В корзину
3100х1200x160
ПУ 4,0-6,0
9 690
₽/шт.
В корзину
Показать еще
|<
<
....
219
220
221
222
223
224
225
226
227
228
229
>
>|
5400 из 5494 (страниц 229)
Заказать звонок