Отгружено ЖБИ: всего -
000 000
тонн; за 2025 год -
00 000
тонн
Посмотреть
Заключено договоров: всего -
0 000
шт.; за 2025 год -
000
шт.
Единый номер:
8 (800) 500-22-52
Выберите город
Благовещенск
Владивосток
Екатеринбург
Иркутск
Казань
Кемерово
Краснодар
Красноярск
Москва
Нижний Новгород
Новосибирск
Омск
Пермь
Ростов-на-Дону
Самара
Санкт-Петербург
Симферополь
Сургут
Тюмень
Хабаровск
Челябинск
Ваш город «
»?
Да
Нет
Выберите город
Заказ онлайн
Корзина:
0 шт.
Корзина
0
шт.
Расчитать
О нас
О компании
Документация
Судебная практика
Преимущества
Вопросы/ответы
Портфолио
Работа в цифрах
Прямой эфир с производства
Каталог
Каталог по группам
Условия доставки
Контакты
Найти
Каталог по группам
Главная
Каталог по группам
Плиты, Блоки, Столбы, Стойки р...
Плиты железобетонные
Плиты лестничных клеток Серия ...
Анкерные плиты Серия 3.407-115
Анкерные плиты Серия 3.407-40/70
Анкерные плиты серия 3.407-102 (3.407-40/70)
Балконные плиты Серия 86 и 85
Бетонные вкладыши Серия 1.100.1-7
Бетонные ограждения лоджий Серия 86 и 85
Вкладыши балконные Серия ИИ 03-02
Вкладыши железобетонные Серия 1.141.1 КР-3
Камни фризовые Серия 1.020-1
Камни фризовые Серия 1.269-1
Карнизные плиты Серия 1.137.1 КЛ-3
Карнизные плиты Серия 1.138-3
Карнизные плиты Серия ИИ 04-4
Карнизы Альбом РК 7101-01
Крайние межколонные плиты при привязке наружных стен 610 мм (МПК) Серия 1.420.1-25
Межколонные плиты (МП) Серия 1.420.1-25
Настил коробчатый Серия В 86
Нащельники Альбом 3РС 43-15
Нащельники Серия 1.100.1-7
Нащельники Серия 1.165.1-16
Объемные элементы балконов Альбом 3РС 43-11
Ограждения лоджий Альбом 5РС 43-24
Опорные плиты Альбом ПС 192
Опорные плиты Альбом РК 2201-82
Опорные плиты ГОСТ 8020-2016
Опорные плиты ГОСТ 8020-80
Опорные плиты ГОСТ 8020-90
Опорные плиты Серия 3.407-115
Опорные плиты Серия 3.407.9-158
Опорные плиты Серия 3.900-3
Опорные плиты Серия 3.900-3 и ГОСТ 8020-90
Опорные плиты Серия ИИ 03-02 Альбом 16
Опорные подушки Серия 2.800-2
Панели для сборно-монолитных перекрытий Серия ИИ 01-02
Панели карнизные Серия 1.020-1
Панели карнизные Серия 1.030.1-1/88
Панели карнизные Серия 1.432-10
Панели карнизные Серия 1.432-14
Панели карнизные Серия 1.432-14/80
Панели карнизные Серия 1.432-5
Панели карнизные Серия 1.432.1-22
Панели карнизные Серия 1.433-2
Панели карнизные Серия 1.490.1-1
Панели карнизные Серия 7075м
Панели карнизные Серия СТ 02-12/61
Панели кровельные Серия 1.100.1-7
Панели кровли Серия 1-335 ТулМ
Панели ограждения лоджий Серия 1.137.1 КЛ-3
Панели перекрытий Альбом РМ 2283
Панели перекрытий беспустотные Серия 1.243.1-5
Панели перекрытий беспустотные Серия ИИ 03-02
Панели перекрытий и покрытий Серия Б1.043.1-2.08
Панели перекрытий сплошные Серия 1.100.1-7
Панели перекрытий сплошные Серия 1.143-4
Панели перекрытий сплошные Серия 1.143-5 пв
Панели перекрытия лоджий Серия 1.137.1-6
Панели покрытий Серия 1.165-9
Панели покрытий сплошные Серия 1.165.1-10
Парапетные плиты Серия 1.169.1-1
Парапеты Серия 3.505.1-16
Плиты (панели) перекрытий Альбом ИЖ 218-80
Плиты (площадки) ТПР 503-0-17
Плиты Альбом РК 7101-01
Плиты Арх. Л57-97
Плиты ИНВ 25442м
Плиты ИНВ 28900м
Плиты НСП и ПФ и ФП серия 3.407.1-157 ( серия 3.407-102, 3.407-40/70 )
Плиты ПН Серия 3.407-40/70
Плиты ПН серия 3.407.1-157 ( серия 3.407-102, 3.407-40/70 )
Плиты Серия 1.149 КР-1
Плиты Серия 1.220.1-3м
Плиты Серия 1.266.1-3
Плиты Серия 2.419-1
Плиты Серия 3.012-3
Плиты Серия 3.012.1-4
Плиты Серия 3.016-3
Плиты Серия 3.016.1-11
Плиты Серия 3.407-22
Плиты Серия 3.407.1-148
Плиты Серия 3.501-180.95
Плиты Серия 3.503.1-108
Плиты Серия 3.503.9-43/89
Плиты Серия 3.820.1-70 (3.820.1-32, 3.820-11)
Плиты Серия Б 1.134-7
Плиты Серия ИИ 03-02
Плиты Серия ИС 01-09
Плиты Серия У 01-01
Плиты Серия У 01-02/89
Плиты ТМП 410108
Плиты ТП 407-3-444.87
Плиты ТП 501-166
Плиты ТП 811-29
Плиты ТП 901-1-5/73
Плиты ТП 901-1-60.86
Плиты ТП 901-6-43
Плиты ТП 901-6-61
Плиты ТПР 13362тм
Плиты ТПР 320-069.86
Плиты ТПР 501-01-6.89
Плиты ТПР 501-07-3.83
Плиты ТПР 57-007-85
Плиты УП Серия 3.407-40/70
Плиты УП серия 3.407.1-157 ( серия 3.407-102, 3.407-40/70 )
Плиты Шифр В 019
Плиты анкерно-опорные Серия 3.501.1-145
Плиты анкерные Серия 3.501.1-149
Плиты анкерные Серия 3.505-11
Плиты анкерные Серия 3.505.1-15
Плиты армоцементные ТП 310-4-1
Плиты асфальтобетонные Альбом 750
Плиты асфальтобетонные Альбом 819
Плиты балконные Серия 1.100.1-7
Плиты балконные Серия ИИ 03-02 Альбом 18-64
Плиты балконов Альбом РМ 2283
Плиты балконов Серия 1.137.1 КЛ-1
Плиты балконов Серия 1.137.1-9 и 1.137-3
Плиты бетонные Альбом 750
Плиты бетонные защитные гибкие универсальные ТУ 5859-002-59565714-2012
Плиты водостока ТПР 320-069.86
Плиты входа Альбом 3РС 19-08
Плиты входа Альбом 3РС 19-103
Плиты входа Серия 1.100.1-7
Плиты входов Серия ИИ 03-02 Альбом 15-64
Плиты гидранта Серия 3.820-9
Плиты для крепления опкосов разделеных открытыми швами Серия 3.505.1-16
Плиты для оттяжки Серия 3.407-96
Плиты днища Серия 1.189.1-10
Плиты днища Серия 3.507-1
Плиты днища Серия 3.702-1/79
Плиты днища Серия 3.702.1-4
Плиты днища распределительные Серия 3.900-3
Плиты днища распределительные Серия 3.900.1-10
Плиты канала Серия 3.505-9
Плиты караульных сооружений Серия 3.501-96
Плиты карнизные Серия 1.100.1-7
Плиты карнизные Серия 1.432.1-33.93
Плиты карнизные Серия ИИ 03-02 Альбом 18-64
Плиты крепления Серия 3.820-15
Плиты лестничных клеток Серия 1.100.1-7
Плиты лицевые ГОСТ 26815-86
Плиты лицевые Серия 3.002.1-1 (3.400-3)
Плиты лицевые Серия 3.400-3
Плиты лицевые Серия 3.501.1-135
Плиты лоджий Альбом РМ 2283
Плиты лоджий Серия 1.100.1-7
Плиты лоджий Серия 1.137.1 КЛ-3
Плиты лоджий Серия 1.137.1-8
Плиты лоджий Серия 1.439 АР ч.10
Плиты лоджий Серия 86 и 85
Плиты лоджий Серия ИИ 03-02 Альбом 65
Плиты межколонные МП ГОСТ 27108-86
Плиты межколонные МП Серия 1.420.1-14
Плиты межколонные Серия 1.420.1-24с
Плиты межколонные Серия 1.420.1-25
Плиты навесные Серия 3.407-115
Плиты надколонные Серия 1.420-4
Плиты надсилосные Серия 3.702-1/79
Плиты надсилосные Серия 3.702.1-4
Плиты надстройки Серия 3.504.1-23
Плиты настила ТПР 501-0-118
Плиты настила переездов ТП 509-032.90
Плиты нижние Серия 3.501.2-123
Плиты ниш Серия 3.505.1-15
Плиты облицовки оросительных каналов ГОСТ 22930-87
Плиты омоноличенные Серия 3.505.1-16
Плиты опорно-анкерные Арх 19.0022.1
Плиты опорно-анкерные Арх 20.0096
Плиты опорно-анкерные Арх ЛЭП 98.10
Плиты опорно-анкерные Арх ЛЭП 98.16
Плиты опорно-анкерные Серия 3.407-101
Плиты опорно-анкерные Серия 3.407.1-143 и 3.407.1-136
Плиты опорно-анкерные Шифр 26.0008
Плиты опорные Альбом СК 6114-92
Плиты опорные Серия 3.407.9-180
Плиты опорные Серия 3.820-3
Плиты опорные Серия 3.820.1-34с
Плиты опорные Серия ИИ 01-02
Плиты опорные ТП 244-9-38.86
Плиты основания Серия ТС 01-01
Плиты отмостки Серия 3.820-23
Плиты оформления откосов ТПР 320-069.86
Плиты парапетные ГОСТ 6786-80 и Серия 1.438-1
Плиты парапетные Серия 1.138-2
Плиты парапетные Серия 1.138.1-20 ( 1.138-2 )
Плиты парапетные Серия 1.238-1
Плиты парапетные Серия 1.238.1-2
Плиты парапетные Серия АЭ 01-02
Плиты парапетные Серия Б1.138-2
Плиты парапетные Серия Б3.300.1-5.04
Плиты парапетные Серия ИИ 03-02 Альбом 15-64
Плиты парапетные Серия СТ 02-11/61
Плиты парапетные Серия СТ 02-18
Плиты переездов Серия 3.820.1-67
Плиты перекрытий Альбом ТДК 4-1
Плиты перекрытий Серия 1.143.1-7
Плиты перекрытий Серия 3.702-1/79
Плиты перекрытий беспустотные Серия 1.243-3
Плиты перекрытия Альбом ИЖ 173-91
Плиты перекрытия Альбом ПС 103
Плиты перекрытия Альбом ПС 143
Плиты перекрытия Альбом ПС 192
Плиты перекрытия Альбом РК 1101-87
Плиты перекрытия Альбом РК 2303-86
Плиты перекрытия Серия 1-335 ТулМ
Плиты перекрытия Серия 1.020-1
Плиты перекрытия Серия 1.143.1-9с
Плиты перекрытия Серия 1.189.1-10
Плиты перекрытия Серия 1.335 ОМ
Плиты перекрытия Серия 111, Серия 71151с, Альбом РС 5157-92, р.ч. РК-23031
Плиты перекрытия Серия 3.501-107
Плиты перекрытия Серия 3.501.1-135
Плиты перекрытия Серия 3.503-21
Плиты перекрытия Серия 3.507-1
Плиты перекрытия Серия 3.902-8
Плиты перекрытия Серия 7018м
Плиты перекрытия Серия ВТИ-КЖ 01-83
Плиты перекрытия Серия НК 029
Плиты перекрытия Серия ТС 01-01
Плиты перекрытия Серия У 01-01/80
Плиты перекрытия ТП 213-2-183
Плиты перекрытия ТП 310-4-1
Плиты перекрытия ТП 905-7
Плиты перекрытия блоков мусороудаления АльбомРМ 2283
Плиты перекрытия и днища Серия 1.174.1-1
Плиты перекрытия из ячеистого бетона (ГОСТ 31359-2007)
Плиты перекрытия камер Альбом СК
Плиты перекрытия ливневой канализации ТП 902-9-1
Плиты перекрытия прямоугольных водопропускных труб Серия 3.503.1-61
Плиты перекрытия решетчатые Серия 3.006 КР-1
Плиты перекрытия серия ИС 01-05 ( НК 029-23:39 )
Плиты перекрытия тоннелей Серия 0.55.18.236
Плиты перекрытия тоннелей Серия 3.006.1-3/83
Плиты перекрытия тоннелей доборные Серия 3.006.1-3/83
Плиты перекрытия тоннелей с отверстиями Серия 3.006.1-3/83
Плиты переходные Серия 3.503-29
Плиты переходные Серия 3.503.1-49
Плиты плоские Альбом ВИ 37-76
Плиты плоские П Серия 02.019 КЖИ, ТУ 5842-003-51478045-2001, ВТ1.243-2.1, Шифр 088.007.026
Плиты плоские ППУ (ТУ 5842-001-05343710-93)
Плиты плоские ПТП (Серия 02.019 КЖИ, 1.243)
Плиты плоские Серия 1.243-2
Плиты плоские Серия 1.243.1-4
Плиты плоские Серия 86 и 85
Плиты плоские Серия ИИ 03-02 Альбом 15, Альбом 15-64, Альбом 65
Плиты плоские прямоугольные Серия 3.820-6
Плиты плоские треугольные Серия 3.820-6
Плиты площадочные Серия 1.450-1
Плиты подкладные Альбом СК 6115-92
Плиты подкладные Серия 3.407.1-115
Плиты подкладные Серия 3.407.9-158
Плиты подоконные ГОСТ 26919-86
Плиты подоконные ГОСТ 6785-80
Плиты подоконные ГОСТ 8484-82
Плиты подоконные Серия 1.136-1
Плиты подоконные Серия 1.136.1-13 и ГОСТ 6785-80 (ГОСТ 8484-82, 1.136-1)
Плиты подоконные Серия ИИ 03-02
Плиты покрытий лестничных клеток Шифр 789-04
Плиты покрытия Серия 1.165.1-12
Плиты покрытия Серия 1.490.1-1
Плиты покрытия Серия 3.019.1-1
Плиты покрытия Серия 3.504.1-20
Плиты покрытия Серия 3.505-14
Плиты покрытия Серия 3.900-3
Плиты покрытия Серия 3.900.1-10
Плиты покрытия Серия 7075м
Плиты покрытия Серия ВТИ КЖ 01-82
Плиты покрытия дымовентиляционных труб Серия ИИ 03-02 Альбом 15-64
Плиты покрытия трехслойные Альбом 3РС 74-09
Плиты пола туалета Серия 3.503.1-70
Плиты поясные (Серия 7365 КЖИ, ИИ 03-02)
Плиты предварительно-напряженные для междуэтажных перекрытий (раб.ч.№33894_а - с АТЭПа ) ребристые
Плиты пригрузочные Серия 3.407-96
Плиты пристенного дренажа Серия 8.005-1
Плиты приямка Серия ИИ 03-02 Альбом 15-64
Плиты пролетные ГОСТ 27108-86
Плиты пролетные Серия 1.420-4
Плиты пролетные Серия 1.420.1-14
Плиты пролетные Серия 1.420.1-24с
Плиты пролетные Серия 1.420.1-25
Плиты разгрузочные Серия 3.006.1-3/83
Плиты рампы Серия 3.019.1-1
Плиты распределительные Серия 3.505-14
Плиты решетчатые Альбом РК 7101-01
Плиты решетчатые Серия 3.820-11
Плиты решетчатые Серия 3.820.1-69
Плиты с подъемными воротами Серия 3.820-11
Плиты сводчатые (блоки) Тема 315к-ИС-81 ( Инв. 29100-м )
Плиты соединительные Альбом 55 НТ
Плиты сплошные однослойные ГОСТ 26434-2015
Плиты сплошные однослойные ГОСТ 26434-85
Плиты стеновые Серия ИС 01-04
Плиты стеновые Серия ИС 01-05 ( НК 029-23:39 )
Плиты стеновые Серия ХТР 1-1
Плиты съемные Серия 3.006 КР-1
Плиты упорные Серия 3.820-9
Плиты фильтрующие Альбом 74081с
Плиты цветочниц Серия ИИ 03-02
Поддоны Серия 1.100.1-7
Подколонники 3.016.1-11
Полки кабельные Серия 3.016.1-9
Разделительные перегородки балконные Серия 1.137.1 КЛ-3
Упорные фундаментные плиты Серия 1.020-1/87
Плиты лестничных клеток Серия 1.100.1-7
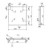
1720х100x1430
ПТ 17-14-10
8 400
₽/шт.
В корзину
1450х100x1750
ПТ 17-14-10-2
8 750
₽/шт.
В корзину
1750х100x1750
ПТ 17-17-10
10 500
₽/шт.
В корзину
3 из 3 (страниц 1)
Заказать звонок