О товаре:
- Длинна: 2160 мм.
- Ширина: 140 мм.
- Высота: 3280 мм.
- Вес: 2470 кг.
- ГОСТ, Серия: Серия ИИ 04-15 скачать
- Объем бетона: 0,98 м3
- Геометрический объем: 0,9919 м3
Стандарт изготовления изделия: Серия ИИ 04-15
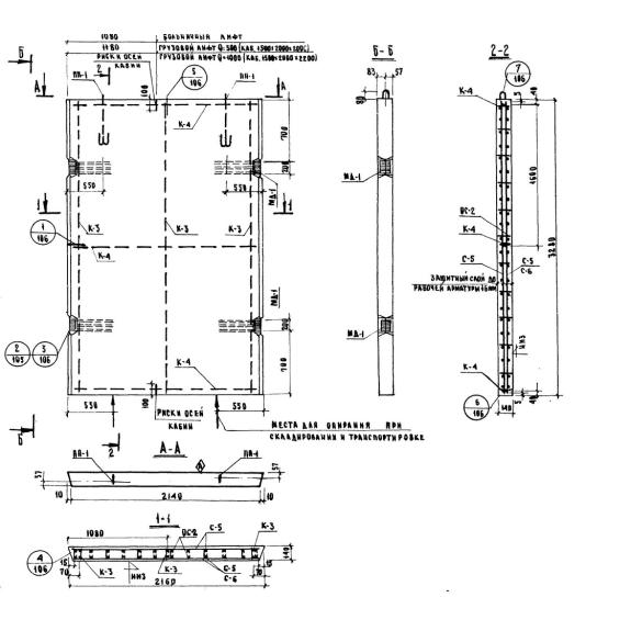
Панели лифтовых шахт ШЛ 22-33-2– железобетонные сплошные изделия, имеющие прямоугольную форму. Элементы запроектированы одинаковой толщины 14 см, что позволяет причислить данные конструкции к первой степени огнестойкости.
Унифицированные панели применяются при строительстве сборных шахт лифтов в жилых домах и общественных зданиях. Они используются совместно с плитами, запроектированными по Серии ИИ 04-15, и являются надежными и долговечными элементами, позволяющими быстро возводить качественные шахты для передвижения лифтов. Конструкции оснащены закладными деталями, необходимыми для крепления разводок, направляющих и соединения элементов друг с другом. Изделия рассчитаны на применение в обычных инженерно-геологических условиях. Конструкции разрабатывались с учетом требований и рекомендаций СНиП II-B.1-62 и СН 321-65.
Расшифровка маркировки
Для быстрого ориентирования в номенклатурном ряду на территориях складских помещений были специально разработаны маркировочные обозначения. Они состоят из цифр и букв и несут информационный характер. Совокупность символов ШЛ 22-33-2 расшифровывается:
1. ШЛ – тип конструкции – панель лифтовой шахты;
2. 22 – длина;
3. 33 – высота;
4. 2 – тип исполнения панели по расположению отверстий.
В конце маркировочного обозначения может проставляться буквенный индекс «п», обозначающий наличие в панели проема.
Материалы и производство
Процесс производства панелей лифтовых шахт ШЛ 22-33-2 регламентирован Серией ИИ 04-15. Согласно рекомендациям документа допускается изготовление в вертикальных кассетах и горизонтальной опалубке. В качестве основного материала выступает тяжелый бетон. Для конструкций без проемов марка бетона по прочности на сжатие составляет М200, для панелей с проемами – М300. Водонепроницаемость и морозостойкость подбираются индивидуально под каждый типовой проект исходя из эксплуатационных условий и особенностей климата в регионе строительства.
Изделия армируются горячекатаной арматурной сталью классов AI и AIII по ГОСТ 5781-77. Стержни свариваются в прочные плоские сетки с последующим объединением в объемный каркас при помощи контактной точечной сварки. Сварные элементы должны соответствовать требованиям ГОСТ 10922-64 и строительным нормам СН 393-69. Подъемные петли производятся из круглой стали класса AI марок ВСт3сп2 и ВСтпс2. Все металлические элементы проходят обязательную антикоррозионную обработку специальными составами в соответствии со СНиП III-B.6-62.
Допустимые величины отклонений по геометрическим параметрам прописаны в Серии ИИ 04-15. После прохождения контрольных испытаний продукция снабжается соответствующей документацией, подтверждающей высокое качество.
Транспортировка и хранение
Складирование и транспортировка панелей лифтовых шахт ШЛ 22-33-2 осуществляется в вертикальном положении в кассетах или с прокладкой деревянных подкладок. Для осуществления погрузочно-разгрузочного комплекса работ следует использовать специализированное оборудование, траверсы и захватные механизмы. Подъём следует осуществлять за строповочные петли. До транспортировки необходимо надежно закреплять конструкции в кузове автотранспортного средства.
Хранение следует осуществлять на ровной территории с обеспечением надежного опирания, препятствующего соприкосновению с грунтом. Важно безукоризненно соблюдать правила и нормы техники безопасности на всех этапах работы с железобетонными изделиями.

