

О товаре:
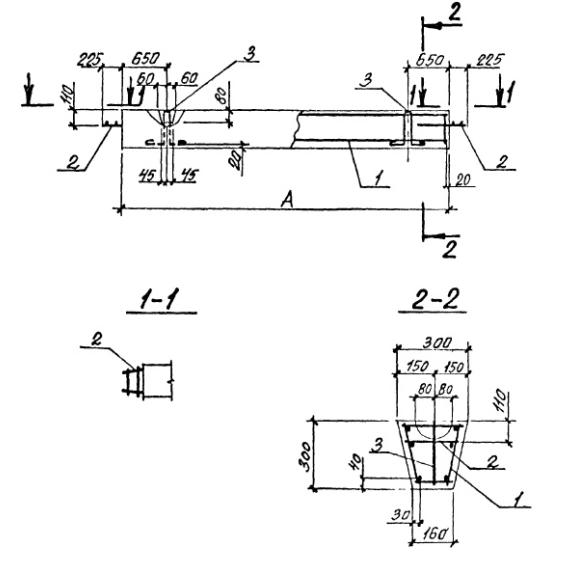
- Длинна: 4950 мм.
- Ширина: 300 мм.
- Высота: 300 мм.
- Вес: 850 кг.
- ГОСТ, Серия: Серия 0-221-84 скачать
- Объем бетона: 0,34 м3
- Геометрический объем: 0,4455 м3
Стандарт изготовления изделия: Серия 0-221-84
Балки фундаментные БФ 3 (0-221-84)– вытянутые прямоугольные изделия, имеющие трапециевидную форму поперечного сечения. В торцевых частях конструкции размещены выпуски арматуры, необходимые для сопряжения со смежными элементами. Выпуски являются частью плоского каркаса.
Применяются высокопрочные железобетонные фундаментные балки при строительстве фундаментов под колонны в процессе возведения промышленных зданий.Опирание балок рекомендуется производить на верхний обрез фундамента. Допускается последующая укладка на конструкции самонесущих панелей или кирпичной кладки стен. Изделия специально разработаны для применения в крайних пролетах, в пролетах у температурных швов и для эксплуатации с блоками шириной 1м. Балки устанавливаются на блоки - стаканы на консоли, разработка которых осуществляется индивидуально и зависит от требований типового проекта. Расчет изделий производился с учетом рекомендаций СНиП II-6-74 и СНиП II-15-74, что позволяет гарантировать прочность, надежность и долговечность конструкций в качестве основы для промышленных предприятий.
Расшифровка маркировки
Для облегчения процедуры поиска и сортировки готовых конструкций были разработаны маркировочные обозначения, содержащие ключевые характеристики конструкций. Марки наносятся несмываемой краской, устойчивой к истиранию, перепадам температур и вредоносному воздействию атмосферных осадков. Символы БФ 3 (0-221-84) обозначают:
1. БФ – тип конструкции – балка фундаментная;
2. 3 – порядковый номер типоразмера элемента.
Материалы и производство
В качестве основного материала для производства фундаментных балок БФ 3 (0-221-84), по условиям нормативного документа Серии 0-221-84, следует использовать тяжелый бетон марки М200 по прочности на сжатие. Под условия каждого типового проекта индивидуально выбираются марки бетона по морозостойкости и водонепроницаемости, исходя из климатических и эксплуатационных условий.
Для армирования изделий используются пространственные каркасы, производимые из стержневой горячекатаной стали класса AI и AII по ГОСТ 5781-82. Дополнительно применяется высокопрочная проволока класса B-I по ГОСТ 6727-80. Для удобства погрузочно-разгрузочных и монтажных работ в теле элемента присутствуют две строповочные петли, изготавливаемые из гладкой круглой стали класса AI из стержней диаметром 10 мм. Сварные элементы должны отвечать условиям строительных норм СН 393-78. Все металлические части проходят дополнительную антикоррозионную обработку в соответствии с требованиями СНиП II-28-73.
Контрольные испытания должны проводиться по методам, изложенным ГОСТ 13015-75. Не допускается наличие дефектов поверхностей и несоответствие геометрических пропорций, прописанных на рабочих чертежах Серии 0-221-84. В паспорте качества, поставляемом с продукцией, должны отражаться результаты контрольных проверок.
Транспортировка и хранение
Укладка фундаментных балок БФ 3 (0-221-84) осуществляется в горизонтальные штабеля в рассортированном по маркировочным обозначениям состоянии. Выступающие части конструкций должны быть надежно защищены от механических повреждений. Подкладочный изолирующий материал следует располагать вблизи строповочных петель. Высота прокладок должна превышать величину петель. Количество рядов в штабеле нужно согласовываться с условиями техники безопасности в строительстве (СНиП III-4-80).
Транспортировка элементов должна осуществляться в жестко зафиксированном состоянии. Погрузку и разгрузку необходимо производить с использованием траверс, обеспечивающих проектное положение конструкций и равномерное распределение нагрузок.