Отгружено ЖБИ: всего -
000 000
тонн; за 2025 год -
00 000
тонн
Посмотреть
Заключено договоров: всего -
0 000
шт.; за 2025 год -
000
шт.
Единый номер:
8 (800) 500-22-52
Выберите город
Благовещенск
Владивосток
Екатеринбург
Иркутск
Казань
Кемерово
Краснодар
Красноярск
Москва
Нижний Новгород
Новосибирск
Омск
Пермь
Ростов-на-Дону
Самара
Санкт-Петербург
Симферополь
Сургут
Тюмень
Хабаровск
Челябинск
Ваш город «
»?
Да
Нет
Выберите город
Заказ онлайн
Корзина:
0 шт.
Корзина
0
шт.
Расчитать
О нас
О компании
Документация
Судебная практика
Преимущества
Вопросы/ответы
Портфолио
Работа в цифрах
Прямой эфир с производства
Каталог
Каталог по группам
Условия доставки
Контакты
Найти
Каталог по группам
Главная
Каталог по группам
Балки , Ригели, Фермы, Траверс...
Балки фундаментые
Балки фундаментные Серия 0-221...
Балки фундаментные Альбом РС 1251-93
Балки фундаментные БФ (ИИ 04н-10)
Балки фундаментные ГОСТ 28737-90
Балки фундаментные Серия 0-221-84
Балки фундаментные Серия 1.015.1-1.95 (1.415.1-2, 1.815.1-1)
Балки фундаментные Серия 1.110.1-1п
Балки фундаментные Серия 1.115.1-1
Балки фундаментные Серия 1.415-1
Балки фундаментные Серия 1.415.1-2
Балки фундаментные Серия 1.810-1
Балки фундаментные Серия 1.815.1-1
Балки фундаментные Серия КЭ 01-01
Балки фундаментные Серия КЭ 01-23
Балки фундаментные Серия КЭ 01-53
Балки фундаментные серия КЭ 01-15 ( КЭ 01-01 )
Балки фундаментые ГОСТ 28737-2016
Балки фундаментые Шифр 27Н-83
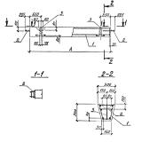
Балки фундаментные Серия 0-221-84
4250х300x300
БФ 1 (0-221-84)
12 000
₽/шт.
В корзину
4550х300x300
БФ 2 (0-221-84)
12 400
₽/шт.
В корзину
4950х300x300
БФ 3 (0-221-84)
13 600
₽/шт.
В корзину
3 из 3 (страниц 1)
Заказать звонок